Добавить в корзинуПозвонить
Найти в Дзене
Дауншифтинг по-русски

Сауна в доме своими руками. Часть первая. Конструкция сауны, высота потолков и полков.

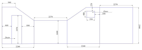
Еще при проектировании дома планировалось, что сауна будет в доме, и для этой цели было построено смежное с ванной комнатой помещение размером 224х227 см. Т.к. сауна на мансардном этаже, то потолок с одной стороны оказался скошенным. Сначала строить сам я не планировал. Приглашал нескольких подрядчиков и они называли стоимость в самом широком диапазоне – от 160 до 480 и даже 600 тысяч рублей, не включая стоимость печки. Печь планировалась электрическая. Очень сильно настораживал такой разброс цен, несмотря на то, что всем давалось одинаковое техническое задание. По прошествии нескольких месяцев, в результате неясного ценообразования и желания наконец сходить в сауну, нами было принято решение, что я построю сауну самостоятельно. Вот как выглядит развертка помещения сауны: А так выглядело помещение: Во время разговоров с подрядчиками, многие, качая головой утверждали, что высота 2,5 метра в сауне – это очень много. Но с тех пор я прочитал много информации и поговорил со многими людьми п

Еще при проектировании дома планировалось, что сауна будет в доме, и для этой цели было построено смежное с ванной комнатой помещение размером 224х227 см. Т.к. сауна на мансардном этаже, то потолок с одной стороны оказался скошенным.

Сначала строить сам я не планировал. Приглашал нескольких подрядчиков и они называли стоимость в самом широком диапазоне – от 160 до 480 и даже 600 тысяч рублей, не включая стоимость печки. Печь планировалась электрическая.

Очень сильно настораживал такой разброс цен, несмотря на то, что всем давалось одинаковое техническое задание.

По прошествии нескольких месяцев, в результате неясного ценообразования и желания наконец сходить в сауну, нами было принято решение, что я построю сауну самостоятельно.

Вот как выглядит развертка помещения сауны:

А так выглядело помещение:

-2

Во время разговоров с подрядчиками, многие, качая головой утверждали, что высота 2,5 метра в сауне – это очень много. Но с тех пор я прочитал много информации и поговорил со многими людьми по многу лет эксплуатирующими свои бани, поэтому я с полной ответственностью заявляю, что высота 2,5 метра в бане, это то, что надо.

Есть несколько ответов на вопрос «почему». Во всей специальной литературе написано, что высота между полко́м и потолком должна быть не меньше 110 см. И тут есть ответ на вопрос «почему». Потому, что сидя на полке́ не надо задевать головой в шапке(!) потолка – это первое. Второе – Парильщик, работая веником, черпает горячий воздух из-под потолка. При этом он не должен скрести по потолку.

Кое-кто может сказать, что можно полок опустить пониже. Но и это не всегда так. В русской бане полок вообще находится на высоте не выше 80 см. Он может находиться даже на высоте 60 сантиметров. И на это есть ответ. В русской бане очень влажный и не такой горячий воздух как в сауне. Воздух в русской бане физически тяжелый, т.к. влажный. Поэтому он в практически при одинаковой температуре находится на любой высоте помещения. В сауне же, воздух сухой и очень горячий. Поэтому ощущается резкий перепад температур между верхом и низом. В сауне, на уровне ниже низа каменки температура вообще мало отличается от температуры в предбаннике. Полок поэтому должен располагаться как можно выше. Оптимальной является высота 115 см. Я сделал 118 исходя из своего роста (192).

И да, еще про вытяжку.

Во время строительства дома, еще при проектировании, в сауне проектом был предусмотрен вытяжной канал выходящий примерно в 20 сантиметрах от потолка. Однако, начитавшись теории про бани и сауны, я понял, что вытяжку надо переносить и организовать ее выход буквально в 10 сантиметрах от пола. Объясняется это довольно просто. Если оставить вытяжку наверху то горячий воздух, который мы создаем с большими усилиями свободно вытечет наружу. Поэтому там вытяжку делать не надо. Но при этом есть мокрый холодный пар, который норовит отобрать тепло от сауны. Вот этот холодный пар и надо удалять через вытяжное отверстие расположенное как можно ниже.

Если статья понравилась, не забудьте поставить лайк и подписаться на наш канал.