Найти в Дзене
Дмитрий Компанец

Рефлексия транзитора. Простой рефлексный радиоприемник.

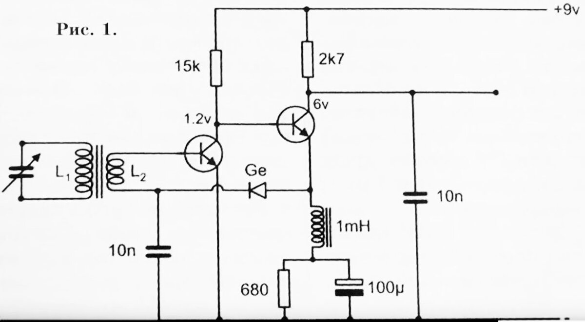
Приведенная схема проста хороша и лаконична. Токи и напряжения на выводах обоих транзисторов стабилизированы и подбора резисторов в такой схеме не нужно. Задающий основной ток питания резистор 2,7к обеспечивает хорошую экономию батарей - вся схема потребляет 1мА тока.
Примененный германиевый транзистор, благодаря своим свойствам, обеспечивает ток базы первого транзистора, смещая его рабочую точку в зону (на участок) максимальной чувствительности (усиления). ВЕРНЕМСЯ К РЕФЛЕКСИИ Рефлексия – это не просто интеллектуальная, а довольно сложная духовная деятельность, связанная и с эмоциональной, и с оценочной сферами. Такой расклад нам не подходит - с чего вдруг транзистору в схеме эмоционально и интеллектуально раздумывать над своим поведением ?
(шутка автора с горы Холодильник) Быть может Системные Админы способны пролить свет на это ....
Системная рефлексия — это рефлексия, основанная на самодистанцировании и взгляде на себя со стороны, она позволяет видеть одновременно полюс субъекта
Оглавление
Рефлексный радиоприёмник
Рефлексный радиоприёмник

Приведенная схема проста хороша и лаконична. Токи и напряжения на выводах обоих транзисторов стабилизированы и подбора резисторов в такой схеме не нужно. Задающий основной ток питания резистор 2,7к обеспечивает хорошую экономию батарей - вся схема потребляет 1мА тока.
Примененный германиевый транзистор, благодаря своим свойствам, обеспечивает ток базы первого транзистора, смещая его рабочую точку в зону (на участок) максимальной чувствительности (усиления).

ВЕРНЕМСЯ К РЕФЛЕКСИИ

Рефлексия – это не просто интеллектуальная, а довольно сложная духовная деятельность, связанная и с эмоциональной, и с оценочной сферами.

Такой расклад нам не подходит - с чего вдруг транзистору в схеме эмоционально и интеллектуально раздумывать над своим поведением ?
(
шутка автора с горы Холодильник)

Быть может Системные Админы способны пролить свет на это ....
Системная рефлексия —
это рефлексия, основанная на самодистанцировании и взгляде на себя со стороны, она позволяет видеть одновременно полюс субъекта и полюс объекта.

И всё как то не так - ну на вспоминать же "Собачку Павлова" с её условными рефлексами !?! Причем тут транзисторы и схемы ?

Рефлексный радиоприёмник — вид радиоприемника, в котором некоторые каскады (транзисторные или ламповые) используются одновременно для усиления радио- и звуковых частот. Преимуществом рефлексных приёмников является возможность сократить количество используемых радиодеталей, прежде всего транзисторов или радиоламп, так как они, на момент появления данного типа приёмника, были дороги, а лампы, кроме того, потребляют большую мощность.

Так вот где "собачка зарылась" ! Выходит РЕФЛЕКСЫ В СХЕМАХ это повторное использование каскадов и деталей!

Баа! тогда я знаю РЕФЛЕКСНЫЙ ЧАЙ ! Это когда заварной пакетик по два раза заваривают или одну и ту же заварку по третьему разу "дифференцируют"... (шутка автора с горы Холодильник).

Ну ладно , наверное уже улыбнулись ;-) В общем схемку с Рис.1. я вам рекомендую - она проста и устойчива. Только не повторяйте её банально ! - спробуйте поменять катушки и контура уйдя с ДВ и СВ диапазона.
На УКВ я конечно не залез, но в КВ диапазоне несколько радиостанций словил. Катушки делал без сердечников (без феррита), кольца по 3 см диаметром, проволока толстая 1,2мм витков (первая) 15+5 (дроссель) 6 (почти). транзисторы взял КТ315(Г)(В), резистор 15к заменил на 22к , вместо электролита 100m использовал неполярный на 20мкф, слушал на ДЭМ(4). Антенна была штатная от РП "ВЭФ". (телескоп).

МАЛЕНЬКОЕ ЗАМЕЧАНИЕ ПО СХЕМАМ

Можно использовать и вот такую схему рефлексного РП
Можно использовать и вот такую схему рефлексного РП

Тут придется вспомнить про фильтры ВЧ - Если низкочастотный сигнал, поступающий с нагрузки детектора на вход транзистора, хорошо «очищен» от высокочастотной составляющей, взаимных помех не будет, но ,если фильтрация сигнала отсутствует или она недостаточна, приемник из-за положительной обратной связи по высокой частоте между выходом и входом транзистора обязательно перейдет в режим генерации (самовозбуждения).

Какую схему использовать - абсолютно ваше дело, но по количеству деталей, простоте сборки и настройке, а еще и по громкости первая схема просто прелесть.
Впрочем я могу и ошибаться и, возможно у вас
УВАЖАЕМЫЕ РАДИОЛЮБИТЕЛИ в закромах или в голове найдется парочка простых схем для Меня (автора с горы Холодильник) ну и разумеется для тех кому нравится своими руками собирать и делать всевозможные устройства (и не обязательно электронные!)

На этом пока
Искренний ваш
Д.К.