Найти в Дзене
Дмитрий Компанец

Делаем радиоприемник работающий от одной пальчиковой батарейки.

Проще радио-приемника наверное трудно себе представить. И при этом играет он довольно громко, а поместиться может вместе с батарейкой в спичечном коробке. Беда только в том - где нынче спички в коробках искать ? Строится такой радиоприемник из пары резисторов , указанного на схеме номинала, пары постоянных конденсаторов и колебательного контура который может быть куплен, взят, сделан самостоятельно путем наматывания небольшого количества проволоки на ферритовый стержень. Конденсатор переменной емкости (он на схеме со стрелочкой) придется поискать или прикупить. Сердце схемы является удивительный "транзистор" ТА7642 , хотя называть транзистором микросхему содержащую и радиокаскад и промежуточный и оконечный усилители не очень верно, но, при желании и умении, вы прекрасно можете заменить эту микросхему транзистором к примеру таким как КТ315. TA7642 микросхема, Однокристальный АМ приемник с встроенным усилителем/детектором, корпус TO-92.
Внутри микросхема выглядит вот так Рассмотрев с
Схема простого радиоприемника работающего от полутора вольт
Схема простого радиоприемника работающего от полутора вольт

Проще радио-приемника наверное трудно себе представить. И при этом играет он довольно громко, а поместиться может вместе с батарейкой в спичечном коробке. Беда только в том - где нынче спички в коробках искать ?

Строится такой радиоприемник из пары резисторов , указанного на схеме номинала, пары постоянных конденсаторов и колебательного контура который может быть куплен, взят, сделан самостоятельно путем наматывания небольшого количества проволоки на ферритовый стержень. Конденсатор переменной емкости (он на схеме со стрелочкой) придется поискать или прикупить.

Сердце схемы является удивительный "транзистор" ТА7642 , хотя называть транзистором микросхему содержащую и радиокаскад и промежуточный и оконечный усилители не очень верно, но, при желании и умении, вы прекрасно можете заменить эту микросхему транзистором к примеру таким как КТ315.

TA7642 микросхема, Однокристальный АМ приемник с встроенным усилителем/детектором, корпус TO-92.
Внутри микросхема выглядит вот так

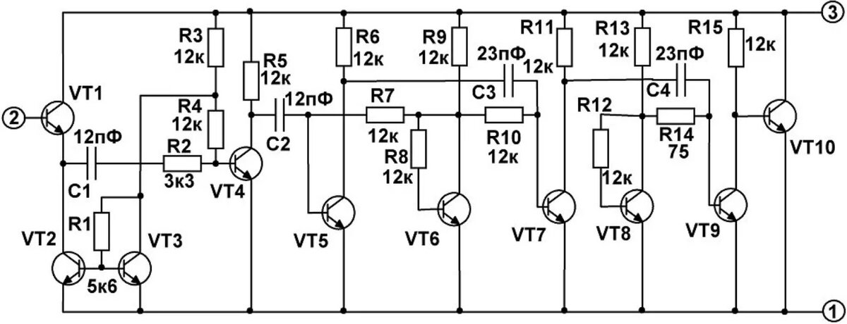
Микросхема ТА7642 и её принципиальная схема
Микросхема ТА7642 и её принципиальная схема

Рассмотрев схему микросхемы не трудно понять, что представляет она собой многокаскадный усилитель начинающийся с УВЧ усилителя радиочастоты и заканчивающийся усилителем на транзисторе VT10 с открытым коллектором.

В схеме используется только одна намоточная деталь – катушка L1 магнитной антенны. Для приёма радиостанций диапазона Средних Волн (СВ) количество витков катушки должно составлять 80 – 90 витков медного провода в лаковой изоляции типа ПЭВ, ПЭЛ, ПЭТВ, ПЭЛШО (в дополнительной шёлковой изоляции, как правило, синего цвета) диаметром 0,1 – 0,25 мм.

Намотку катушки можно производить как непосредственно на ферритовый стержень (с магнитной проницаемостью 400 – 2000, диаметром 6 – 9 мм, и длиной 50 – 200 мм), так и на бумажный (пластиковый, картонный) каркас, предварительно намотанный на стержень и склеенный так, чтобы после намотки катушки, ферритовый стержень мог двигаться относительно катушки, что позволит производить дополнительные настройки при приёме определённых радиостанций. Намотку производить в один слой равномерно по поверхности каркаса, зафиксировав концы катушки клеем, скотчем, нитками или любым другим способом.

При приёме радиостанций надо учитывать то, что магнитная антенна имеет не круговую (как у штыря) направленность приёма, а в виде восьмёрки, поэтому её положение возможно менять в пределах 90 градусов, ориентируясь на громкость приёма. Конденсатор переменной ёмкости двухсекционный, поэтому переключение поддиапазонов приёма можно производить подключением  одной или двух  секций.
Для приёма в Длинноволновом диапазоне Волн (ДВ) количество витков катушки L1 должно составлять около 250 витков, а для приёма Коротковолнового диапазона Волн (КВ) количество витков должно быть менее 50.

Раньше на базе этой микросхемы делалось не мало разных "карманных радио" принимавших станции ДВ и СВ диапазона. В наши дни, когда радиостанции ДВ и СВ замолкли, эти микросхемы продаются буквально за даром, но могут еще пригодиться.

На базе этой микросхемы вы можете запросто организовать "домашнюю" радиосвязь используя простейший передатчик собранный , к примеру из телевизионного пульта и вещающий как раз в диапазоне ДВ.

Если собирать радиоприемники для вас пока сложно , а слушать радио хочется - разнообразные "Радио" вы всегда можете и купить ...

Но творчество предпочтительнее!
Искренний Ваш
Д.К.