Добавить в корзинуПозвонить
Найти в Дзене
GS-Heat

1.Как мы тратим кучу времени на рутинные манипуляции в Autocad.

Приветствую! Мне 25 лет и я инженер-проектировщик паровых и водогрейных котельных. Каждый раз наблюдая, как коллеги проектируют свои объекты , грубо говоря на коленках, прихожу в тихий ужас.
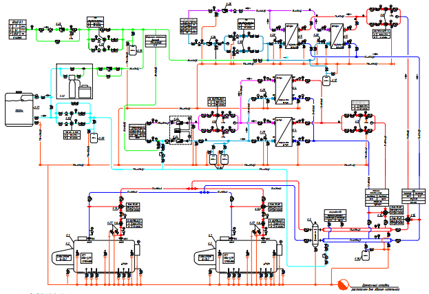
Проектировщики, которые уже 10 лет в свой сфере считают, рисуют примитивами тепловую схему, а потом в лучшем случае печатают ее и начинают считать трубопроводную арматуру и оборудование карандашиком на бумаге. На создание просто схемы и подсчета необходимых изделий уходит очень много часов, а порой и сутки. Для понимания схема выглядит примерно так: И каждый раз я наблюдаю, как люди сидят и считают каждый элемент, что-то умножают и вычитают...
Мой учитель математики всегда говорила " Мы же ленивые" и я начал думать, как бы сделать так, чтобы стандартными функциями Автокада все привести к автоматическому подсчету. Выход сразу нашелся - это блоки! Сперва это были простые блоки, где имели название блока (Затвор дисковый) и атрибут DN (DN50) на картинке вы могли заметить а

Приветствую! Мне 25 лет и я инженер-проектировщик паровых и водогрейных котельных. Каждый раз наблюдая, как коллеги проектируют свои объекты , грубо говоря на коленках, прихожу в тихий ужас.
Проектировщики, которые уже 10 лет в свой сфере считают, рисуют примитивами тепловую схему, а потом в лучшем случае печатают ее и начинают считать трубопроводную арматуру и оборудование карандашиком на бумаге. На создание просто схемы и подсчета необходимых изделий уходит очень много часов, а порой и сутки.

Для понимания схема выглядит примерно так:

И каждый раз я наблюдаю, как люди сидят и считают каждый элемент, что-то умножают и вычитают...
Мой учитель математики всегда говорила " Мы же ленивые" и я начал думать, как бы сделать так, чтобы стандартными функциями Автокада все привести к автоматическому подсчету. Выход сразу нашелся - это
блоки!

-2

Сперва это были простые блоки, где имели название блока (Затвор дисковый) и атрибут DN (DN50) на картинке вы могли заметить атрибут Производитель (Gross) , но он оказался бесполезным. Теперь даже при помощи такого простого инструмента, я мог на схеме рисовать все нужные мне элементы и считать их в два счета при помощи извлечения данных из блоков. Выглядел подсчет вот так:

-3

На первое время мне этого хватало предостаточно и даже так я уже считал схему намного быстрее коллег. Но мне этого было недостаточно, даже используя блоки которые есть, много приходилось вбивать вручную, при заполнении спецификации. Немного, как говорит моя коллега "пошукав" интернет я настолько преисполнился, что переделал абсолютно все используемые блоки. Теперь я не вбивал вручную данные, а выбирал из выпадающего списка. Хочу заметить, что выбирая изделие, которое мне нужно, в нем уже содержалась вся информация для спецификации А3. Выглядело это так:

-4

Имея паспорт производителя, я вбивал данные по паспорту , а также если необходимо - указывал примечания для отдельных элементов ( например на картинке термометр фирмы Росма - 2 этап)

-5

В пару кликов считались необходимые мне группы элементов! оставалось только проставить позицию и внести данные на листы.
Теперь имея весь набор блоков для паровой и водогрейной котельной время затрачиваемое на создание схему сводится к минимуму.

Это была моя первая статья по Autocad. В дальнейшем я буду делиться своим опытом по "автоматизации проектирования", если это можно так назвать! До встречи!