Добавить в корзинуПозвонить
Найти в Дзене
Сергей Гайдук

ЭЛЕКТРОНИКА + ЕСКД

Здравствуйте мои читатели! И особенно начинающие электронщики!!! Продолжаем изучение транзисторов и каскадов на транзисторах. А если быть точнее – какие транзисторы бывают «внутри» и для чего эти сложности… И начнем с «транзистора Дарлингтона». После создания транзистора в 1947 году оказалось, что этот новый радиоэлемент имеет не такие уж высокие параметры по сравнению с радиолампами за исключением низкого напряжения питания и отсутствия накала ( это очень хорошая экономия на питании, но в остальном … ). Сразу возникла необходимость повышения коэффициента каскада и увеличение рабочей частоты каскада… Оба эти параметра зависели от технологии изготовления транзисторов. А техника требовала всё больших и больших схемных решений. И одним их первых таких решений по повышению коэффициента усиления каскада стало соединение двух ( и более ) транзисторов в одном каскаде. На Рис 1. Приведены два варианта внутреннего содержимого транзистора Дарлингтона. Вариант – а) маломощный транзистор Дарлингто

Здравствуйте мои читатели! И особенно начинающие электронщики!!!

Продолжаем изучение транзисторов и каскадов на транзисторах.

А если быть точнее – какие транзисторы бывают «внутри» и для чего эти сложности…

И начнем с «транзистора Дарлингтона». После создания транзистора в 1947 году оказалось, что этот новый радиоэлемент имеет не такие уж высокие параметры по сравнению с радиолампами за исключением низкого напряжения питания и отсутствия накала ( это очень хорошая экономия на питании, но в остальном … ). Сразу возникла необходимость повышения коэффициента каскада и увеличение рабочей частоты каскада… Оба эти параметра зависели от технологии изготовления транзисторов. А техника требовала всё больших и больших схемных решений. И одним их первых таких решений по повышению коэффициента усиления каскада стало соединение двух ( и более ) транзисторов в одном каскаде.

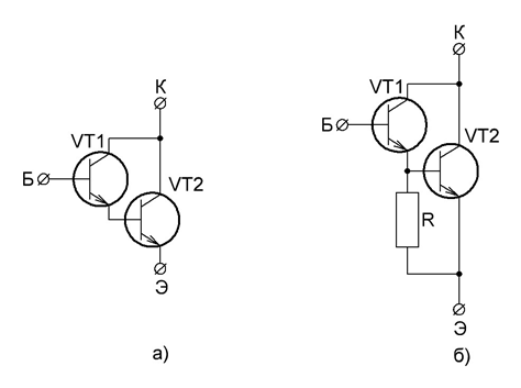
Рис 1. Внутренняя схема транзистора Дарлингтона, два варианта.
Рис 1. Внутренняя схема транзистора Дарлингтона, два варианта.

На Рис 1. Приведены два варианта внутреннего содержимого транзистора Дарлингтона. Вариант – а) маломощный транзистор Дарлингтона с очень высоким коэффициентом усиления; вариант – б) мощный транзистор Дарлингтона. Как известно, при таком соединении транзисторов общий коэффициент равен произведению коэффициентов двух транзисторов: βоб = β1хβ2. В первом варианте βоб достигает очень большой величины, иногда 50000! Для чего же так много? Очень высокий коэффициент необходим в операционных усилителях и в специальных усилителях ( о них будет отдельный материал ). Второй вариант имеет более низкую βоб ( порядка 750 … 1000 ), но зато такой транзистор имеет большую мощность и это позволяет применять такие транзисторы в стабилизаторах питания ( обеспечивает высокую точность параметров стабилизатора ) и Усилителях Звуковой Частоты ( УЗЧ ), за счет введения обратных связей, снижающих общий коэффициент усиления, но обеспечивают точную передачу формы сигналов с минимальными искажениями. Но у транзистора Дарлингтона есть и недостатки: частотные свойства хуже чем у отдельно взятых транзисторов, а также высокое начальное напряжение открывания базы за счет включения последовательно двух базовых переходов. При появлении первых мощных транзисторов Дарлингтона создание и настройка мощных УЗЧ, а так же высококачественных блоков питания, но недоступность таких транзисторов заставило радиолюбителей создавать аналоги таких транзисторов.

Рис 2. Аналог замены транзистора КТ827 дискретными элементами.
Рис 2. Аналог замены транзистора КТ827 дискретными элементами.

И таких аналогов было разработано очень много, кто авторы таких разработок я не знаю, просто хочу сказать СПАСИБО!!! Всем разработчикам.

Однако, большое пороговое напряжение для открытия базы натолкнуло на новую разработку и такой разработкой стала схема Шиклаи.

Рис 3. Составной транзистор – схема Шиклаи.
Рис 3. Составной транзистор – схема Шиклаи.

В отличии от схемы Дарлингтона, здесь для входного сигнала включен только один базовый переход и, следовательно, порог отпирания в два раза меньше. Все остальные преимущества и недостатки аналогичны транзистору Дарлингтона. При таком включении как на Рис 3. этот составной транзистор эквивалентен транзистору N – P – N по питающим напряжениям.

Рис 4. Интересная схема, сделанная почти как схема Шиклаи.
Рис 4. Интересная схема, сделанная почти как схема Шиклаи.

Схема на Рис 4. похожа на схему Шиклаи, но отличается добавлением двух резисторов и параметры схемы существенно изменяются: коэффициент каскада по напряжению теперь равен соотношению резисторов Ku ≅1+R1/R2, но входное сопротивление схемы возросло и очень существенно - Rвх = R2 х(β1хβ2 + β1 + 1)

При создании транзисторов Дарлингтона и Шиклаи хотели получить высокий коэффициент усиления и его получили, а позднее возникла проблема - с повышением мощности снижается входное сопротивление каскада и решение было найдено: на входе каскада добавили полевой транзистор с изолированным затвором, так появился IGBТранзистор. Его эквивалентная схема так же проста, но предоставляет очень большие возможности в разработке и применении важных узлов в силовой электронике.

Рис 5. Эквивалентная схема IGBТранзистора.
Рис 5. Эквивалентная схема IGBТранзистора.

Изолированный затвор на входе составного транзистора позволяет управлять большими мощностями подачей маломощного сигнала, так как входной ток практически отсутствует, а мощность, управляемая коллекторной цепью может быть очень большой ( напряжение до 1200 Вольт и ток до 96 Ампер в зависимости от марки транзистора ).

Рис 6. Эквивалентная схема однопереходного транзистора.
Рис 6. Эквивалентная схема однопереходного транзистора.

Однопереходной транзистор ( советская разработка - КТ117 ), очень интересный радиоэлемент! На его основе создавались и продолжают работать многие устройства! Начинающие электронщики могут попробовать свои силы в разработке и наладке схем регуляторов мощности и простейших генераторов, для этого и приведена эквивалентная схема на Рис 6. О самих устройствах так же будет отдельный материал.

Еще один составной транзистор из советских времён – КТ118А. В одном корпусе этого радиоэлемента находятся два одинаковых по параметрам транзистора ( идентичность достигается изготовлением на одном кристалле сразу двух транзисторов ) и предназначались для создания аналоговых коммутаторов сигнала.

Рис 7. Ячейка коммутатора на транзисторе КТ118А.
Рис 7. Ячейка коммутатора на транзисторе КТ118А.

Данная ячейка позволяла коммутировать как импульсные сигналы, так и аналоговые. Проверенная схема работает отлично! В своё время пришлось делать работающий коммутатор на осциллограф «4 канала на Х и 4 канала на Y» с синхронным переключением. В настоящее время выпускаются микросхемы на полевых транзисторах с изолированным затвором и данные транзисторы оказались «не у дел»!

Ещё один транзисторный каскад – «токовое зеркало». Без этого каскада трудно выполнить дифференциальный каскад хорошего качества.

Рис 8. Самый простой каскад «токовое зеркало».
Рис 8. Самый простой каскад «токовое зеркало».

Обязательным условием хорошей работы этого каскада является полная идентичность двух транзисторов, что достигается их изготовлением на одном кристалле одновременно ( обычно это делается при изготовлении на одном кристалле всего операционного усилителя в схеме которого применяется «токовое зеркало» и иногда их несколько ).

Рис 9. Дифференциальный усилитель с «токовым зеркалом».
Рис 9. Дифференциальный усилитель с «токовым зеркалом».

В дифференциальном каскаде могут применяться и очень сложные «токовые зеркала». В любительской практике «токовые зеркала» простые или сложные можно сделать при условии тщательного подбора транзисторов.

И небольшое дополнение к микросхемному производству…

Рис 10. Основа микросхем Транзисторно-Транзисторной Логики.
Рис 10. Основа микросхем Транзисторно-Транзисторной Логики.

Эта схема пример выполнения каскада цифровых микросхем ТТЛ. В качестве примера приведена схема «3И-НЕ», если входы сложного многоэмиттерного транзистора не подключены к «земле», что эквивалентно «логическим единицам» на выходе каскада будет низкое напряжение – «логический ноль». Достаточно любой из эмиттеров подключить к «земле» VT1 открывается и на базе VT2 напряжение уменьшается до нуля, транзистор закрывается и на выхода будет «логическая единица». Многоэмиттерный транзистор может содержать больше трёх эмиттеров – максимально восемь. Соединяя разными способами такие каскады, содержащие различные ячейки ( 1 … 8 эмиттеров ), можно построить схему, решающую любую математическую задачу! И Ваш компьютер, ноутбук или любой другой гаджет собран из миллионов и даже миллиардов таких ячеек, только более быстродействующих и более экономичных.

Вот коротко о содержимом сложных транзисторов или того, что мы называем транзистором, хотя иногда там не только один транзистор...

В следующем материале рассмотрим, что еще могут добавить к транзистору, и это будет находиться в одном корпусе.

Если материал понравился, и Вы нашли в нём полезное для себя не посчитайте за труд и оставьте свой отзыв! Очень буду рад прочитать Ваши комментарии.

Чаще заходите на мой канал, подписывайтесь! Информация учебного и познавательного характера будет регулярно пополняться!

Желаю Всем читателям здоровья и успехов в творчестве!!!