Найти в Дзене
Radio-любитель

Чувствительный детектор электросмога

Всем здравствуйте. Электросмог — это мешающее переменное электромагнитное поле в широком частотном диапазоне, которое излучается различными электронными устройствами, подключенными к линиям электропередач. Хотя до сих пор остается предметом споров, насколько электросмог вреден для организмов, в любом случае интересно выяснить, какие объекты и с какой интенсивностью излучают его. Для обнаружения

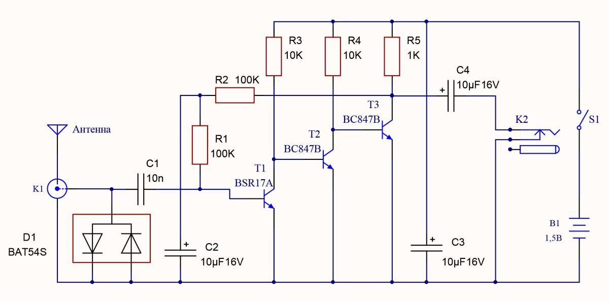
Всем здравствуйте. Электросмог — это мешающее переменное электромагнитное поле в широком частотном диапазоне, которое излучается различными электронными устройствами, подключенными к линиям электропередач. Хотя до сих пор остается предметом споров, насколько электросмог вреден для организмов, в любом случае интересно выяснить, какие объекты и с какой интенсивностью излучают его. Для обнаружения электросмога мы можем использовать простое устройство, описанное в этой статье. Принципиальная схема приведена на рисунке.

Схема детектора для обнаружении помех "электросмога"
Схема детектора для обнаружении помех "электросмога"

Основой детектора является трехкаскадный усилитель низкой частоты на транзисторах T1 - T3. Для простоты между транзисторами существует связь по постоянному току, поэтому они работают только с небольшим напряжением коллектора около 0,7В. Рабочие точки постоянного тока всех транзисторов задаются в линейной области с помощью цепи отрицательной обратной связи резисторами R1 и R2. Блокирующий конденсатор C2 предотвращает передачу низкочастотного сигнала через цепь обратной связи, тем самым уменьшая коэффициент усиления усилителя. Чтобы усилитель имел как можно меньше собственных шумов на входе установлен малошумящий транзистор T1 BSR17A.

Усиленный низкочастотный сигнал оценивается на слух с помощью стереонаушников с сопротивлением более 30 Ом, которые подключены к коллектору T3 через гнездо стереоразъёма K2 и разделительный конденсатор C4. Наушники подключены последовательно, общий разъем для наушников ни к чему не подключается.

Электросмог обнаруживается антенной, которая подключена ко входу усилителя через разъем K1 и разделительный конденсатор C1. Двойной диод Шоттки D1 ​​подключен параллельно входу K1, который служит для ограничения более сильных радиочастотных сигналов, подаваемых на разъем K1. Низкочастотный сигнал от антенны (например, с частотой сети 50 Гц) усиливается непосредственно усилителем.

Для обнаружения электрического поля используется короткая стержневая антенна, подключенная к внутреннему контакту разъема K1. А тело скажем так оператора служит емкостным противовесом антенне, потому что мы держим блок детектора в руке при обнаружении электромагнитного поля. Стержневая антенна изготовлена ​​из медной проволоки диаметром около 2 мм в ПВХ изоляции. Один конец провода припаивается к внутреннему контакту штекера (который вставляется в разъем К1), на другом конце провода образуется делаем петлю диаметром около 10 мм так что антенна нас не поранила. Общая длина антенны должна составлять примерно 200 мм.

Детектор питается напряжением от 1,2 до 1,5В от одной батареи или аккумулятора. При напряжении 1,5В потребляемый ток питания примерно 1 мА. Электропитание включается переключателем S1. Цепь питания зашунтирована конденсатором С3. Из-за низкого напряжения питания мощность выходного сигнала в наушниках не велика, поэтому наушники нас не оглушат и будет прослушивание скажем так комфортно.

Сам детектор, сконструирован на SMD-компонентах и вместе с элементом питания встроен в небольшую коробку, спаянную из фольгированного стеклотекстолита. Конечно, детектор также может быть выполнен на обычных дискретных элементах и установлен в подходящую металлическую коробку с блоком питания. Детектор очень простой и не требует настройки, при монтаже без ошибок работает сразу при подаче питания. Когда антенна отключена от разъема K1, в наушниках должен быть слышен собственный шум усилителя. Подключив антенну, мы можем начинать прослушивать с его помощью различные источники электросмога.

-2