Добавить в корзинуПозвонить
Найти в Дзене
HamRadio

Чувствительный индикатор резонанса

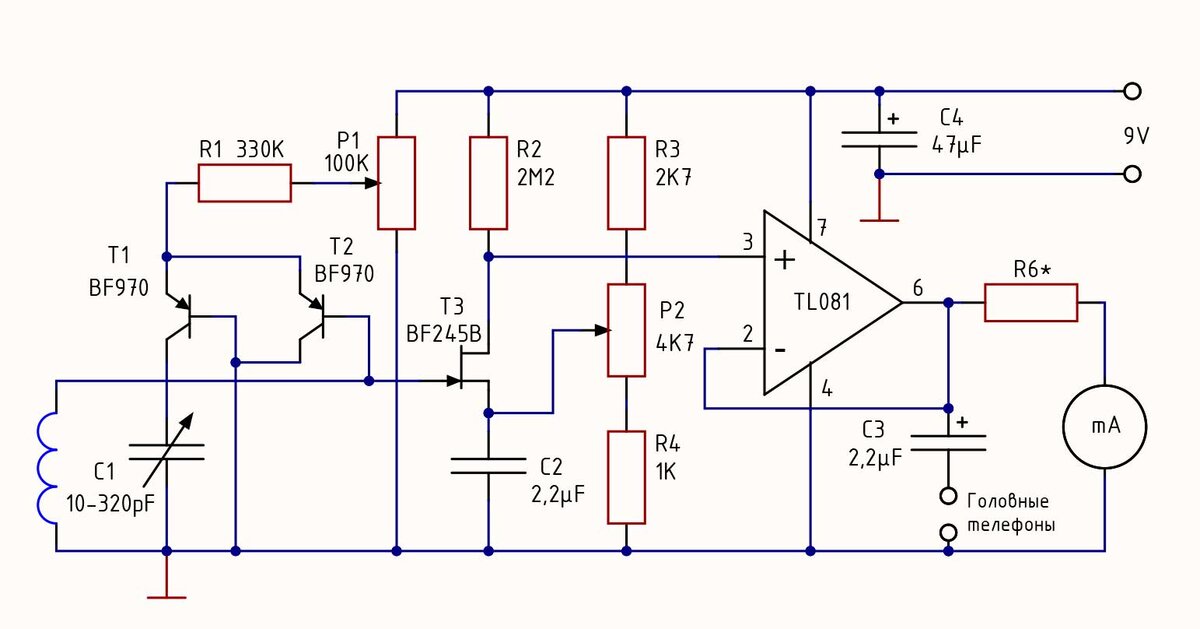
Всем здравствуйте. Сегодня есть огромное количество разнообразных измерительных приборов, но и старые классические схемы многие до сих пор используют в радиолюбительской практике. Вот попалась схема этого устройства (его можно по-простому называть гетеродинный индикатор резонанса), которое имеет повышенную чувствительность, благодаря тому что разделены каскад, имитирующий отрицательное сопротивление (Т1, Т2), и каскад, осуществляющий демодуляцию (Т3). Порог ограничения генерации может быть установлен потенциометром Р1. Оставаясь ниже этого порога (так называемы пассивный режим), необходимо отрегулировать потенциометр Р2 на малое начальное отклонение стрелки индикатора. Принципиальная схема представлена на рисунке. Входная катушка настраивается на определенную частоту переменным конденсатором С1. Как только на нее будет наведен сигнал с такой же частотой, отклонение стрелки миллиамперметра увеличится. Когда движок потенциометра Р1 подходит к положительному выводу питания, наблюдается

Всем здравствуйте. Сегодня есть огромное количество разнообразных измерительных приборов, но и старые классические схемы многие до сих пор используют в радиолюбительской практике. Вот попалась схема этого устройства (его можно по-простому называть гетеродинный индикатор резонанса), которое имеет повышенную чувствительность, благодаря тому что разделены каскад, имитирующий отрицательное сопротивление (Т1, Т2), и каскад, осуществляющий демодуляцию (Т3).

Порог ограничения генерации может быть установлен потенциометром Р1. Оставаясь ниже этого порога (так называемы пассивный режим), необходимо отрегулировать потенциометр Р2 на малое начальное отклонение стрелки индикатора. Принципиальная схема представлена на рисунке.

Схема индикатора резонанса
Схема индикатора резонанса

Входная катушка настраивается на определенную частоту переменным конденсатором С1. Как только на нее будет наведен сигнал с такой же частотой, отклонение стрелки миллиамперметра увеличится. Когда движок потенциометра Р1 подходит к положительному выводу питания, наблюдается резкое увеличение отклонения стрелки.

Это указывает на то, что происходит переход первого каскада к режиму генерации (активный режим). В этом режиме стрелка индикатора отклоняется в обратную сторону, как только его катушка приблизится к пассивному резонансному контуру, настроенному на такую же частоту. Это связано с отсосом энергии контуром от генератора. Также тут можно применить головные телефоны, которые должны иметь сопротивление (более 300 Ом).

-2