Найти в Дзене

Метод расчета на Mathcad переходного теплового процесса по эквивалентной тепловой схеме замещения

Дугинов Л.А. L.duginov@mail.ru Ключевые слова: эквивалентная тепловая схема замещения, тепловые сопротивления, тепловые переходные сопротивления, тепловые потоки, расчёты на Mathcade, графики нагрева тела в переходном режиме. Введение Расчёты распределения температуры в нагреваемом теле для стационарного режима с помощью эквивалентных тепловых схем замещения получили широкое распространение в практических инженерных расчётах электрических машин и трансформаторов, особенно с внедрением ЭВМ в расчётную практику. Это развитие метода шло в противовес аналитическим методам решения стационарных задач, которые как известно, приводили к сложным и громоздким формулам. Поэтому естественно, было бы очень заманчиво разработать метод решения переходных тепловых задач на эквивалентных тепловых схем замещения. Такой метод был разработан в начале 1970-х годов и применён в ЦКБ Минэнерго СССР при разработке проектов модернизации систем охлаждения турбогенераторов. Следует особо отметить, что
Оглавление

Дугинов Л.А. L.duginov@mail.ru

Ключевые слова: эквивалентная тепловая схема замещения, тепловые сопротивления, тепловые переходные сопротивления, тепловые потоки, расчёты на Mathcade, графики нагрева тела в переходном режиме.

Введение

Расчёты распределения температуры в нагреваемом теле для стационарного режима с помощью эквивалентных тепловых схем замещения получили широкое распространение в практических инженерных расчётах электрических машин и трансформаторов, особенно с внедрением ЭВМ в расчётную практику. Это развитие метода шло в противовес аналитическим методам решения стационарных задач, которые как известно, приводили к сложным и громоздким формулам. Поэтому естественно, было бы очень заманчиво разработать метод решения переходных тепловых задач на эквивалентных тепловых схем замещения. Такой метод был разработан в начале 1970-х годов и применён в ЦКБ Минэнерго СССР при разработке проектов модернизации систем охлаждения турбогенераторов. Следует особо отметить, что решение нестационарной задачи с помощью эквивалентной тепловой схемы замещения потребовало незначительные доработки этой схемы, а именно включение в схему дополнительных ветвей, моделирующих процесс нагрева (или охлаждения) в заданных телах.

Метод расчета на Mathcade переходного теплового процесса по эквивалентной тепловой схеме замещения

В переходном режиме в отличии от стационарного режима температура тела, через которое проходит тепловой поток в , всё время изменяется. При нагреве температура тела может повышаться только за счет тепловых потоков, которые поступают и остаются в объёме нагреваемого тела. При остывании тела происходит обратный процесс за счет тепловых потоков, которые уходят из объёма остывающего тела.
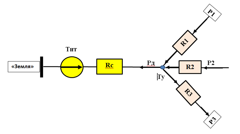
Вот этот простой механизм был спроектирован путём включения
дополнительной ветви в тепловую схему замещения, в которой моделировался процесс накопления тепла в теле. Данная ветвь состоит из источника температуры Тит и последовательно включённым с ним теплового сопротивления Rc (см. рис.1).
Один конец ветви подключается к намеченному узлу схемы
(центр нагреваемого тела), другой замыкается на "землю". В начальный момент переходного процесса величина Тит принимается равной температуре окружающей среды То, т.е. Тит=То. Так как температура Ту в подключаемом узле схемы в начальный момент всегда выше чем Тит, то через дополнительную ветвь начинает проходить тепловой поток Рд равный: Рд=(Ту-Тит) / Rc. Падение температуры на сопротивлении Rc должно показывать на сколько градусов увеличилась (или уменьшилась) величина Тит за данный выбранный промежуток времени dt при известных значениях величин массы Mo и удельной теплоёмкости тела Cm. Поэтому, величина Rc рассчитывается по формуле:

Рис.1 Схема подключения дополнительной ветви ( Тит+Rc)
к выбранному узлу тепловой схемы замещения.

-2
-3

Такая поправка на величину перепада температуры dT может считаться корректной если учесть, что при малых значениях временного шага dt погрешность всего теплового переходного расчёта становится менее 1 %.

-4

Ниже приводится пример расчёта на Mathcad переходного процесса нагрева деревянного дома размером 6 х 6 х 2.2 м в зимнее время.

Расчёт на Mathcad переходного процесса нагрева деревянного дома размером 6 х 6 х 2.2 м

Исходные данные

-5
-6

Рис. 2
Эквивалентная тепловая схема замещения процесса нагрева
деревянного дома размером 6 х 6 х 2.2 м

-7

Условные обозначения:

Rc1 - суммарное тепловое переходное сопротивление боковых стен, пола и потолка деревянного дома.
R2 - суммарное тепловое сопротивление боковых стен, пола и потолка деревянного дома (для 0,5 толщины стен)
R3 - суммарное тепловое сопротивление боковых стен, пола и потолка деревянного дома (для 0,5 толщины стен)
R4 - минимальное тепловое сопротивление батареи, необходимое для отдачи теплового потока Pb (Pb=Pk), где Pk- тепловая мощность котла.
Rc5 - суммарное тепловое переходное сопротивление всей массы воздуха в помещении деревянного дома.
Тc1 - начальная температура боковых стен, пола и потолка деревянного дома. в процессе теплового расчёта эта величина растёт и стремится к своему пределу.
Тo3 - температура воздуха на улице в зимнее время.
Тb4 - средняя температура батареи отопления дома.
Тc5 - начальная температура всей массы воздуха в помещении деревянного дома. в процессе теплового расчёта эта величина растёт и стремится к своему пределу.

-8
-9
-10

Распечатка текста программы на Mathcade расчёта процесса нагрева деревянного дома при заданной температуре воздуха на улице ( Тo3 ) (Расчёт проводится методом контурных тепловых потоков. Далее: Msx-квадратная матрица контурных тепловых сопротивлений, Vsx-матрица-столбец контурных источников температуры, Q1-Q3 - контурные тепловые потоки, p1-p5 - через тепловые сопротивления Rc1, Rc2, R3,R4 и Rc5).

-11

Продолжение текста программы на Mathcade ( расчёт падения температуры DT1-DT2 на тепловых сопротивлениях Rc1, Rc2, R3,R4 и Rc5, расчёт текущих значений температур Tc1 и Tc5)

-12

Продолжение текста программы на Mathcade
(Логический оператор "if-если", позволяющий на каждой итерации ограничивать мощность нагревателя (Pkot ) по контрольной величине максимальной допустимой температуре воздуха в помещении дома T1o=20 C, R4- текущее тепловое сопротивление батареи отопления, необходимое для пропуска текущего значения величины теплового потока Pkot )

-13

Пояснения к графикам изменения температуры Тс5
от времени нагрева воздуха комнаты в доме tнагр.


Общее время нагрева в минутах можно определить по формуле:

-14

Общее время tнагр откладывается по оси Х. Минимальное значение Х=10 мин, максимальное значение Х=200 мин(3,33 часа). На графике откладываются 4 кривые для разных мощностях нагревателя (Pkot ). Самая нижняя кривая (красного цвета) соответствует расчёту переходного процесса при минимально допустимой мощности нагревателя - Pmin. Расчёт остальных 3-х кривых, обозначенных другими цветами, выполняется при повышенных мощностях нагревателя в 1,5 - 2.0 - 2. 5 раза по отношению к Pmin . Начальные значения величин Pkot приводятся под графиками. Если значения температуры воздуха в помещении дома начинает превышать T1o=20 C, то в следующей итерации (i+1) мощность нагревателя пересчитывается по формуле:

-15

Всего приводится 3 графика для разных температур воздуха на улице: Тул=-20 С, Тул=-10 С и Тул= 0 С.

Графики --- Тул=-20 С

-16

-17
-18

Выводы:

1. Расчёт переходного теплового процесса (особенно крупногабаритных объектов) описанным выше методом значительно упрощает математический аппарат, обычно используемый в таких задачах. Это позволяет приводить в пределах одного временного шага описание переходного процесса к системе линейных. Тогда весь процесс нагрева или охлаждения тела можно представить как последовательность этих временная шагов.
2. К основным достоинствам данного метода расчёта переходного процесса можно отнести возможность превращения эквивалентных схем замещения для стационарного режима в схем для переходного теплового режима, путём подключения к выбранным узлам дополнительных тепловых веток, содержащих соответствующие временные тепловые сопротивления и источники температур.
3. Приведённый выше в данной статье пример расчёта процесса нагрева деревянного дома в зимнее время следует рассматривать как учебный пример, в котором для простоты изложения многие элементы объедены в одно общее сопротивление. Отдельную ветвь получила только масса воздуха в помещение дома ( ветвь с Rc5 и Тс5). Остальные элементы конструкции дома учтены совместно ( ветвь с Rc1 и Тс1). Это не сильно занижает точность расчёта, если учесть, что основную погрешность в расчёт вносят примерные данные о теплофизических параметрах строительных матери-алов (удельный вес, коэффициенты теплопроводности и теплоёмкости), а также неточные данные о толщине и составе стен и перекрытий дома.
4. Результаты проведённых расчётов показывают, что для быстрого нагрева дома, рекомендуемую в разных нормах, величину тепловых потерь на 1 м2 необходимо увеличить в 2-2,5 раза, особенно при морозах ниже 10 °С.
5. Данную программу расчёта на Mathcade можно использовать как учебный тренажёр, позволяющий значительно ускорить процесс усвоения и понимания логики данной методики и несомненно будет полезной в практической деятельности широкого круга простых пользователей.

СПИСОК ЛИТЕРАТУРЫ

1. Гуревич Э. И. Рыбин Ю. Л. Переходные процессы в электрических машинах.-Л.: Энергоатомиздат. Ленингр.отд-ние, 1983.
2. Филиппов И.Ф. Теплообмен в электрических машинах. М.: Энергоатомиздат,1986.
3. Коздоба Л. А. Электрическое моделирование явлений тепло-и массопереноса. М., Энергия,1972.
4. Аврух В. Ю. Дугинов Л. А. Теплогидравлические процессы в турбо- и гидрогенераторах М.: Энергоиздат, 1991
5. Дьяконов В.П. Mathcad8-12 для студентов. Серия «Библиотека студента» М.; СОЛОН-Пресс, 2005.

Наука
7 млн интересуются