Вчера МАГАТЭ официально подтвердило, что российское министерство обороны добилось отключения Хмельницкой АЭС (полностью) и энергоблока №4 Ровенской АЭС (всего 3 ГВт мощности) без ударов по сооружениям самих электростанций. То есть ответ на вопрос в названии статьи – положительный. Но как всё-таки это было достигнуто?
В статье от 1 ноября я писал, что в связи с тем, что наша стратегия ударов с выхолащиванием украинской энергосистемы (выбивания трансформаторов до минимального сохранения структурной схемы) такой цели достигнуть не сможет. Но у данного утверждения есть один нюанс, который, судя по всему, как раз и учли в планах ударов 15 ноября.
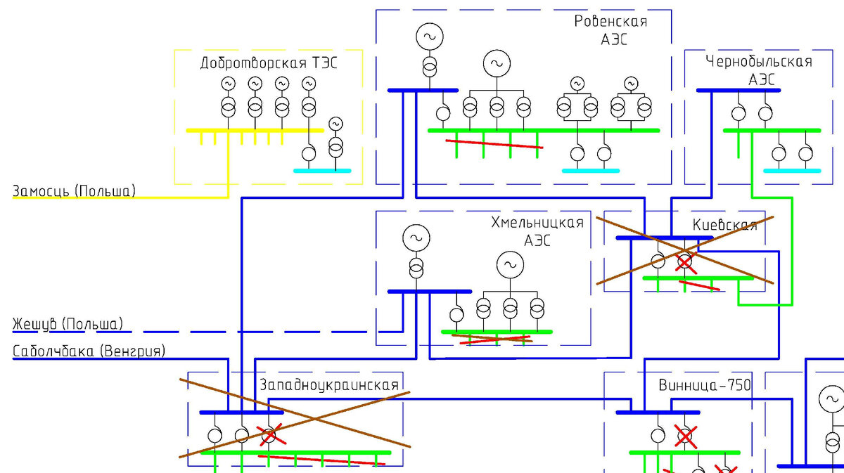
Дело в том, что уже первые удары по энергосистеме выявили плохое состояние противоаварийной автоматики на украинских подстанциях. Это приводило к тому, что при выбивании одного силового автотрансформатора, подстанция отключалась целиком, хотя при нормальной работе вторичных систем такого не должно было происходить. Объясню принцип работы автоматики на примере ПС 750 кВ Киевская.
Упрощённая схема этой подстанции выглядит как-то так: две трансформаторных группы, схема ОРУ 750 и 330 кВ – 3/2 (предположительно).
Что у нас должно происходить при ударе по любому автотрансформатору 750/330 кВ (красный крест, 1)? Релейная защита подстанции должна локализовать место повреждения, отключив два выключателя на ОРУ 750 кВ и два – на ОРУ 330 кВ (2). Вторая автотрансформаторная группа при этом получит перегрузку (до 50% от номинальной мощности). Долго силовые автотрансформаторы в таком режиме работать не смогут, поэтому противоаварийная автоматика должна будет снизить нагрузку либо где-то в системе, либо банально на самой подстанции – отключением одной из линий 330 кВ:
1) Киевская – ОРУ Чернобыльской АЭС;
2) Киевская – Северная №1;
3) Киевская – Северная №2;
4) Киевская – Новокиевская.
Отключать ЧАЭС бессмысленно (там нагрузки с гулькин нос), одну из ВЛ на Северную – тоже (перегрузка свалится на оставшуюся), то есть выключится ВЛ на Новокиевскую (3). Таким образом, автотрансформаторы избавятся от перегрузки, и подстанция продолжит свою работу хоть и в аварийном режиме, но без полного выключения. Горящий автотрансформатор при этом вполне себе могут тушить (на автоматическое пожаротушение тут рассчитывать не приходится – при взрыве оно однозначно выбывает), расстояния на ПС 750 кВ очень солидные.
На самом же деле подстанция просто вырубается целиком. Что там срабатывает неправильно или вообще не срабатывает – интересно, пожалуй, только узким специалистам. Факт в том, что вся нагрузка, проходящая через подстанцию, единомоментно вылетает. Но не только нагрузка – вылетает и транзит, то есть нет возможности перебросить мощность на непоражённую подстанцию, на ту же венгерскую Саболчбаку.
Зная это, и будучи уверенным в адекватном состоянии противоаварийки АЭС (ну не зря же туда наезжали инспектора в процессе поиска «грязной бомбы»), можно ударом по двум ПС 750 кВ – Киевской и Западноукраинской и трём ПС 330 кВ – Ровно, Хмельницкий и Шепетовка полностью отрубить нагрузку Хмельницкой АЭС. Реально, исходя из сообщения МАГАТЭ, хватило четырёх, причём работала подстанция 750 кВ (предполагаю, что это всё-таки Киевская – самая современная, плюс через Западноукраинскую оставался бы чёрной ход в Европу).
А дальше срабатывает базовый принцип работы энергосистемы – о ежесекундном балансе генерации и потребления электроэнергии. Все эти отключения – в идеале кратковременные, возможно на несколько минут, пока автоматика или персонал не включат обратно сработавшие линейные выключатели (реально процесс подрастянулся на два с половиной часа, чтобы как бы тоже говорит о состоянии противоаварийной защиты), но для отключения станции хватит нескольких секунд. У Хмельницкой АЭС нет своей ГАЭС (как у Южноукраинской) и нет местной нагрузки на 35-110-150 кВ (как у той же Южноукраинской и Ровенской), поэтому она просто обречена на выключение генерации в полном объёме. И включившиеся с запозданием подстанции получают от неё шиш, поезд ушёл…
До кучи попало и Ровенской АЭС, потому что у неё с Хмельницкой АЭС три общих питаемых подстанции: Киевская, Западноукраинская и Ровно. Оставшиеся (что тоже не факт) транзиты – три ВЛ 330 кВ и шесть ВЛ 110 кВ не в состоянии переварить 2,88 ГВт генерации электростанции, результатом чего явилось отключение гигаваттного энергоблока (предполагаю, что №4, подключённого к ОРУ 750 кВ).
МАГАТЭ напомнило (а украинские пропагандисты, возможно, подхватят) о том, что АЭС, оказывается, нужно внешнее электроснабжение (то, что оно почему-то постоянно пропадало и пропадает на Запорожской АЭС – это ж совсем другое). Но тут не вижу никаких проблем: Ровенская АЭС вообще в работе, а по Хмельницкой – достаточно подать напряжение на ОРУ 330 кВ. Стратегия выхолаживания энергосистемы посредством трансопада не подразумевает выноса подстанций вперёд ногами, соответственно, источников, несмотря на удары, хоть залейся (в отличии от ЗАЭС, где от 330 кВ и ниже он ровно один – Запорожская ТЭС):
1) с Ровенской АЭС – через ПС 330 кВ Ровно;
2) с Бурштынской ТЭС – через ПС 330 кВ Тернополь и Хмельницкий или через ПС 750/330 кВ Западноукраинская;
3) с Добротворской ТЭС (по слухам, «Дружбу» включили, типа что-то там чинили, поэтому электростанция опять может работать спокойно) – через ПС 330/220 кВ Радивилов и ПС 330 кВ Ровно или через транзит 220 кВ ДобТЭС – Луцк-Южная – Грабов и дальше снова Ровно.
Никуда не делся и друг Орбан с транзитом Саболчбака – Западноукраинская – ХмАЭС, но тут проблема в сетях 750 кВ – подозреваю, что линии вхолостую оставлять не будут, это потери и, более неприятное, огромная генерация реактивной мощности, которая будет путаться под ногами.
Так что без электроэнергии собственные нужды АЭС не останутся.
Теперь о дальнейших действиях. Подозреваю, что включение станции обратно в планах нашего министерства обороны не значится, поэтому вполне можно ожидать удара по ОРУ 750 кВ. Оно, если что, достаточно далеко от самих энергоблоков, более полукилометра.
Причём, даже есть предполагаемое место – это линейная ячейка ВЛ 750 кВ ХмАЭС – Жешув. Её сейчас должны (но уже не факт) срочно допиливать, чтобы типа выдавать с неё мощность в Польшу. Подозреваю, что будет ровно наоборот, и полякам самим придётся вкачивать мощность на Украину. И тогда ХмАЭС превратится фактически в польский распредпункт 750/330 кВ, что, очевидно, тоже не желательно. Так что ждём. Кстати, на ОРУ 750 кВ, в общем-то, не горючего, всё-таки имеются устройства, очень подходящие для пожара – это шунтирующие реакторы. Без них работа линий весьма затруднена, а весьма интересный момент включения ВЛ – вообще может быть невозможен.
Любопытно, что если всё-таки эту линию включат, то в украинской энергосистеме появится ещё одно уязвимое место, которое отмечено синим крестиком даже на европейских схемах. Как правило, при проектировании энергосистем стараются избежать пересечений линий сверхвысокого класса напряжений, в данном случае 750 кВ. Причина, думаю, очевидна – при обрыве провода на пересекающей ВЛ из строя выходит и пересекаемая линия. То есть просто серьёзная авария перерастает фактически в системную. И как раз такое пересечение имеется: недалеко от г. Радивилов в чистом поле пересекаются ВЛ 750 кВ Хмельницкая АЭС – Жешув и Ровенская АЭС – Западноукраинская.
Для желающих попрактиковаться в ракетных ударах по воздушным линиям – это просто клад. Мало того, что тут пересекаются две ВЛ 750 кВ, так ещё и вдоль одной из них идёт ВЛ 330 кВ Западноукраинская – Ровно с отпайкой на Радивилов. То есть, упавшая стойка анкерной опоры (показана красной стрелкой) вызывает отключение сразу трёх ВЛ, гарантированную системную аварию. А слева находится транспозиционная опора, которая имеет в своём составе не только три основных, весьма здоровых, стойки, но и две небольших, транспозиционных (указаны оранжевыми стрелками).
На транспозиционной опоре происходит изменение взаимного расположения фаз – для усреднения параметров различных фаз. Соответственно, на транспозиционной стойке закрепляется одна фаза. Казалось бы, ну коротнёт, просто отключится ВЛ, и всё. А вот не факт, при падении дальней (правой) транспозиционной стойки на основную стойку полетит фаза 750 кВ (если что, это пять проводов, ну, для примера, АС400/51 погонной массой полтора килограмма на метр) под напряжением, и тут результатом может стать обрушение этой самой стойки в результате воздействия электрической дуги при коротком замыкании – опять же с выключением пересекаемой ВЛ.
В общем, вариантов у наших военных опять хватает…
