Добавить в корзинуПозвонить
Найти в Дзене
FaultAn.ru

Параметры схемы замещения трансформаторов

В электрических сетях используются различные виды трансформаторов: двухобмоточные, трёхобмоточные, автотрансформаторы, трансформаторы с расщеплением обмоток сторон. В зависимости от вида трансформаторы представляются различными схемами замещения. Двухобмоточный трансформатор Условное обозначение двухобмоточного трансформатора и его схема замещения приведены на рис. 1 [1]. Активное RT и реактивное XT сопротивления трансформатора являются суммой активных и реактивных сопротивлений рассеяния обмотки высшего напряжения и низшего напряжения, причём величины сопротивления приводятся к одной из сторон. В поперечной ветви схемы замещения трансформатора находятся активная GT и реактивная проводимости ВT. При этом проводимости обычно подключают со стороны питания: для повышающих трансформаторов – со стороны низшего напряжений, для повышающих – со стороны высшего напряжения. В приведённой на рис. 1 схеме замещения отсутствует идеальный трансформатор, поэтому одно из напряжения является приведённы
Оглавление

В электрических сетях используются различные виды трансформаторов: двухобмоточные, трёхобмоточные, автотрансформаторы, трансформаторы с расщеплением обмоток сторон. В зависимости от вида трансформаторы представляются различными схемами замещения.

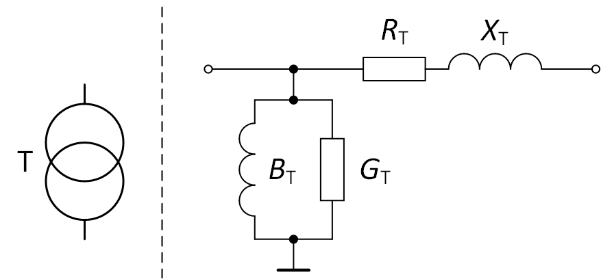
Двухобмоточный трансформатор

Условное обозначение двухобмоточного трансформатора и его схема замещения приведены на рис. 1 [1].


Рис. 1. Условное обозначение двухобмоточного трансформатора и его схема замещения
Рис. 1. Условное обозначение двухобмоточного трансформатора и его схема замещения

Активное RT и реактивное XT сопротивления трансформатора являются суммой активных и реактивных сопротивлений рассеяния обмотки высшего напряжения и низшего напряжения, причём величины сопротивления приводятся к одной из сторон. В поперечной ветви схемы замещения трансформатора находятся активная GT и реактивная проводимости ВT. При этом проводимости обычно подключают со стороны питания: для повышающих трансформаторов – со стороны низшего напряжений, для повышающих – со стороны высшего напряжения.

В приведённой на рис. 1 схеме замещения отсутствует идеальный трансформатор, поэтому одно из напряжения является приведённым к напряжению другой стороны.

Величина активного сопротивления трансформатора RT в Ом определяется из паспортных данных по выражению

-2

где ΔPк – потери активной мощности в режиме холостого хода, Вт;
Uном – номинальное напряжение стороны трансформатора, В;
Sном – номинальная мощность трансформатора, ВА.

Величина реактивного сопротивления трансформатора XT в Ом определяется из паспортных данных по выражению

-3

где Uк – напряжение короткого замыкания, %;
Uном – номинальное напряжение стороны трансформатора, В;
Sном – номинальная мощность трансформатора, ВА.

Величина активной проводимости трансформатора GT в См определяется из паспортных данных по выражению

-4

где ΔPх – потери активной мощности в режиме холостого хода, Вт;
Uном – номинальное напряжение стороны трансформатора, В.

Величина реактивной проводимости трансформатора BT в См определяется из паспортных данных по выражению

-5

где Iх – ток холостого хода трансформатора, %;
Uном – номинальное напряжение стороны трансформатора, В;
Sном – номинальная мощность трансформатора, ВА.

Трёхобмоточный трансформатор

Условное обозначение трёхобмоточного трансформатора и его схема замещения приведены на рис. 2 [1].


Рис. 2. Условное обозначение трёхобмоточного трансформатора и его схема замещения
Рис. 2. Условное обозначение трёхобмоточного трансформатора и его схема замещения

Параметры схемы замещения рассчитываются исходя из паспортных данных трансформатора. Активные сопротивления R обмоток сторон рассчитываются по следующим выражениям

-7

где Uном – номинальное напряжение стороны трансформатора, В;
Sном – номинальная мощность трансформатора, ВА;
Δ
Рк,в = 0,5 ∙ (ΔРк,вн + ΔРк,вс + ΔРк,сн);
Δ
Рк,с = 0,5 ∙ (ΔРк,вс + ΔРк,сн + ΔРк,вн);
Δ
Рк,н = 0,5 ∙ (ΔРк,вн + ΔРк,сн + ΔРк,вс);
Δ
Pк,вн, ΔPк,вс, ΔPк,сн – мощности короткого замыкания при закороченных обмотках сторон высшего и низшего, высшего и среднего и среднего и низшего напряжений соответственно, Вт.

Реактивные сопротивления X сторон рассчитываются по следующим выражениям

-8

где Uном – номинальное напряжение стороны трансформатора, В;
Sном – номинальная мощность трансформатора, ВА;
Uк,в = 0,5 ∙ (Uк,вн + Uк,вс + Uк,сн);
Uк,с = 0,5 ∙ (Uк,вс + Uк,сн + Uк,вн);
Uк,н = 0,5 ∙ (Uк,вн + Uк,сн + Uк,вс);
Uк,вн, Uк,вс, Uк,сн – напряжения короткого замыкания при закороченных обмотках сторон высшего и низшего, высшего и среднего и среднего и низшего напряжений соответственно, %.

Если в паспортных данных задано только одно значение мощности короткого замыкания ∆Рк (обычно для обмоток сторон высшего и среднего напряжения ∆Рк,вс), то потери мощности в каждой обмотке определяются по следующим выражениям:

-9

где Sв,ном, Sс,ном, Sн,ном – номинальные мощности сторон трансформатора.

Проводимости трёхобмоточного трансформатора рассчитываются аналогично проводимостям двухобмоточных трансформаторов.

Двухобмоточный трансформатор с расщеплением обмотки низшего напряжения

Условное обозначение двухобмоточного трансформатора с расщеплением обмотки низшего напряжения и его схема замещения приведены на рис. 3.


Рис. 3. Условное обозначение двухобмоточного трансформатора с расщеплением обмотки низшего напряжения и его схема замещения
Рис. 3. Условное обозначение двухобмоточного трансформатора с расщеплением обмотки низшего напряжения и его схема замещения

Параметры схемы замещения рассчитываются исходя из паспортных данных трансформатора. Активные сопротивления R обмоток сторон рассчитываются по следующим выражениям

Rнн1 = Rнн2 = Rобщ, Rв = 0,5 Rобщ,

где

-11

ΔРк – потери активной мощности в режиме холостого хода, Вт;
Uном – номинальное напряжение стороны трансформатора, В;
Sном – номинальная мощность трансформатора, ВА.

Для определения индуктивных сопротивлений обмоток необходим учёт расположения обмоток на магнитопроводе. Для группы однофазных трансформаторов

Хв = 0, Хнн1 = Хнн2 = 2 Хобщ.

где

-12

Uк – напряжение короткого замыкания, %;
Uном – номинальное напряжение стороны трансформатора, В;
Sном – номинальная мощность трансформатора, ВА.

Для трехфазных трансформаторов

Хв = 0,125 Хобщ   и   Хнн1 = Хнн2 = 1,75 Хобщ,

где Xобщ рассчитывается аналогично вышеприведённому выражению.

Автотрансформатор

Условное обозначение автотрансформатора и его схема замещения приведены на рис. 4 [1].


Рис. 4. Условное обозначение двухобмоточного автотрансформатора и его схема замещения
Рис. 4. Условное обозначение двухобмоточного автотрансформатора и его схема замещения

Параметры схемы замещения автотрансформатора рассчитываются аналогично трёхобмоточному трансформатору. Отличие расчёта параметров схемы замещения автотрансформатора может заключаться в том, что часть паспортных данных может быть приведена к типовой мощности, определяемой коэффициентом выгодности α. Типовой мощностью автотрансформатора называется та мощность, которая передаётся электромагнитным путём.

Если в паспортных данных параметры ΔРк,вн, ΔРк,сн, Uк,вн и Uк,сн приведены к типовой мощности автотрансформатора, то их следует пересчитать к номинальной мощности автотрансформатора по следующим выражениям

-14
-15

где «’» обозначает, что данные параметры приведены к типовой мощности.

Список использованной литературы

  • Идельчик В.И. Электрические системы и сети: Учебник для вузов. - М.: Энергоатомиздат, 1989. - 592 с.