Найти в Дзене

Подключение частотного преобразователя к насосу

Оглавление

Автоматизация систем водоснабжения снижает расходы на эксплуатацию насосного оборудования и водопроводной сети, оптимизирует водопотребление, позволяет уменьшить объем накопительных баков. Регулирование водоподачи осуществляется по давлению и уровню. В отопительных системах также используется схема с обратной связью по температуре теплоносителя или воздуха в помещении.

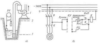
Релейные схемы автоматизации

До появления частотных преобразователей в качестве устройства управления использовались релейные блоки.

Простейшая схема регулирования по уровню построена на базе магнитного пускателя и поплавкового реле. При увеличении уровня, контакты реле замыкаются, катушка магнитного пускателя оказывается под напряжением. Электродвигатель насосного агрегата запускается. При снижении уровня жидкости, реле размыкает управляющую цепь магнитного пускателя.

-2

Такая схема обеспечивает ручное и автоматическое включение насосов, каскадный способ управления, индикацию режимов работы, остановку насосных агрегатов при пропадании перекачиваемой жидкости.

В нормальном режиме работает основной насосный агрегат. При снижении давления при пиках водопотребления или остановке основного насоса, срабатывает реле давления, включающее резервный насос с выдержкой времени. При необходимости включение и выключение насосов можно осуществлять в ручном режиме. Релейные схемы управления относительно просты и дешевы, однако, обладают следующими недостатками:

  • Дополнительная нагрузка на электрическую сеть. Запуск электродвигателей осуществляется на полном напряжении сети. Ток при этом взрастает в несколько раз.
  • Невозможность плавного изменения производительности. Регулирование давления в сети осуществляется включением резервного насоса. Ступенчатое изменение давления не всегда удовлетворяет условиям техпроцесса.
  • Необходимость регулярного ремонта, технического обслуживания. Схемы такого типа содержат большое количество электроаппаратов и элементов автоматики. При частых коммутациях, контакты и механические части аппаратов быстро приходят в негодность.
  • Высокая нагрузка на трубопровод. При прямом пуске насосов резко увеличивается вероятность гидравлических ударов. При их возникновении повреждается запорно-регулирующая арматура, трубы и другие элементы системы водоснабжения.

Для ограничения пусковых токов и плавного разгона электродвигателей в релейных схемах часто устанавливают устройства плавного пуска. Однако, эти устройства не обеспечивают плавное изменение подачи. Для этого на трубопровод устанавливают регулирующую арматуру, что приводит к потерям давления и снижает общий к.п.д. системы водоснабжения.

Функции систем управления насосным оборудованием на базе частотных преобразователей

Для автоматизации работы насосных станций все чаще и чаще используют схемы на базе частотных преобразователей. Частотное управление лишено недостатков релейных схем. Автоматизированные схемы с преобразователем частоты обеспечивают:

  • Защиту приводных электродвигателей от коротких замыканий, обрыва фазы, перегрева, перегрузок, перепадов напряжения.
  • Остановку насосных агрегатов при “сухом ходе”, повреждении проточной части и так далее.
  • Плавное изменение производительности при снижении или увеличении давления. Частотный преобразователь также может функционировать в режиме регулирования подачи по нескольким параметрам системы водоснабжения или отопления.
  • Сигнализацию о неисправностях. При поломках или ненормальных режимах работы элементов системы водоподачи, на экран выводится сообщение о неисправности. Во многих моделях частотников предусмотрена подача об авариях сигнала по “сухим контактам” и отправка сообщения по поддерживаемым протоколам проводной и беспроводной связи на удаленные диспетчерские пункты.

Частотные преобразователи используются как для автоматизации простых автономных систем водоснабжения, так и мощных станций с большим количеством насосов.

Пример работы схем на базе частотного преобразователя

Принципиальная схема управления циркуляционными насосными агрегатами на базе преобразователей частоты с обратной связью по давлению и температуре позволяет экономить до 30% тепловой энергии.

При увеличении температуры теплоносителя или падении давления в сети, сигнал с аналогового датчика температуры поступает на частотный преобразователь, который плавно увеличивает частоту напряжения в цепи питания электродвигателя. Скорость вращения ротора увеличивается, производительность насоса возрастает. При необходимости в работу включается резервный насос. По достижении заданной температуры, подача насоса возвращается к запрограммированной величине. Схема также обеспечивает попеременную работу насосных агрегатов, остановку двигателей при авариях, включение резервного насоса при аварийной остановке основного, запрет на запуск неисправного насоса до устранения поломки, а также индикацию режимов работы.

Для увеличения экономического эффекта в отопительных системах используют преобразователи частоты с функцией АОЕ или автоматической оптимизации энергопотребления. При этом электродвигатель поддерживает энергопотребление соответственно требуемой производительности насосного агрегата. Частотные преобразователи с такой функцией выпускает компания Danfoss, всемирно известный производитель электрооборудования и элементов автоматики.

-3

Принцип работы простейшей схемы регулирования с обратной связью по давлению

Частотные преобразователи применяются также для небольших систем водоснабжения, отопления и ГВС. Плавное регулирование напора и производительности насоса обеспечивает постоянное давление в сети, отсутствие перепадов температуры горячей воды при открытии и закрытии дополнительных кранов, поддержание микроклимата в помещении.

При пуске насоса через частотный преобразователь, на электродвигатель подается напряжение небольшой частоты, которая увеличивается согласно запрограммированным значениям. Это обеспечивает плавное нарастание давления в системе и снижает вероятность гидравлических ударов.

При увеличении водопотребления, давление в системе падает. Сигнал с датчика давления подается на частотный преобразователь, который увеличивает частоту питающего напряжения электрического двигателя. Производительность насоса плавно увеличивается, пока давление в системе не достигнет заданного значения. При снижении потребления воды, частота напряжения в питающей цепи снижается, обороты насосного агрегата падают.

При помощи частотных преобразователей также можно реализовать систему каскадного автоматического управления двумя и более насосами. Такие схемы используются в сетях с высокими пиковыми нагрузками, где максимальная производительность одного насоса не обеспечивает компенсацию потерь давления. В этих случаях частотный преобразователь обеспечивает плавный ввод дополнительных агрегатов и равномерное распределение нагрузки между работающими насосами.

-4

Преимущества применения частотных преобразователей в схемах автоматизации насосов

  • Системы водоснабжения не требуют компенсационных емкостей для гашения гидравлических ударов. Запуск и отключение насосных агрегатов осуществляется плавно, что исключает резкие скачки давления. В системах отопления и автономного водоснабжения все же рекомендуется установить расширительные баки мембранного типа. Это оборудование позволит избежать последствий гидроударов и увеличения давления при авариях и температурном расширении теплоносителя.
  • Комфортная температура горячей воды и теплоносителя в отопительной системе. В отличие от релейных схем управления, частотное регулирования позволяет избежать скачков температуры воды независимо от ее расхода.
  • Защита арматуры, трубопровода, котла от гидроударов. При прямом пуске электродвигателя, резко меняется скорость потока в трубопроводе. Возникает гидравлический удар, который может повредить гидроавтоматику, котел и другие элементы системы. Ликвидация последствий гидроудара может обойтись в сотни тысяч рублей.
  • Защита электродвигателя насоса от аварий и аномальных режимов работы. При несимметричной нагрузке, изменении напряжения в сети, коротких замыканиях, перегреве обмоток, частотный преобразователь осуществляет аварийную остановку электродвигателя.
  • Возможность удаленного управления. Danfoss выпускает преобразователи частоты, поддерживающие все распространенные протоколы обмена данными. Управление можно осуществлять с удаленного ПК, при помощи приложений, установленных на смартфоны или планшеты. Преобразователи для промышленных систем водоподачи можно встраивать в многоуровневые системы АСТП.
  • Возможность регулирование напора и производительности насосных агрегатов по одному или нескольким характеристикам. Частотные преобразователи можно запрограммировать на регулировку по расходу, давлению, температуре, уровню, напору, а также по двум и более параметрам.
-5

Выбор частотного регулятора для насосов

Выбор частотных преобразователей для насосного оборудования делается по следующим критериям:

  • Типу приводного электродвигателя. Число фаз и тип электродвигателя должны соответствовать параметрам частотного. Для привода насосных агрегатов применяются синхронные и асинхронные одно- или трехфазные электрические машины.
  • Интервалу регулируемых частот. Каждому значению частоты питающего напряжения соответствует определенная скорость вращения электродвигателя и производительность насоса. Эта характеристика частотного преобразователя должна отвечать параметрам сети водоподачи.
  • Току, напряжению и мощности. Номинальные электрические характеристики электродвигателя и преобразователя частоты должны совпадать. Рекомендуемый запас мощности частника – 15-20%.
  • По числу аналоговых и релейных входов. В зависимости от числа датчиков, необходимо подобрать частотный преобразователь с соответствующим количеством входов.
  • По функциям. Частотный преобразователь может совмещать функции устройства плавного пуска, ПИД-регулятора, устройств защиты. Функционал устройства выбирают в соответствии с требованиями к системе отопления и водоснабжения.

Использование частотных преобразователей снижает потери давления, оптимизирует потребление воды и электроэнергии, а также снижает вероятность аварий. Их применение дает значительный экономический и технический эффект, особенно заметный на примере крупных систем подачи тепла и водоснабжения.