Найти в Дзене
Мастер Кит DIY

Строим Умный дом на Orange PI One. Практические схемы

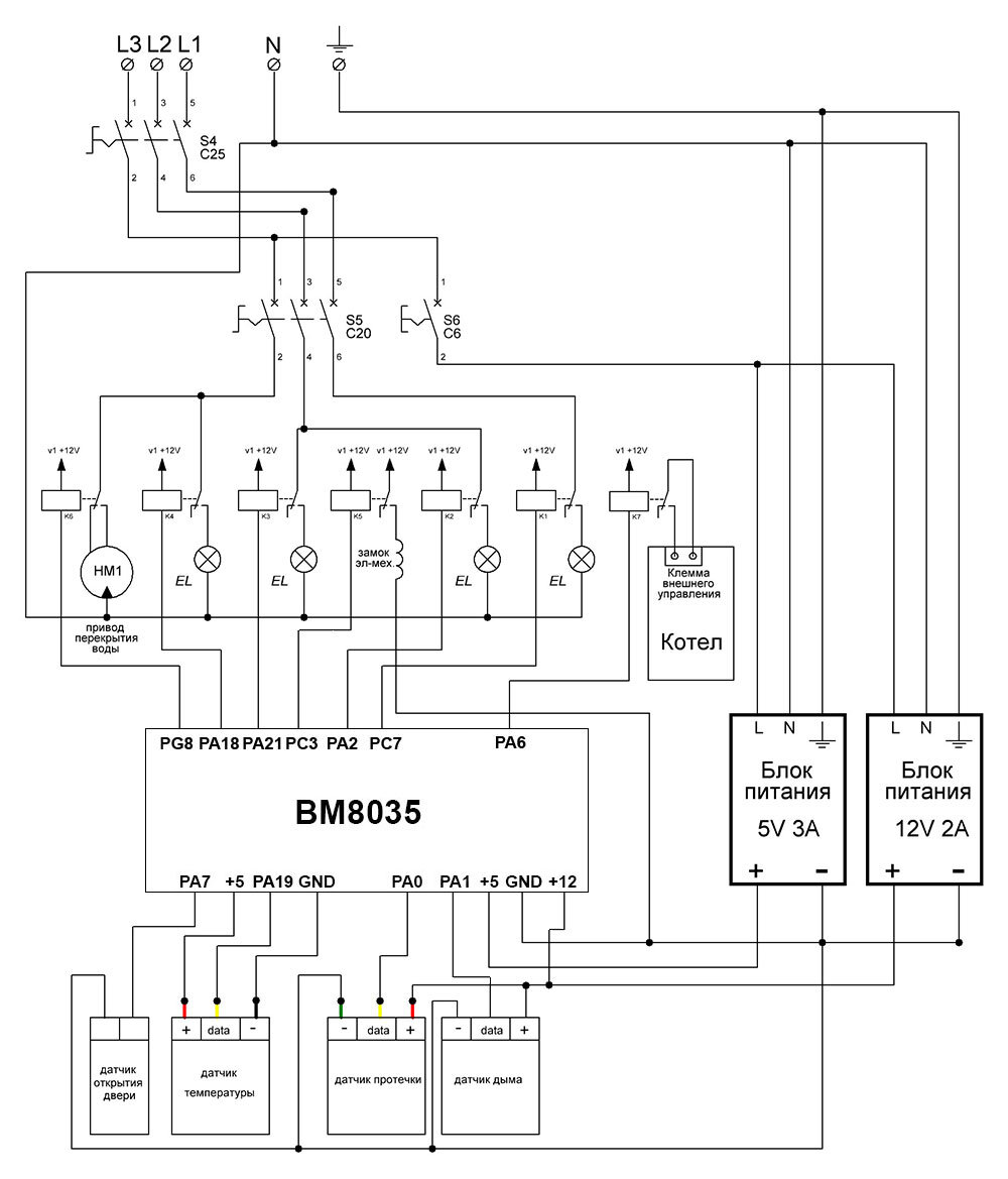
Ставь лайк! Делись с друзьями, потому что дальше будет интереснее! Понравилась статья? Ставь палец вверх и будешь видеть наши новости чаще! Продолжаем обзор комплекта модулей BM8035, предназначенного для создания систем удаленного управления устройствами, установленными в жилых домах и других объектах. Имеющее в своей основе одноплатный микрокомпьютер (MK) Orange PI One, устройство, совместно с облачным сервером, позволяет без труда реализовать полноценную систему Умный дом. В предыдущих материалах были описаны технические особенности и основные возможности BM8035, а также подключение и настройка устройства в различных режимах работы. Рассмотрим несколько практических схем подключения BM8035 при построении различных систем управления. На приведенной ниже принципиальной схеме (рис.1)  помимо стандартных (согласно описанию) подключений датчиков и реле управления освещением, реализовано управление приводом перекрытия воды, имеющего, в свою очередь,  собственную схему управ

Ставь лайк! Делись с друзьями, потому что дальше будет интереснее! Понравилась статья? Ставь палец вверх и будешь видеть наши новости чаще!

Продолжаем обзор комплекта модулей BM8035, предназначенного для создания систем удаленного управления устройствами, установленными в жилых домах и других объектах. Имеющее в своей основе одноплатный микрокомпьютер (MK) Orange PI One, устройство, совместно с облачным сервером, позволяет без труда реализовать полноценную систему Умный дом.

В предыдущих материалах были описаны технические особенности и основные возможности BM8035, а также подключение и настройка устройства в различных режимах работы.

Рассмотрим несколько практических схем подключения BM8035 при построении различных систем управления.

На приведенной ниже принципиальной схеме (рис.1)  помимо стандартных (согласно описанию) подключений датчиков и реле управления освещением, реализовано управление приводом перекрытия воды, имеющего, в свою очередь,  собственную схему управления. При поступлении на контакт PA0 сигнала с датчика протечки срабатывает реле K6, подключенное  к контакту PG8. Контакты реле включают привод перекрытия воды на запирание. Если сигнал от датчика протечки перестает поступать, реле отпускает и привод включается на отпирание.

Также к контакту PA6 устройства подключено реле управления водонагревательным котлом, переведенного в режим внешнего управления, а контакту PC3 – реле, управляющее электромеханическим замком отпирания двери. Датчик открывания двери подсоединен к контакту PA7.

На следующем рисунке приведена монтажная схема возможного размещения BM8035, установленного в рекомендуемый корпус,  в электрощите на DIN-рейке. Датчики и исполнительные реле подключаются по кабелю типа «витая пара».

-2

Далее показана принципиальная схема терморегулятора на 6 зон теплого пола на основе модуля BM8035. Двенадцать датчиков температуры, по два на каждую зону, измеряют температуру воздуха и температуру на уровне пола. Датчики подключаются к контактам TS3, TS4 и TS5, соответствующие выводам +5V (питание), PA19 (данные) и GND (земля) BM8035. Контакты PA6, PA11, PA12, PA13, PA14 и PD14 подключены к реле управления зонами теплого пола.

-3

На этом рисунке представлена возможная схема компоновки монтажного щита терморегулятора. Обратите внимание на то, что все датчики подключены к щиту собственными кабелями и соединяются вместе на контактах TS2-4.

-4

На следующих фото показана практическая реализация электрощита с установленным на DIN-рейку модулем BM8035.

-5
-6

Делись с друзьями, подписывайся на наш канал Мастер Кит DIY и жми лайк, чтобы не пропустить новые публикации.