Найти в Дзене
Сергей Гайдук

Пример расчета простого усилителя, но с очень высоким входным сопротивлением.

Дорогие друзья радиолюбители, этот материал предназначен в основном для начинающих разработчиков, но надеюсь, что он будет полезен и для опытных электронщиков.
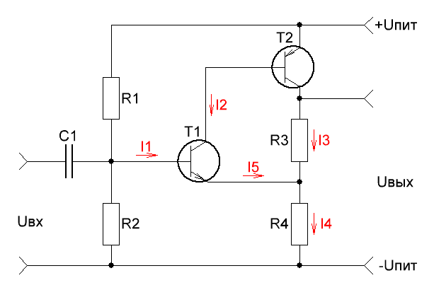
Схема не инвертирующего усилителя с большим Rвх на двух транзисторах.
Рассмотрим расчет усилителя:
Находим ток коллектора транзистора Т1:

Дорогие друзья радиолюбители, этот материал предназначен в основном для начинающих разработчиков, но надеюсь, что он будет полезен и для опытных электронщиков.

Схема не инвертирующего усилителя с большим Rвх на двух транзисторах.
Схема не инвертирующего усилителя с большим Rвх на двух транзисторах.

Рассмотрим расчет усилителя:

Находим ток коллектора транзистора Т1:

I2= -I1*β1

Находим ток коллектора транзистора Т2:

I3= -I2*β2 = I1*β1*β2

Далее находим ток эмиттера транзистора Т1:

I5 = ( 1 + β1 ) * I1

Теперь находим результирующий ток транзисторов через резистор R4:

I4 = I3 + I5 = I1*β1*β2 +( 1 + β1 ) * I1 = I1*(β1*β2 + β1 + 1) = I1*βэкв

Считаем входное сопротивление каскада без учёта резисторов R1 и R2:

Rвх = R4*βэкв = R4 *(β1*β2 + β1 + 1)

В первом приближении напряжение сигнала на резисторе R4 равно напряжению входного сигнала ( как в эмиттерном повторителе за счет 100% отрицательной обратной связи ).

Uвых = UR4 + UR3

UR4 = I4 * R4 = I1 * R4 * βэкв

UR3 = I3 * R3 = I1 * R3 * β1 * β2

И находим коэффициент усиления каскада:

Ku = Uвых/Uвх= (UR4+UR3)/UR4=1+ UR3/UR4

Ku = 1 + (I1*R3*β1*β2)/(I1*R4*βэкв)=1+ (R3*β1*β2)/(R4*(β1*β2+β1+1))

Разделим числитель и знаменатель на (β1*β2) и получим:

Ku = 1 +R3/R4((β1*β2)/(β1*β2)+β1/(β1*β2)+ 1/(β1*β2))

Ku = 1 + R3/R4(1+1/β2+1/(β1*β2))

Ku ≅1+R3/R4

Простота схемы позволяет применять её в различных устройствах:

Соединив вход с выходом мостом Вина получается, очень качественный генератор.

Соединив вход с выходом через резистор, получается компаратор напряжения.

Если соединить вход с выходом через конденсатор, получаем генератор с большой скважностью, а если ещё исключить R1, получаем ждущий мультивибратор.

В этой схеме очень хорошо работают транзисторы КТ315 и КТ361, транзисторы с высоким β больше 150 … 200 не пробовал устанавливать. Схема очень хорошо зарекомендовала себя и с КТ315 и КТ361.

В качестве примера применения данного каскада хочу привести схему интересного блока в котором применена схема с дополнительными элементами.

-2

В этой схеме по сравнению с приведенной выше, добавлены: резисторы R9, R12, R14 и конденсатор С4. Цепочка R11, R12 и С4 позволяет изменять в значительных пределах амплитудно-частотную характеристику. Чем я часто пользовался при конструировании видеоусилителей для видеокамер…

И еще! Весь материал не является агитацией данного каскада, а скорее учебный материал особенно для начинающих. К сожалению сейчас в основном освоение электроники начинается и заканчивается на АРДУИНО!

Всего всем доброго!!! Хорошего здоровья!!! Успехов в творчестве!!! И берегите себя в это трудное время!!!