Добавить в корзинуПозвонить
Найти в Дзене
ДЖОУЛЬ21

Радиоприемник SELGA-405 - "шустрый старичок"

Радиоприемники Selga Рижского радиозавода были популярны в свое время. И не только в СССР. Сейчас вещание на средневолновом диапазоне на русском языке к сожалению значительно ограничено.
Оглавление

Здравствуйте, уважаемый читатель!

Рад видеть вас на канале! Ну а если вам у нас понравится, то подписывайтесь на канал, ставьте лайк и пишите комментарий!
Радиоприемник  Selga-405. Внешний вид.
Радиоприемник Selga-405. Внешний вид.

Радиоприемники Selga Рижского радиозавода были популярны в свое время. И не только в СССР. Сейчас вещание на средневолновом диапазоне на русском языке к сожалению значительно ограничено. Но все равно пользуемся радиоприемниками амплитудно-модулированных колебаний, так как в нашем районе Вести ФМ можно слышать только в ночное время на частоте 1413 кгц. Я заинтересовался этим аппаратом потому, что такой был у моего отца.

Мне достался экземпляр в сравнительно неплохом состоянии. Все транзисторы оставил "родные". Прежде всего заменил электролитические конденсаторы. Места на плате предостаточно, и я не "скупился" на их емкость. Особенно это касалось емкостей С25, С26, С34.

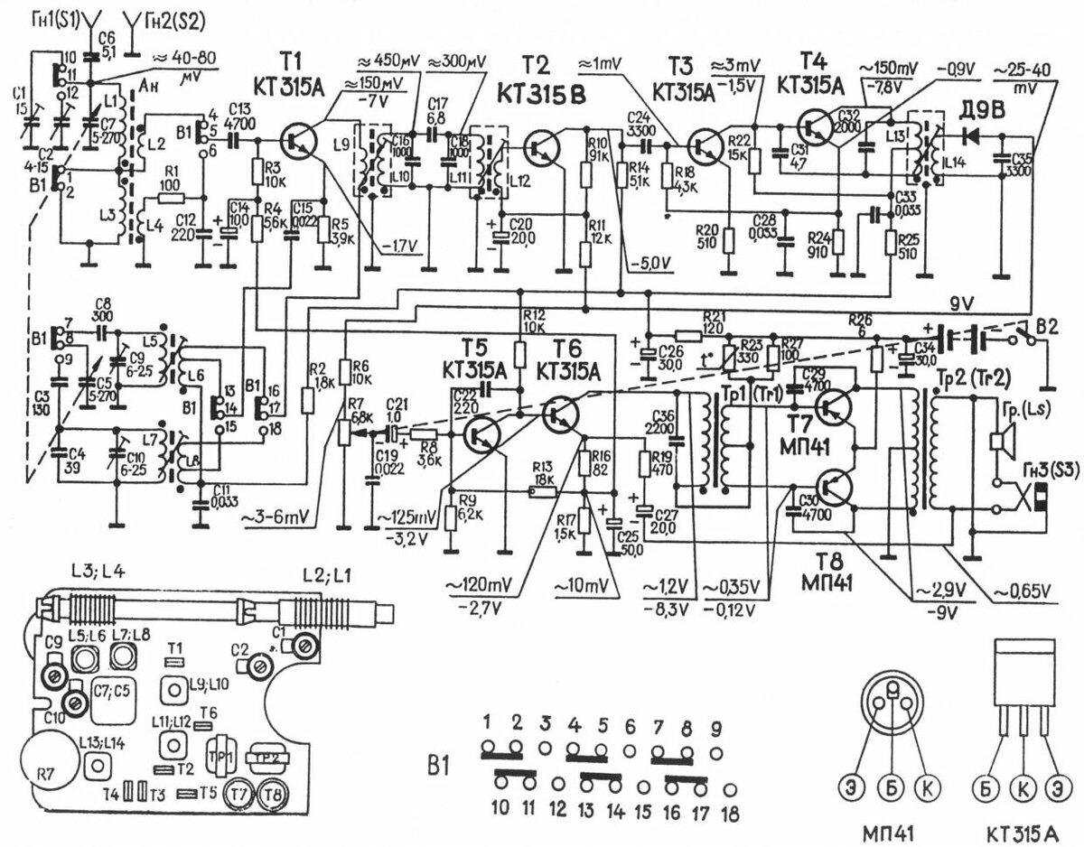
Схема радиоприемникa Selga-405.
Схема радиоприемникa Selga-405.

Увеличением емкости С36 в два раза снизил уровень высоких частот, чем добился уменьшения "шипения". После того как усилитель звуковых частот заработал устойчиво занялся высокочастотными цепями. В журнале Радио №7 за 2011 год на странице 25 нашел рекомендации по улучшению чувствительности. Вкратце: изменения схемы сводились к развязке по постоянному току цепей смещения детектора. То есть в разрыв между R6 и R7 установил пленочный неполярный конденсатор емкостью порядка 2-3 микрофарад. И заменил германиевый диод кремневым. Подробнее о этой переделке в первоисточнике.

Технически самым сложным оказалось привести в порядок переключатель диапазонов СВ - ДВ. Но для этого его даже не пришлось выпаивать. Стащил полиэтиленовый кожух, и почистил контакты и контактные пластинки переключателя.

Еще заменил гнездо подключения наушников на современное - 3.5 мм

После этих "переделок" и ремонтов приемник может вполне составить конкуренцию таким "монстрам" как Degen-1103, в соответствующих диапазонах.

-3

Подписывайтесь.