Добавить в корзинуПозвонить
Найти в Дзене
Кот с паяльником

TDA7850 - самый мощный четырёхканальный усилитель звука?

По заявлениям производителей, при однополярном питании 18 вольт этот чип может выдать до 85 Вт на канал на нагрузке 2 Ома.
Микросхема TDA7850.
4 канала по 85 Вт. Кажется фантастикой, но микросхема действительно творит чудеса. Добиться столь высоких показателей выходной мощности у производитей получилось с помощью использования современных MOSFET транзисторов, которые нормально переносят большой

По заявлениям производителей, при однополярном питании 18 вольт этот чип может выдать до 85 Вт на канал на нагрузке 2 Ома.

Микросхема TDA7850.
Микросхема TDA7850.

4 канала по 85 Вт. Кажется фантастикой, но микросхема действительно творит чудеса. Добиться столь высоких показателей выходной мощности у производитей получилось с помощью использования современных MOSFET транзисторов, которые нормально переносят большой ток и прекрасно работают на низкоомную нагрузку.

Некоторые параметры микросхемы TDA7850

Рабочее напряжение: 9-18 вольт. (Для достижения максимальных уровней мощности нужно использовать не менее 16.)

Выходная мощность: 4х85 Вт на нагрузку 2 Ома; 4х50 Вт 4 Ома.

Но это - так называемая "китайская" мощность с ненормированными искажениями. То есть хрипы, "пердение" и скрежет, а не музыка. Намного честнее будет указать настоящую RMS мощность при искажениях звука, не более 10%:

  • 4х55 Вт на нагрузке 2 Ома;
  • 4х30 Вт на нагрузке 4 Ома.

При выходной мощности до 15 Вт, включительно, на нагрузке 2 Ома микросхема допускает коэффициент нелинейных искажений всего 0,015%.

Не более 1% искажений при мощности до 23 Вт на 4 Ом.

Микросхема TDA7850 имеет кучу встроенных защит: от замыканий выходов звука на шины питания и между собой, от перегрузок и перегрева.

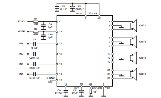
Схема подключения TDA7850.
Схема подключения TDA7850.

Типичная схема, наверняка знакомая тем, кто сталкивался с ремонтом автомагнитол и прочими четырехканальными усилителями звука.

Выводы 8 и 20 - "плюс" напряжения питания, 11-14 - входы звука. Вывод 25 - диагностический, его можно оставить пустым, но для исключения лишних наводок лучше через резистор 1 кОм посадить его на массу, как и указано на схеме.

ST-BY и Mute, если функции плавного включения микросхемы и приглушения звука вам не нужны, можно подключить к "плюсу" питания. Вот так:

Доработка усилителя на TDA7850.
Доработка усилителя на TDA7850.

Конденсаторы С1-С4 на входах звука лучше (рекомендую) взять немного большей ёмкости. 0,22-0,47 мкФ - самое то.

Если ST-BY и Mute подключили напрямую, то С9 и С10 возможно потребуется тоже немного увеличить, чтобы убрать щелчки (пукание) из динамиков во время подачи питания на микросхему, до 2,2-10 мкФ.

Конденсатор C7 и вовсе лучше взять гораздо большей ёмкости. Лучше, если это будут 4-5 конденсаторов 2200 мкФх25 В, включенных параллельно. Они смягчат просадки питания при пиках мощности.

Отдельно про питание TDA7850

Микросхема требует очень мощный блок питания. Так, чтобы выжимать заявленные 4х55 Вт мощности на нагрузке 2 Ома, потребуется блок питания, способный обеспечить не менее 10 ампер на выходе. Соответственно, требуются мощные диоды, толстые хорошо луженые дорожки питания к ногам микросхемы. Если это линейный блок питания с сетевым трансформатором (а именно такие рекомендую), трансформаторы типа ТС-250 или ОСМ1-0,25, габаритной мощностью 250 Вт, будут в самый раз.

Внимание!

Микросхема требует очень серьёзного охлажения. Лучше, если это будет радиатор с кулером. Несмотря на то что микросхема имеет защиту от перегрева, лучше не рисковать и гонять её в "горячую" постоянно.