Добавить в корзинуПозвонить
Найти в Дзене

Power Follower: реализация и сравнение с обычным истоковым повторителем

Несколько лет назад мне попалась статья об усилителе The Power Follower авторства Андреа Чуфолли. Хотелось для общего развития сделать что-нибудь в чистом классе А, желательно простое и из доступных компонентов, поэтому схема мне понравилась. На тот момент мне надо было написать статью на студенческую конференцию, и я решила добавить элемент исследования и сравнить характеристики истокового повторителя с резистивной нагрузкой в цепи истока и повторителя по схеме Чуфолли. Повторители напряжения часто используют для согласования источников сигнала с большим выходным сопротивлением и последующих каскадов с низким входным сопротивлением. Основные характеристики эмиттерных и истоковых повторителей схожи – у них большое входное сопротивление, они усиливают ток и мощность, но вот напряжение немного ослабляют (Ku < 1). По сравнению с эмиттерными повторителями истоковые имеют значительно большее входное сопротивление и меньший коэффициент гармонических искажений, поэтому в настоящее время их и
Оглавление

Несколько лет назад мне попалась статья об усилителе The Power Follower авторства Андреа Чуфолли.

Хотелось для общего развития сделать что-нибудь в чистом классе А, желательно простое и из доступных компонентов, поэтому схема мне понравилась.

На тот момент мне надо было написать статью на студенческую конференцию, и я решила добавить элемент исследования и сравнить характеристики истокового повторителя с резистивной нагрузкой в цепи истока и повторителя по схеме Чуфолли.

Лирическое отступление о повторителях напряжения

Повторители напряжения часто используют для согласования источников сигнала с большим выходным сопротивлением и последующих каскадов с низким входным сопротивлением.

Основные характеристики эмиттерных и истоковых повторителей схожи – у них большое входное сопротивление, они усиливают ток и мощность, но вот напряжение немного ослабляют (Ku < 1).

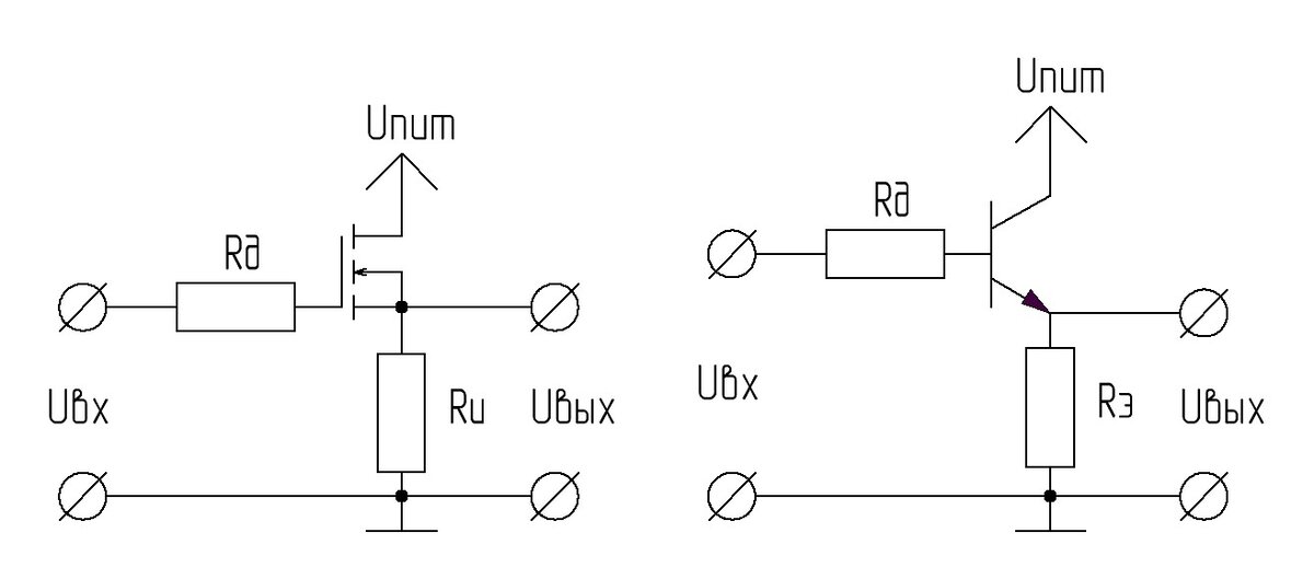
Истоковый повторитель и эмиттерный повторитель
Истоковый повторитель и эмиттерный повторитель

По сравнению с эмиттерными повторителями истоковые имеют значительно большее входное сопротивление и меньший коэффициент гармонических искажений, поэтому в настоящее время их используют в качестве входных каскадов чаще.

Повторители могут иметь резистор или источник тока в качестве нагрузки в цепи истока.

а – с резистивной нагрузкой; б – с источником тока; в - с источником тока в Power Follower
а – с резистивной нагрузкой; б – с источником тока; в - с источником тока в Power Follower

Схемы c резистивной нагрузкой в цепи истока имеют несколько недостатков:

  • Большее выходное полное сопротивление, изменяющееся на протяжении периода сигнала. Из-за этого амплитуда выходного сигнала несколько снижается, а сам сигнал искажается (появляется нелинейность)
  • Такой повторитель имеет непредсказуемое смещение по постоянному току. Это может привести к проблемам при использовании со схемами со связями по постоянному току

При использовании в качестве нагрузки в цепи истока источника тока постоянный ток истока стабилизирует напряжение затвор-исток, и характеристики становятся гораздо линейнее.

В схеме Power Follower истоковый повторитель вывернут наизнанку :) Что же это в теории дает?

  • выходной сигнал отделен от источника питания большим (чуть ли не бесконечным) сопротивлением источника тока
  • ток источника питания стабилен даже при пиковых значениях звукового сигнала
  • на повторителе и на источнике тока рассеивается одинаковая мощность, что позволяет использовать одинаковые транзисторы

Выбор полевого транзистора

Аудиофилы считают лучшими полевиками для звука латеральные транзисторы (называемые также, транзисторами с горизонтальной структурой или с боковым управлением).

Это высокоскоростные транзисторы с малыми паразитными ёмкостями.
Мощные модели весьма дороги и очень редки.

Чуфолли предлагает использовать в своем Фолловере "обыкновенные" вертикальные MOSFETы IRFP150, IRF250, IRFP250, IRF240 или IRFP240.

Они достаточно линейные и мощные для А класса.

У меня на тот момент из мощного были только IRFZ44N, поэтому схема была построена на них, хоть это далеко не лучший вариант :)

Принципиальная схема и печатная плата

Оригинальная принципиальная схема выглядит следующим образом:

-3

После проверки в Multisim выяснила, что Чуфолли подобрал все сопротивления наилучшим образом. Стоило что-то изменить, начинал немного ухудшаться КНИ...

Принципиальная схема почти по ГОСТу
Принципиальная схема почти по ГОСТу

Так что я ничего сильно переделывать не стала, разве что после тестов избавилась от потенциометра, так как рабочая точка вполне неплохо установилась при R4 = R10 = 1,8 кОм. И убрала защитные стабилитроны.
Ну, и конечно, добавила возможность изменить нагрузку в истоке в помощью переключателя SA1, для экспериментов.

Все остальные номиналы те же, что у итальянца, разве что кондеры в фильтре побольше поставила, потому что были в наличии.

Истоковый повторитель состоит из транзистора VT1, делителя напряжения R4 и R10, задающего рабочую точку, входного конденсатора C4 и сопротивлений R1, R6, а также выходного конденсатора C5 и нагрузки Rн.

В первом положении SA1 в качестве нагрузки повторителя выступает источник тока на транзисторах VT3, VT4 с токозадающими резисторами R11, R12 (с помощью переключателя SA2 можно изменить ток нагрузки с 1 А на 2 А).

Во втором положении SA1 в качестве нагрузки выступает резистор R13, изменяя сопротивление которого, можно установить ток от 1 до 2 А.

Питание фильтруется электронным дросселем на транзисторе VT2, конденсаторе C6 и резисторах R2, R3, R4, R7. После него стоит еще один фильтрующий кондер C2.

Усилок питается от мостового диодного выпрямителя, напряжение которого сглаживается конденсатором C3.

От нефильтрованного питания работает вентилятор охлаждения.

Рисовала плату в SprintLayout, выпрямитель и выходной конденсатор "внешние".

-5

Пара красивых фоток готового усилка:

-6

Транзисторы охлаждаются интеловским кулером времен 478 сокета, все таки класс А, теплоотдача ого-го :)

-7

Практическое исследование характеристик

Испытательный стенд: сзади видно трансформатор и выпрямитель, слева потенциометр и переключатель режима работы, спереди - нагрузка
Испытательный стенд: сзади видно трансформатор и выпрямитель, слева потенциометр и переключатель режима работы, спереди - нагрузка

Характеристики снимались с помощью звуковой карты в моем компьютере и программы SpectraLAB.

Амплитудно-частотные характеристики были получены с помощью генератора качающейся частоты с диапазоном частот 0 - 22050 Гц и временем развертки 1 с.
Для сравнения третьей картинкой в галерее добавлена АЧХ звуковой карты, она в основном и добавляет "горбики"...

Для получения спектрограмм на вход подавался синусоидальный сигнал частотой 1 кГц и напряжением 3 В.

Сводная таблица для разных нагрузок в цепи истока при разном токе

-11

Расскажу немного об измеряемых характеристиках.

Динамический диапазон определяется как отношение максимального и минимального входного напряжения усилителя.
Минимальным считается наименьшее напряжение, при котором выходной сигнал не теряется на фоне собственных шумов усилителя, максимальным – наибольшее напряжение, при котором не происходит ограничение выходного сигнала.

При входном синусоидальном сигнале (3 В, 1 кГц) были измерены соотношение входного и выходного напряжения для расчета коэффициента передачи напряжения, коэффициент нелинейных искажений (КНИ) и отношение сигнал/шум (ОСШ).

Интермодуляционные искажения (IMD) измерялись по стандарту SMPTE RP120:2005, метод для которого встроен в SpectraLab.

Метод заключается в том, что на вход усилителя подается двухтональный сигнал с частотами 60 Гц и 7 кГц (или 250 Гц и 8 кГц) с соотношением амплитуд 4:1, и при этом измеряется IMD.

Схема с источником тока в цепи истока во всех отношениях лучше схемы с резистором, чего и следовало ожидать :)

Что же по Power Follower?

Звук у него достаточно интересный, чёткий, с характером, совсем не такой, как у имеющихся у меня усилков в классе AB.

Можете попробовать сделать его, благо деталей тут немного (в принципе, если есть мощный БП, то можно обойтись и без электронного дросселя).

Главное - наладить охлаждение, уж очень он горячий.

Да, кстати, так как это всего лишь повторитель напряжения, будет не очень громко, нужен еще и предусилитель, желательно ламповый :)

Звук мне понравился, и появилась мысль сделать версию Фолловера для наушников, с пониженным током истока, чтобы грелся поменьше. Уже и нашла под него ребристый корпус, и транзисторы с кондерами купила, но руки чего-то так и не дошли...

Если же вам хочется чего еще более простого и холодного, можете прочитать про мой усилитель в классе AB на операционном усилителе:

Есть еще статьи о MOSFET и о том, как их правильно готовить :)

Можете дать автору копеечку на кофе, а можете не давать :)