Добавить в корзинуПозвонить
Найти в Дзене
Radio-любитель

Небольшой анализ старых схем трансиверов на радиолампах

Всем здравствуйте. Иногда периодически в поисках схемных решений на радиолампах, листая старые журналы, однажды задался одним вопросом. Так как неоднократно упоминал, что есть слабость к старым конструкциям на радиолампах и периодически что-то делаю.
Так вот, есть статья в журнале под названием «Радиостанция первой категории» авторы которой Г. Джунковский и Я. Лаповок публикация была в журнале

Всем здравствуйте. Иногда периодически в поисках схемных решений на радиолампах, листая старые журналы, однажды задался одним вопросом. Так как неоднократно упоминал, что есть слабость к старым конструкциям на радиолампах и периодически что-то делаю.

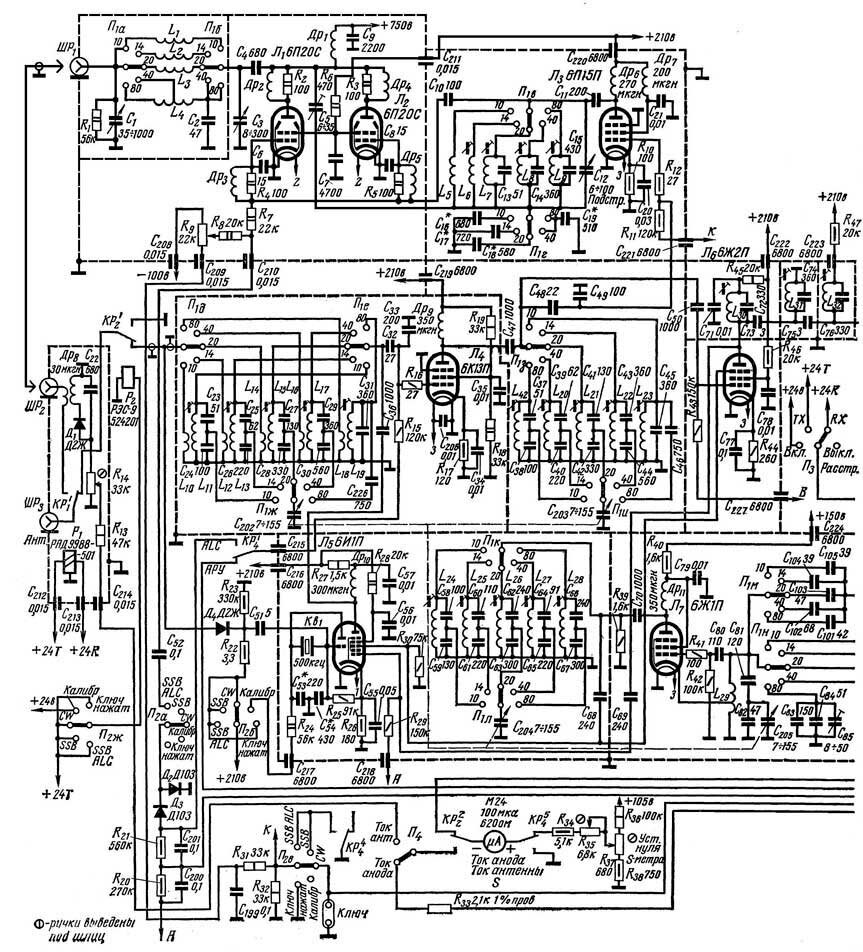
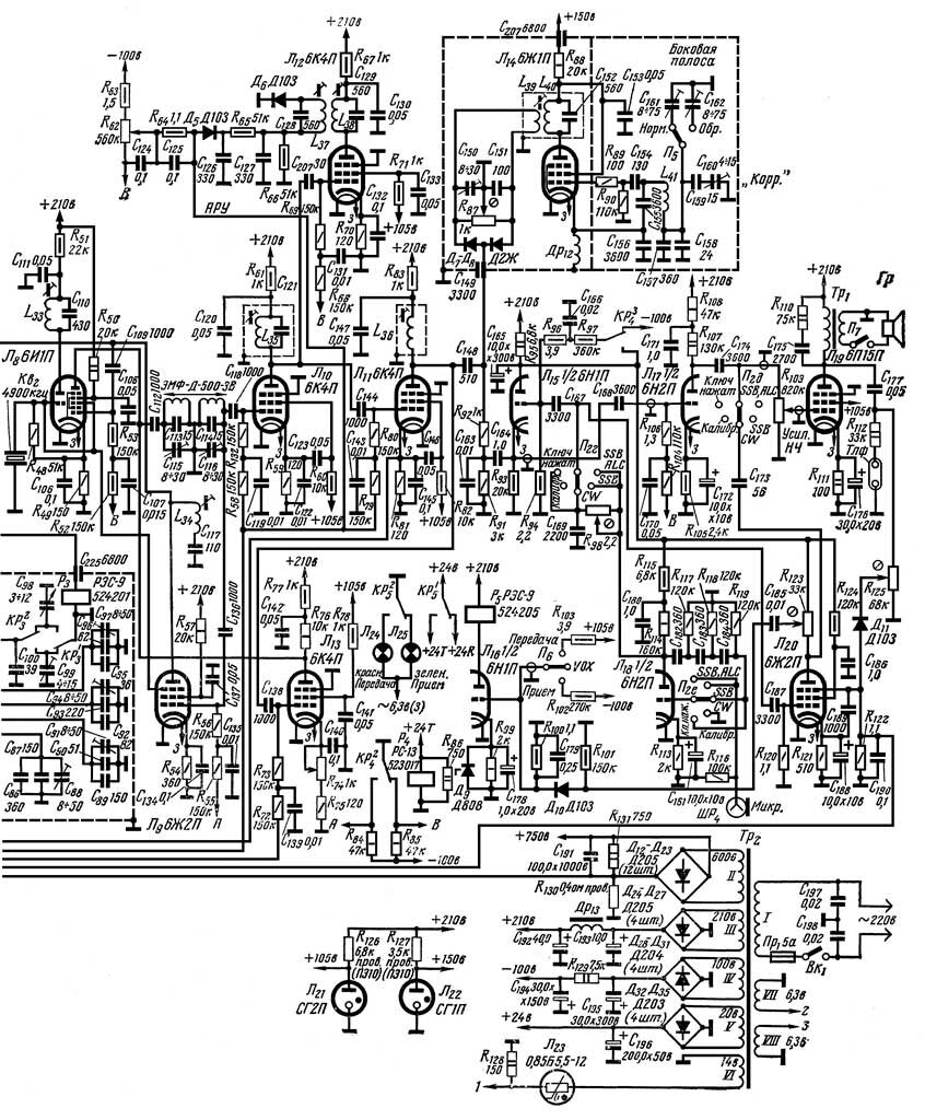
Так вот, есть статья в журнале под названием «Радиостанция первой категории» авторы которой Г. Джунковский и Я. Лаповок публикация была в журнале «Радио № 5 1967» схему прилагаю, а то схему не все могут помнить, так и я, в том числе. Схему все же пришлось разделить на пару частей, а то получился достаточно большой файл.

Схема радиостанции первой категории опубликованной в журнале "Радио №5 1967г" часть первая
Схема радиостанции первой категории опубликованной в журнале "Радио №5 1967г" часть первая

Схема радиостанции первой категории опубликованной в журнале "Радио №5 1967г" часть вторая
Схема радиостанции первой категории опубликованной в журнале "Радио №5 1967г" часть вторая

Так вот, что я хотел спросить, скорее скажем проанализировать, на мой взгляд схема то, не плохая и имела право на жизнь в широких радиолюбительских массах. Но эта схема не получила такого массового повторения среди радиолюбителей, или я просто не обладаю такой информацией. Конечно, можно предположить, что в те времена возможно были трудности с приобретением скажем так, элементной базы для постройки этого аппарата. Но тут сразу назревает другой вопрос о трансивере Ю. Кудрявцева UW3DI первый вариант, схему тоже приведу для общего обозрения.

Так вот по элементной базе он скажем так ненамного проще. И в радиолюбительских кругах это просто произвело прямо скажем, бум сборки этого трансивера. Хотя схема трансивера была опубликована в журнале позже на три года, а точнее публикация была в «РАДИО, № 5,6 1970 г». Почему я упомянул что публикация вышла позже, да все просто, за три года у нас не могло появиться в достатке в продаже в радиомагазинах радиодеталей. Значит этот вариант не очень подходит, а дело совершенно в другом. Так в чем дело? Почему радиостанцию первой категории не повторяли массово? Возможно неудачное схемное решение или в ней есть подводные камни.

Принципиальная схема опубликована в журнале " РАДИО, № 5,6 1970 г" автор Ю.Кудрявцев
Принципиальная схема опубликована в журнале " РАДИО, № 5,6 1970 г" автор Ю.Кудрявцев

Одни из немногих утверждают, что переменная промежуточная частота у Кудрявцева, это не очень удачный вариант. Но все же он получил такое массовое распространение среди радиолюбителей. Вот многие упрекают, что вы о этом старье пишите, они изжили свой век, забудьте, как страшный сон. А как же ностальгия? Это же прекрасно вспомнить все хорошее что было, а также вещи, сделанные своими руками и которые работали, мы же в них частичку души вкладывали. Сейчас, конечно, можно просто купить трансивер или радиостанцию вот приведу примеры что есть в продаже на сегодняшний день.

Я выше писал, о возможной из некоторых причин нераспространении в массах радиостанции первой категории, это труднодоступность элементной базы. Только вот по UW3DI это не заметно, что у нас не могли при желании что-то найти или достать для его постройки. И находили радиодетали, строили его многие радиолюбители, для них не было преград. Так вот у кого какие мнения по этому вопросу.

Все же по чему не получила радиостанция первой категории такого массового распространения. Вот лично мне некоторые схемотехнические решения ну скажем так импонируют. И кстати я иногда некоторые использовал для в конструкциях. Всем всего доброго и буду признателен за мнение радиолюбителей.

-4