Найти в Дзене
Войти
1,0×
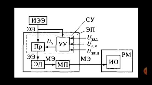
Назначение и основные элементы электропривода
66 просмотров · 1 год назад
00:00
/
11:12
Ильмира Масьянова
43 подписчиков
Подписаться
Хотите видеть больше публикаций по теме «Образование»?
Давайте
Образование
4,84 млн интересуются
Следить за темой
614643549.1796.1762199956698.70683