06:44
1,0×
00:00/06:44
723,3 тыс смотрели · 4 года назад
787 читали · 4 года назад
Стабильный (кварцевый) низкочастотный генератор импульсов: все просто.
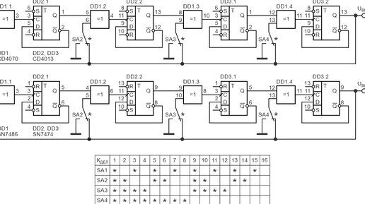
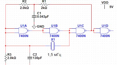
Кратко рассматривается простая схема кварцевого генератора с делителем, с скважностью 2. Задача: получить меандр со скважностью  2 и частотой в пределах 8-10 кГц для дальнейшего использования в блоке развертки стробоскопической приставки к осциллографу...
902 читали · 3 года назад
Код Manchester-II. Часть 2. Кодирование. Модуляция
Процесс кодирования информации в код Manchester-II прост. Во всяком случае, в теории и в том виде, как это показано во многих статьях и на страницах учебников. Но практика, как всегда, вносит свои коррективы. Сегодня мы рассмотрим, как устроен модулятор кодера Manchester-II. Полноценный кодер включает в себя много других узлов, кроме модулятора. Но, поскольку объем материала и размер статей получается очень большим, а описание подробным, аппаратный кодер, причем несколько вариантов, и программный кодер будут темами последующих статей...