06:44
1,0×
00:00/06:44
757,5 тыс смотрели · 4 года назад
4171 читали · 3 года назад
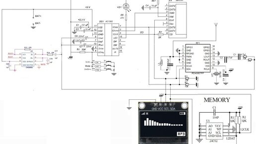
Микросхеме RDA5807FP (FM стерео радиоприемник), самый простой способ подключения дисплея
Добрый день дорогие друзья На моем канале было выложено много различной информации о микросхеме RDA5807FP, и в основном оспособах ее подключения в кнопочном режиме без микроконтроллера. Все это можно легко найти и посмотреть в Каталоге публикаций моего канала. В комментариях к этим публикациям, посетители моего канала у меня неоднократно спрашивали, а можно подключить дисплей. Да, можно, в интернете есть огромное количество информации о таких подключениях к микроконтроллерам и отладочных плат Arduino...
305 читали · 2 года назад
Аудиопроцессор BD37534FV + дисплей 0.96′ I2C 128X64 OLED(Arduino)
На базе Arduino Nano (Uno) с использованием аудиопроцессора BD37534FV можно собрать очень качественный регулятор тембра (три полосы) и громкости. Аудиопроцессор BD37534FV имеет три стерео входа и шесть выходов, два из которых выходы для двух сабвуферов. Технические характеристики аудиопроцессора BD37534FV: Дисплей 0.96′ I2C 128X64 OLED на контроллере SSD1306 — это миниатюрный OLED-дисплей с разрешением 128×64 пикселей, который подключается к микроконтроллеру по интерфейсу I2C. Он имеет контроллер SSD1306, который управляет отображением изображений на дисплее...