Секрет сдвигового регистра. Просто и понятно о сложном
Универсальный сдвиговый регистр
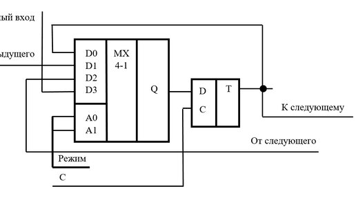
В данной статье мы рассмотрим построение универсального сдвигового регистра. Регистром называется цифровой автомат, основным назначением которого является приём информации (запись), временное хранение и выдача. Этот минимум операций выполняется простейшим триггером хранения. Сдвиговый регистр - это модифицированный регистр хранения, в котором триггеры связаны между собой цепями последовательного переноса, позволяющими синхронно переносить содержимое одних триггеров в другие триггеры внутри регистра, в результате чего реализуется сдвиг...
Микроконтроллеры для начинающихю Часть 22. Сдвиги, вращения, перестановка бит
Продолжаем знакомство с системами команд микроконтроллеров. В предыдущей статье "Микроконтроллеры для начинающих. Часть 21. Команды манипуляции битами" мы рассмотрели, немного подробнее, чем обычно, битовые команды. Это была относительно сложная для новичков тема, поэтому я и уделил ей больше внимания. Сегодня мы поговорим о командах сдвигов. Это еще более сложная для новичков тема, но и более интересная. Поэтому и разговор будет еще более подробный. Стоит отметить, что все ранее рассмотренные команды, так или иначе, напрямую соотносились с возможностями языка С...