"DIFFERENCIAL" Звуковой усилитель ISD Как он работает и как усиливает звук.
Дифференциальный усилитель
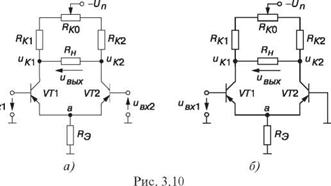
Дифференциальный усилитель — это балансный (мостовой) усилитель постоянного тока с параллельным включением транзисторов с одинаковыми характеристиками, в котором коллекторные сопротивления Rki и Rk2 и внутренние сопротивления транзисторов VT1 и VT2 образуют плечи моста. Резистор Rgg служит для балансировки каскада (установки нуля). Цепи смещения транзисторов не показаны. Если левая и правая части усилителя с симметричным входом и выходом идентичны, то повышение (понижение) температуры или напряжения...
Дифференциальный усилитель воспроизведения для магнитофона.
Приветствую на канале. Сегодня я хочу затронуть такую тему, как усилитель воспроизведения для кассетного магнитофона. Понимаю, что время магнитофонов ушло, но так или иначе интерес к ним остался. И вот, в очередной раз я решил сделать магнитофон. Мне стало интересно как поведет себя дифференциальный усилитель, в роли усилителя воспроизведения. Схема получилась следующая. Так как, коэффициент усиления данной схемы небольшой, нужно добавить предусилитель и организовать коррекцию. Для этого я подключил следующую схему...