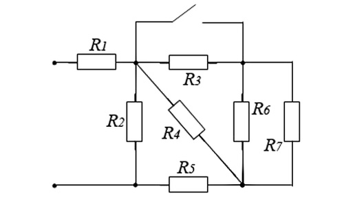
Как изменятся показания амперметра при замыкании ключа К в электрической цепи, изображенной на рисунке? Все сопротивления одинаковы.
Определить эквивалентное сопротивление цепи при разомкнутом и замкнутом положении ключа. Сопротивления всех резисторов равны 120 Ом
Для нахождения эквивалентного сопротивления цепи необходимо сворачивать схему, начиная с наиболее удалённых от входных зажимов ветвей, последовательно заменяя участки цепи их эквивалентными сопротивлениями. Процесс продолжается до тех пор, пока вся схема не будет сведена к одному результирующему сопротивлению между заданными выводами. Метод эквивалентных преобразований особенно удобен для анализа пассивных цепей, содержащих только резистивные элементы, соединённые последовательно и параллельно. Решение: 1...
Конденсатор в цепи переменного тока. Емкостное сопротивление.
Для школьников. Кроме активного сопротивления, в цепях переменного тока возможно существование емкостного и индуктивного сопротивлений. Про индуктивное сопротивление будет говориться в следующей статье, а сейчас речь пойдёт об емкостном сопротивлении. Рассмотрим опыты, позволяющие увидеть существование емкостного сопротивления. Две маленькие одинаковые электрические лампочки подключались к источникам одинакового напряжения. Но одна (правая) подключалась к источнику постоянного тока (аккумуляторной батарее), а другая (левая) - к источнику переменного тока...