Что означают названия выводов микросхем_ AVdd, AVcc, AVss, AVee, GND, AREF, AVcc
KiCad для начинающих §7. Продолжаем знакомство. Скрытые выводы, цепи, шины
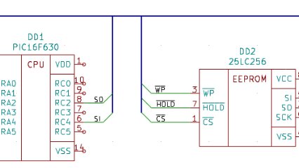
В предыдущей статье мы не только познакомились с редактором схем, но и подготовили полноценную, пусть и очень простую, схему симметричного мультивибратора. И это очень важный и большой шаг, причем практический. Эта схема, хоть мы и не сделали этого, пройдет и контроль корректности (ERC). И на основе этой схемы можно сделать полноценную печатную плату. Однако, эта же простота схемы позволила нам рассмотреть лишь некоторые средства редактора схем KiCad. И сегодня мы А вот до иерархических схем опять не доберемся, они будут темой отдельной статьи, уже после знакомства с редактором печатных плат...
Эхолот (глубиномер/дальномер) на Arduino и влагозащищенном датчике расстояния JSN-SR04T-V3.0
Внимание! Прибор находится на стадии тестирования и отладки. Выявлена следующая проблема: В воздушной среде прибор отображает ожидаемые значения, но при погружении датчика в воду на водоеме постоянно отображает глубину 1.0 метра. Предположительно, проблему может решить изменение значений аргументов функций delayMicroseconds(10) и delayMicroseconds(50) в скетче на 2 и 10 соответственно. Концепция Данный прибор не является полноценным эхолотом, он не может распознать, где дно, где подводная растительность, где рыба, какой размер рыбы и т...