1694 читали · 3 года назад
Лабораторные источники питания на микросхеме TL494 (часть III)
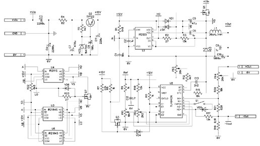
Описанная в этой части статьи схема ИПН (рис.10) дополнена использованием драйвера верхнего уровня IR2125. Существенных различий в работе, по сравнению с предыдущими ИПН+ЛИП, схема не имеет. Для этой схемы разработана печатная плата (рис.11) с возможностью применения одной из четырех микросхем IR2125 (U1), IR2184 (U3), IR2111 (U4), IR2104 (U5). Термозащита и защита от перенапряжения в данной схеме отсутствуют, но, при необходимости, ввод этих защит возможен (в данной статье не рассматривается). Особенности ИПН (рис...
140 читали · 7 лет назад
Сдвоенный драйвер затворов ключей нижнего уровня на 5 А
IX4340 от компании IXYS - это сдвоенный сильноточный драйвер затворов ключей нижнего уровня. Каждый из двух выходов рассчитан на пиковый ток 5 А с выходным напряжением до 20 В. Оба выхода могут быть запараллелены для увеличения выходного тока. Малые времена задержки распространения и нарастания/спада позволяют использовать IX4340 в высокочастотных приложениях. Логические входы драйвера работают с TTL- и CMOS-уровнями, для каждого выхода есть независимая функция Enable. При снижении питающего напряжения...