Обзор ГЕНЕРАТОРА ПОМЕХ для Сотового Телефона ГЛУШИЛКА
Как работают глушилки сотовых телефонов
Добрый день дорогие друзья Сотовые телефоны в наши дни повсюду. По данным операторов мобильной связи, только в РФ более 286 млн абонентов, при населении 145 млн человек, и ничего удивительного в этом нет, так как у каждого из нас есть по 2-3 и более симки. С сотового телефона можно позвонить куда угодно, кому угодно и в любое время. Но к сожалению в некоторых местах (не в столь отдаленных) и других тоже, очень часто бывают ситуации, когда звонки и разговоры не уместны и не желательны. Многие, например...
Глушилка сигнала сотового телефона своими руками
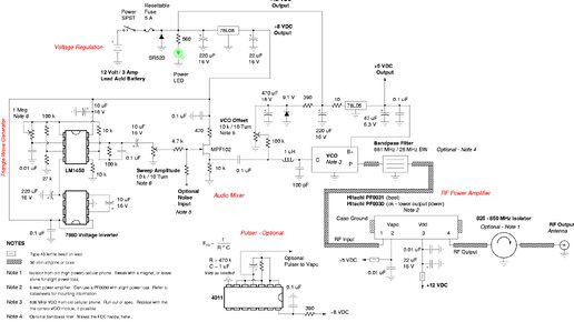
С развитием и распространением мобильных телефонов появились и средства считывания информации через GSM каналы. В настоящее время злоумышленникам доступны различные шпионские гаджеты. Они позволяют подключаться к любому телефонному аппарату и считывать с него информацию. Так же распространены случаи дистанционной активации микрофона в телефоне и прослушивание происходящего вокруг. Ели вы обеспокоены за конфиденциальность ваших разговоров, можно собрать глушитель сигнала сотового телефона. Понадобится Для изготовления прибора нам понадобятся: Схема глушилки Тут нет ничего сложного...