1123 читали · 2 года назад
Делитель напряжения на резисторах
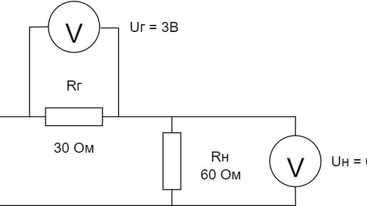
Ранее я рассказывал о том, как снизить питающее напряжение с помощью гасящего резистора. Это самый простой способ, но у него есть один существенный недостаток: его нельзя использовать с изменяющейся нагрузкой. Вообще в случаях, когда потребляемый ток может изменяться в значительных пределах, лучше использовать стабилизированные источники питания. Но если по каким-то причинам это невозможно или нежелательно, то можно обойтись и резисторами. Потенциометрический делитель (его также называют делителем напряжения) - это два последовательно включенных резистора...
04:18
1,0×
00:00/04:18
36,6 тыс смотрели · 5 лет назад