294 читали · 2 дня назад
Реальны ли волновые функции? Философский кризис в самом сердце физики
Физика ХХ века начала тихую философскую революцию, которую мы до сих пор не осмелились признать. Квантовая механика поставила под сомнение не просто наше понимание атомов или элементарных частиц — она бросила вызов самому понятию реальности. В самом сердце этой проблемы лежит волновая функция — математический объект, который либо является самой фундаментальной частью реальности, либо просто удобной фикцией для расчётов. И этот выбор — не просто технический вопрос для узких специалистов. Это философский кризис, затрагивающий саму основу того, что мы считаем существующим...
990 читали · 4 года назад
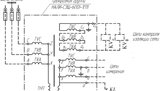
Защита трансформаторов напряжения 6-35 кВ от феррорезонанса
Статья о феррорезонансе: https://zen.me/1tjS0mx1 Для защиты от феррорезонанса используются различные конструктивные решения, которые рассмотрим ниже. 1. НАЛИ-СЭЩ-6(10)-1(11) Для защиты от феррорезонанса используется автоматика, которая контролирует появление резонанса, и четвертый трансформатор – трансформатор нулевой последовательности (ТНП), закреплен на трех ТН со стороны выводов первичных обмоток и выполняет функцию защиты измерительного блока литых трансформаторов при феррорезонансных процессах...