Как работает ЭНКОДЕР? Самое понятное объяснение!
Использование энкодеров в проектах на микроконтроллерах: примеры и особенности подключения
Введение
Энкодер — датчик углового положения, преобразующий поворот вала в последовательности электрических сигналов. Его применяют в интерфейсах пользователя (регуляторы в меню, громкость), приводах, ЧПУ, робототехнике и измерительных системах. Правильный выбор типа энкодера, схемы подключения и алгоритма обработки напрямую влияет на надёжность и
«ощущение» от работы поворотной ручки.
В статье собраны практические рекомендации из нескольких источников и полевой опыт: от выбора и согласования уровней...
Энкодеры и их разновидности
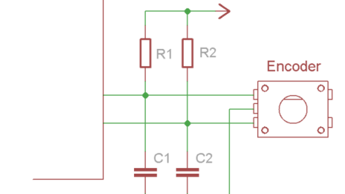
Энкодер — измерительный прибор, определяющий угол поворота вращающегося устройства. Это может быть вал двигателя или редуктор. Он измеряет: Цифровой сигнал изменяется в зависимости от угла поворота. Датчик его обрабатывает и выводит показания. Виды энкодеров Делятся по способу получения информации: В свою очередь, описанные выше энкондеры бывают: Параметры энкодера Монтаж и подключение Монтируется устройство в зависимости от типа вала. Если он сплошной, то прибор закрепляют с помощью муфты. Корпус хорошо фиксируется, чтобы не допустить вращения...