Ремонт SUZUKI SX4 — устраняем стук в рулевой рейке Остались вопросы? Звоните по номеру 📞 8 800 505 13 85 и мы оперативно вас проконсультируем.
Стук в рулевой рейке. Почему стучит рейка?
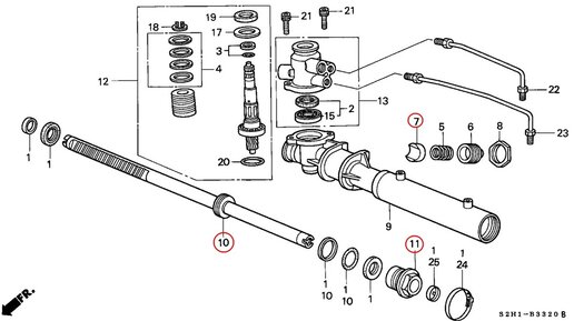
Как часто приходится слышать от хондаводов грустную фразу: «у меня застучала рейка рулевая, придется менять, наверное… она же дорогая?». На такие вопросы всегда хочется с радостью ответить: «Очень дорогая!» при этом, нисколько не обманув человека. Действительно, рулевая рейка, или рулевой редуктор, является очень-очень дорогостоящим узлом автомобиля. Бывало так, что цена, выставляемая поставщиком за эту деталь, достигала четверти реальной стоимости автомобиля на рынке. После оглашения ее клиенту,...