Подключение ПТФ через реле в блоке IPDM на Nissan X-Trail
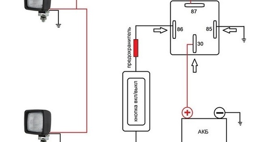
Подключение противотуманных фар (ПТФ) через четырёхконтактное реле к мотоциклу
Для выполнения работ потребуются следующие материалы и инструменты: Противотуманные фары; Четырехконтактное реле; Предохранитель соответствующего номинала; Проводка с подходящим сечением; Клеммы типа "мама" и "папа"; Изолента или термоусадочные трубки; Инструмент для зачистки проводов (например, нож или специальный инструмент); Отвертка; Паяльник (по желанию). Подготовка к работе Перед началом установки необходимо убедиться, что все компоненты находятся под рукой, а также проверить состояние электропроводки мотоцикла...