Добавить в корзинуПозвонить
Найти в Дзене
Электротехник Равилов

Законы Кирхгофа для сложной цепи: простое и понятное объяснение

Если для простых цепей достаточно закона Ома, то для расчета разветвленных электрических цепей с несколькими источниками энергии и множеством ветвей используют законы (правила) Кирхгофа. Это фундаментальный инструмент, позволяющий определить токи на всех участках схемы. Анализ структуры цепи Прежде чем переходить к формулам, необходимо определить параметры нашей схемы: Сколько уравнений необходимо составить? Для полного расчета цепи количество уравнений в системе должно строго равняться числу ветвей (Nв). В нашем случае их должно быть 6. Эти уравнения распределяются между первым и вторым законами Кирхгофа. 1. По первому закону Кирхгофа (для узлов):
Количество уравнений равно Nу-1, где Nу - общее число узлов в схеме.
У нас 4 узла, значит, нам нужно составить 3 уравнения. Важный акцент: Вы можете выбрать любые три узла из четырех. Четвертое уравнение для оставшегося узла всегда будет следствием первых трех и для решения системы не требуется (оно используется только для проверки). 2. По

Если для простых цепей достаточно закона Ома, то для расчета разветвленных электрических цепей с несколькими источниками энергии и множеством ветвей используют законы (правила) Кирхгофа. Это фундаментальный инструмент, позволяющий определить токи на всех участках схемы.

Анализ структуры цепи

Прежде чем переходить к формулам, необходимо определить параметры нашей схемы:

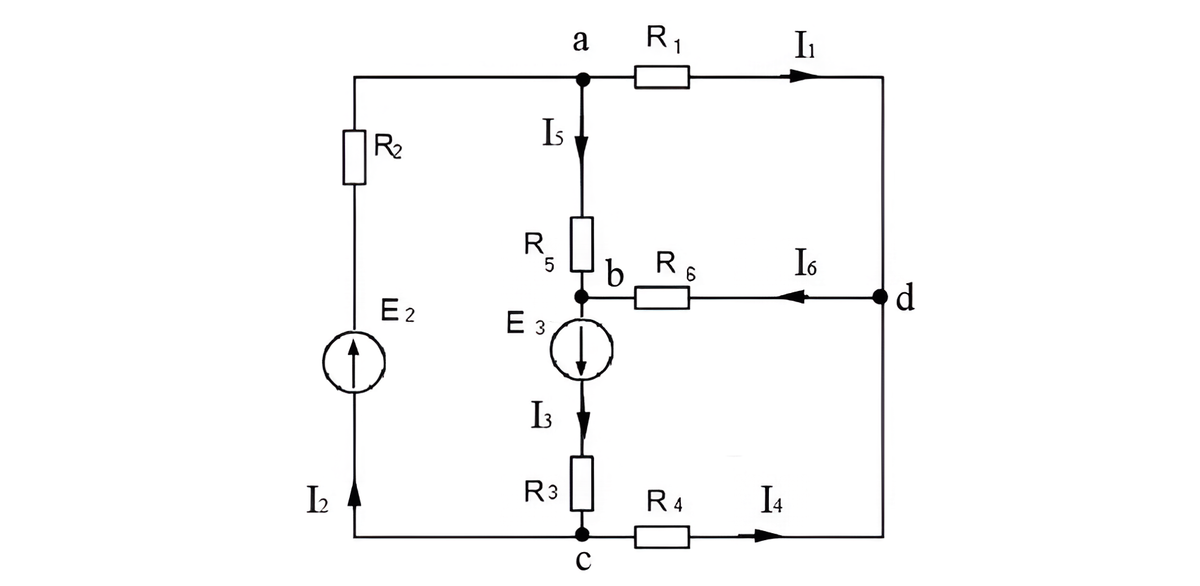
  • Ветвь — участок цепи, по которому течет один и тот же ток. В нашей схеме 6 ветвей (токи I₁...I₆).
  • Узел — точка соединения трех и более ветвей. В данной схеме 4 узла (обозначены буквами a, b, c, d).
  • Контур — любой замкнутый путь, проходящий по ветвям цепи.

Сколько уравнений необходимо составить?

Для полного расчета цепи количество уравнений в системе должно строго равняться числу ветвей (Nв). В нашем случае их должно быть 6. Эти уравнения распределяются между первым и вторым законами Кирхгофа.

1. По первому закону Кирхгофа (для узлов):
Количество уравнений равно Nу-1, где Nу - общее число узлов в схеме.
У нас 4 узла, значит, нам нужно составить
3 уравнения.

Важный акцент: Вы можете выбрать любые три узла из четырех. Четвертое уравнение для оставшегося узла всегда будет следствием первых трех и для решения системы не требуется (оно используется только для проверки).

2. По второму закону Кирхгофа (для контуров):
Оставшиеся уравнения (в нашем случае
6-3=3) составляются для независимых контуров.

Что такое независимый контур? Это такой замкнутый путь, который включает в себя хотя бы одну новую ветвь, ранее не вошедшую в уже выбранные контуры. Хотя в сложной схеме можно найти гораздо больше трех путей, нам важны только независимые «ячейки», чтобы система уравнений имела решение.

Составляем систему уравнений

                        Рисунок 1 - Схема цепи с обозначенными узлами и направлениями токов
Рисунок 1 - Схема цепи с обозначенными узлами и направлениями токов

Шаг 1. Первый закон Кирхгофа

Токи, втекающие в узел, берем со знаком «плюс», вытекающие — со знаком «минус». Составим уравнения для узлов a, b и d:

  • Узел a: -I₁+I₂-I₅=0
  • Узел b: I₅+I₆-I₃=0
  • Узел d: I₁+I₄-I₆=0

Шаг 2. Второй закон Кирхгофа

Выбираем направление обхода каждого контура по часовой стрелке. Если направление тока или ЭДС совпадает с обходом — ставим «+», если направлено навстречу — «-».

     Рисунок 2 - Схема цепи с обозначенными узлами, направлениями токов и обходами контуров
Рисунок 2 - Схема цепи с обозначенными узлами, направлениями токов и обходами контуров
  • Для левого контура: I₂·R₂+I₅·R₅+I₃·R₃=E₂+E₃
  • Для верхнего правого: I₁·R₁+I₆·R₆-I₅·R₅=0
  • Для нижнего правого: -I₆·R₆-I₄·R₄-I₃·R₃=-E₃
(Примечание: в последнем уравнении мы движемся против всех токов и против ЭДС E₃, поэтому все слагаемые получили знак минус).

Особенности и преимущества данного метода

Прямое применение законов Кирхгофа считается «классикой» электротехники. Несмотря на то, что для больших схем система получается объемной, этот метод обладает неоспоримыми плюсами:

  • Физическая наглядность: каждое уравнение четко описывает закон сохранения заряда или энергии на конкретном участке.
  • Отсутствие ограничений: метод применим к цепям любой конфигурации с любым количеством источников.
  • Простота алгоритма: расчет сводится к механическому выполнению простых правил расстановки знаков, что исключает логические ошибки.

Читайте также: