Добавить в корзинуПозвонить
Найти в Дзене
NPN-PNP

Как работают стабилизаторы напряжения, их разновидности и схемы. Электропитание БРЭА. Лекция №4

Электропитание БРЭА. Лекция №4 – Схемы функциональных узлов источников питания. Стабилизаторы. Все статьи по теме: В большинстве устройств БРЭА и бытовой технике используются вторичные ИП, постоянного тока или напряжения, со стабилизацией. Такие источники питания бывают нескольких типов: а. Параметрические стабилизаторы – это стабилизаторы у которых стабилизация достигается за счёт какого либо параметра элемента стабилизации (напряжения пробоя, тока насыщения) б. Компенсационные стабилизаторы – это стабилизаторы осуществляющие сравнение с опорной величиной, и приведение к заданному значению выходного параметра путем воздействия на регулирующий элемент. в. Комбинированные стабилизаторы – стабилизаторы, содержащие в себе оба способа стабилизации. г. Импульсные стабилизаторы – стабилизаторы в которых регулирование осуществляется в импульсном режиме. Итак, ранее мы рассматривали схемы понижения сетевого напряжения, но так же и первичные источники питания (АКБ и батарейки), и там и там выхо
Оглавление

Электропитание БРЭА. Лекция №4 – Схемы функциональных узлов источников питания. Стабилизаторы.

Все статьи по теме:

1. Типы стабилизаторов электропитания.

В большинстве устройств БРЭА и бытовой технике используются вторичные ИП, постоянного тока или напряжения, со стабилизацией. Такие источники питания бывают нескольких типов:

а. Параметрические стабилизаторы – это стабилизаторы у которых стабилизация достигается за счёт какого либо параметра элемента стабилизации (напряжения пробоя, тока насыщения)

б. Компенсационные стабилизаторы – это стабилизаторы осуществляющие сравнение с опорной величиной, и приведение к заданному значению выходного параметра путем воздействия на регулирующий элемент.

в. Комбинированные стабилизаторы – стабилизаторы, содержащие в себе оба способа стабилизации.

г. Импульсные стабилизаторы – стабилизаторы в которых регулирование осуществляется в импульсном режиме.

Итак, ранее мы рассматривали схемы понижения сетевого напряжения, но так же и первичные источники питания (АКБ и батарейки), и там и там выходное напряжение может меняться со временем или например, с изменением тока нагрузки. А может быть просто слишком высоким для питания устройства. Соответственно это напряжение надо стабилизировать на нужном уровне.

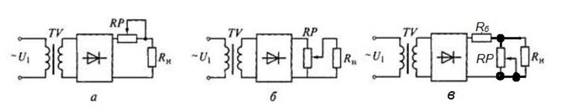
Допустим исходное значение напряжения колеблется в пределах 10…15В, а напряжение питания нагрузки Rн должно быть 5±0,1В. Вот три основных способа как это сделать, с применением потенциометра, на примере трансформаторного источника питания с диодным мостом.

Для регулирования выходного напряжения после диодного моста, последовательно с нагрузкой добавим потенциометр RP (мощный переменный резистор) рис 1а. Такое регулирование называется последовательным, или регулятор с последовательным регулирующим элементом. Сопротивление RP выбирается таким, чтобы при напряжении с диодного моста равном 12В, на нагрузке было 5В.

Если напряжение на выходе выпрямителя увеличится, то мы увеличиваем сопротивление потенциометра, что приводит к увеличению падения напряжения на нём и соответственно к возврату напряжения на нагрузке к заданному уровню.

Рисунок 1
Рисунок 1

Если напряжение на выходе выпрямителя уменьшится, то мы уменьшаем сопротивление потенциометра, что приводит к уменьшению падения напряжения на нём и соответственно к возврату напряжения на нагрузке к заданному уровню.

На рисунке 1б показан вариант включения потенциометра, с питанием нагрузки от подвижного контакта. И, поворачивая его, мы изменяем напряжение, однако такое включение приводит к тому что через потенциометр постоянно протекает ток, и только часть его поступает в нагрузку, к тому же для регулирования напряжения с большими токами нагрузки, его сопротивление должно быть низким и мощность, выделяемая на нём, будет больше чем мощность в нагрузке. В общем, такое включение применяется крайне редко, и зачастую при очень малой мощности.

На рисунке 1в показана схема с потенциометром, включенным параллельно нагрузке, и с добавлением балластного резистора Rб. В ней, при среднем положении RP, напряжение на нагрузке равняется заданному.

Если напряжение на выходе выпрямителя увеличится, то мы уменьшаем сопротивление потенциометра, что приводит к увеличению тока через него. Это увеличение тока, приводит к увеличению падения напряжения на балластном резисторе Rб, и соответственно к возврату напряжения на нагрузке к заданному уровню.

Если напряжение на выходе выпрямителя уменьшится, то мы увеличиваем сопротивление потенциометра, что приводит к уменьшению тока через него. Это уменьшение тока, приводит к уменьшению падения напряжения на балластном резисторе Rб, и соответственно к возврату напряжения на нагрузке к заданному уровню.

В такой схеме “лишнее” напряжение, как бы ложится на баласт того самого Rб, а регулирующий элемент, изменяя пропускаемый через себя ток, управляет величиной падения напряжения на Rб.

Но в реальности стоять и «ручками» регулировать напряжение, выступая в качестве стабилизатора, никто не будет. Для этого разрабатываются и реализуются различные схемы электронных устройств называемых «стабилизаторами напряжения», которые самостоятельно вырабатывают управляющее воздействие на регулирующий элемент с целью поддержания выходного напряжения на заданном уровне с заданной точностью.

В этой лекции мы рассмотрим первые три типа стабилизаторов напряжения, а импульсные рассмотрим в следующей. Стабилизаторы тока так же рассмотрим в другой раз.

2. Параметрические стабилизаторы.

Это стабилизаторы, эффект стабилизации в которых достигается за счёт свойств ВАХ регулирующего элемента, чаще всего которым выступает стабилитрон. Как известно, на обратной ветви ВАХ стабилитрона, есть область пробоя, в которой с ростом напряжения приложенного к стабилитрону, ток растёт резко и ограничивается динамическим сопротивлением пробитого p-n перехода, которое очень мало и для стабилитронов различной мощности составляет десятки или сотни Ом.

Ниже приведена классическая схема параметрического стабилизатора на

стабилитроне, которая состоит всего из двух элементов – стабилитрона VD1 и балластного резистора Rб.

Рисунок 2 - схема параметрического стабилизатора на стабилитроне
Рисунок 2 - схема параметрического стабилизатора на стабилитроне

Ранее уже подробно рассматривали как работает эта схема. Повторим вкратце.

Входное, не стабилизированное напряжение прикладывается к последовательной цепочке Rб, VD1 и вызывает ток входа Iвх. Этот ток делится на две составляющие – ток стабилитрона (Iст) и ток нагрузки (Iн). При этом входное напряжение как бы делится на падение напряжения на балластном резисторе Rб и напряжение стабилизации стабилитрона Uст, Uвх=URб+UСТ. Выходное стабилизированное напряжение снимается с выводов стабилитрона VD1.

Допустим, что входное напряжение по какой-то причине выросло. Это по цепи приводит к росту напряжения на катоде стабилитрона, но поскольку он находится в режиме пробоя (который для стабилитрона является рабочим режимом и называется режимом стабилизации), то малейшее повышения напряжения приводит к резкому росту тока через стабилитрон, а это влечёт за собой аналогичное увеличение входного тока, что вызывает увеличение падения напряжения на балластном резисторе Rб, и ограниченное изменение UСТ.

Аналогично происходит стабилизация напряжения при уменьшении входного напряжения, только теперь происходит заметное снижение тока стабилитрона с уменьшением напряжения на балластном резисторе.

Простота, дешевизна и надёжность этой схемы привели к массовому её применению. Но как обычно есть и ряд недостатков:

– малый выходной ток

– относительно низкий коэффициент стабилизации

Для компенсации первого недостатка применили простое решение – добавили транзисторный усилитель тока, что многократно повысило нагрузочную способность схемы, рис.3

Рисунок 3 - как увеличить нагрузочную способность параметрического стабилизатора
Рисунок 3 - как увеличить нагрузочную способность параметрического стабилизатора

В этой схеме, между нагрузкой и параметрическим стабилизатором, включен усилитель тока на транзисторе VT1. И теперь нагрузкой параметрического стабилизатора является вход усилителя по схеме эмиттерного повторителя (схема с общим коллектором), в результате выходной ток исходной схемы теперь увеличивается в h21 раза. Как известно h21 маломощных транзисторов достигает нескольких сотен (например 300) стало быть если исходный стабилизатор позволял получить в нагрузке 20мА тока при стабильном напряжении, то в такой схеме ток нагрузки может достигать нескольких Ампер. А если использовать составной транзистор, то и десятки Ампер.

При этом стоит учитывать, что выходное напряжение теперь не равно напряжению стабилизации стабилитрона, оно теперь меньше на величину прямого падения напряжения на переходе б-э транзистора:

Uвых=Uст-Uбэ

В результате если ранее для получения напряжения стабилизации 5В мы использовали стабилитрон на 5,1В, то теперь для этих целей нужно применять стабилитрон на 5,6…5,8В.

При этом максимальный выходной ток определяется так:

IвыхMAX=IвхСТ* h21_VT1

3. Компенсационные стабилизаторы.

Схема на рисунке 3 позволила решить проблему низкой нагрузочной способности, но при этом ещё больше усугубила проблему низкого коэффициента стабилизации и температурного дрейфа напряжения стабилизации.

Дело в том, что с ростом тока нагрузки увеличивается нагрев, то же происходит и сростом температуры окружающей среды. А это как известно приводит к снижению Uбэ транзистора, что само по себе изменяет величину выходного напряжения.

К тому же напряжение стабилизации стабилитрона то же зависит от его температуры, да и не нулевое значение динамического сопротивления, так же приводит к изменению Uст при изменении тока через стабилитрон.

С целью значительного увеличения коэффициента стабилизации, в схему вводится следящая отрицательная обратная связь (ООС) которая сравнивает значение напряжения от стабильного маломощного источника с выходным напряжением стабилизатора, и вырабатывает управляющее воздействие на силовой элемент, с целью компенсации отклонения выходного напряжения.

Простейшая схема такого стабилизатора представлена на рисунке 4, в неё добавлен ещё один транзистор (VT2) включенный по схеме с общим эмиттером и выполняющий сравнение выходного напряжения с опорным. Которое формируется при помощи ранее описанного простейшего параметрического стабилизатора. Фактически этот транзистор выполняет усиление сигнала рассогласования между опорным напряжением и выходным.

Рисунок 4 - схема компенсацинного стабилизатора
Рисунок 4 - схема компенсацинного стабилизатора

Рассмотрим подробней работу схемы на рисунке 4.

Итак, в первоначальный момент времени, когда напряжение на вход только подано, на выходе напряжение отсутствует. Транзистор VT2 закрыт, ибо разность напряжений между базой и эмиттером равна нулю.

Входное напряжение через R1 поступает на базу VT1 и обеспечивает протекание тока базы, открывая транзистор VT1, что приводит к появлению и быстрому нарастанию выходного напряжения.

Это напряжение поступает единовременно на параметрический стабилизатор VD1Rб и делитель R2R3, но поскольку до наступления пробоя стабилитрона, он ток не проводит, то на Rб нет и падения напряжения, и всё Uвых поступает на эмиттер VT2. При этом на его базу поступает напряжение с делителя R2R3 которое всегда меньше Uвых. Таким образом к базе VT2 подводится закрывающее напряжение обратного смещения, пока напряжение параметрического стабилизатора не станет равным напряжению стабилизации стабилитрона, а выходное напряжение делителя R2R3 не превысит его примерно на 0,5В.

Когда Uбэ транзистора VT2 достигнет порога его открывания, транзистор войдёт в усилительный режим и открываясь начнёт пропускать ток коллектора, который, за счёт падения напряжения на R1, станет понижать напряжение на базе VT1, и приведёт к его прикрытию, тем самым прекратив рост выходного напряжения.

Далее, при возникновении изменения выходного напряжения, схема будет призакрывать транзистор при увеличении и приоткрывать при уменьшении.

Повышение коэффициента стабилизации напряжения, достигается за счет того что:

а. Стабилитрон запитывается от выходного, стабилизированного напряжения.

б. Нагрузка опорного стабилизатора практически не зависит от тока в нагрузке схемы.

Примечательно, что в этой схеме достаточно легко можно организовать изменение величины напряжения стабилизации. Для этого достаточно в цепь делите R2R3 поставить переменный или подстроечный резистор.

Добиться значительно лучших характеристик схемы, позволяет использование дифференциальных согласованных каскадов, или вовсе готовый интегральных операционных усилителей. Но это уже выходит за рамки нашей лекции.

Стоит обратить внимание на мощность которую могут обеспечить данные схемы.

Дело в том что регулирующий элемент, а это транзистор, обладает конечным значением мощности рассеивания. И даже если по паспортным данным вы используете транзистор с током коллектора до 20А, напряжением Uкэ до 100В и мощностью до 100Вт. И решите построить стабилизатор с выходным напряжением 5В током нагрузки 10А, который будет запитан от источника с напряжением 24В (например АКБ грузового автомобиля). То падение напряжения на транзисторе (а это и есть напряжение Uкэ) будет составлять:

Uкэ=24В-5В=19В

Что при токе в нагрузке 10А, даст мощность выделяемую на коллекторе транзистора равную:

Pк=10А*19В=190Вт

Как видим, это на много больше максимальной допустимой мощности рассеивания транзистора. Попросту говоря, транзистор перегреется и выйдет из строя.

Соответственно для корректной работы регулирующего элемента, необходимо всегда учитывать область безопасной работы транзистора, которая помимо величины токов и напряжений, учитывает так же и температуру окружающей среды.

В общем, область безопасной работы, это та часть графика в которой произведение тока на напряжение, даёт мощность не превосходящую максимальную мощность рассеивания коллектора в заданных условиях.

Рисунок 5
Рисунок 5

4. Интегральные линейные стабилизаторы.

Радиоэлектронной промышленностью выпускается широкая номенклатура готовых интегральных стабилизаторов, вот некоторые наиболее распространённые серии из них:

4.1 Из отечественных – это всем известные К142ЕН5(А, Б) с фиксированным напряжением стабилизации 5В и 6В соответственно, известны в народе под сокращённым названием КРЕН5А. Выпускаются в корпусе КТ-26-2 (TO-220) Микросхема относится к стабилизаторам последовательного типа. Вот типовая схема включения:

Рисунок 6
Рисунок 6

Имеют вот такое внутреннее устройство:

Рисунок 7 - внутренняя схема микросхемы стабилизатора К142ЕН5
Рисунок 7 - внутренняя схема микросхемы стабилизатора К142ЕН5

Эта же микросхема может быть включена в схему с регулировкой выходного напряжения, при этом возможно только увеличение выходного напряжения относительно фиксированного:

Рисунок 8
Рисунок 8

К142ЕН8(А, Б, В…) это линейка стабилизаторов аналогична предыдущим, но на напряжения 9, 12 и 15 вольт. Схема включения, корпус и внутреннее устройство аналогичны К142ЕН5:

Рисунок 9
Рисунок 9

4.2 Номенклатура импортных интегральных стабилизаторов много шире.

Начнём с комплементарных серий 78L**и 79L** - это микросхемы, аналоги наших КРЕН5А, с много более широки рядом значений напряжения стабилизации, при этом 78L** - стабилизаторы положительной полярности, а 79L**- стабилизаторы отрицательной полярности:

L78L33AC – 3,3В; L78L05AC - 5В; L78L06AC – 6В; L78L08AC – 8В; L78L09AC – 9В; L78L12AC – 12В; L78L15AC – 15В; L78L18AC – 18В; L78L24AC – 24В;

По мимо этого, линейка представлена в широкой номенклатуре корпусов:

Рисунок 10
Рисунок 10

Кроме указанных на рисунке выше есть они и в ТО220 и в SOT-23 и в других.

Есть так же стабилизаторы, из этой линейки, с дополнительным выводом управления, как то 78R** рис. 11, дополнительный вывод применяется для возможности отключения выходного напряжения стабилизатора, например по команде с микроконтроллера производится отключение части схемы от питания при переходе в дежурный режим или при переключении режима работы устройства. Тем самым нет нужды использовать отдельный внешний ключ для коммутации.

Рисунок 11 – интегральный стабилизатор KIA78R05 и схема его включения
Рисунок 11 – интегральный стабилизатор KIA78R05 и схема его включения

Отдельно стоит отметить стабилизаторы из этой серии которые могуд работать с низкой разницей между входным и выходным напряжение – это стабилизаторы LOW DROP VOLTAGE (LDV) К ни относятся L7805CV, MC7805CTG, UA7805CKCT. Эти стабилизаторы позволяют получить максимальный КПД, так как им достаточно входного напряжения 6В для стабилизации выходного напряжения в 5В, т.е падение напряжение всего 1В, и при токе в 1А мощность будет выделяться всего 1 Вт.

4.3 Широко распространены так же стабилизаторы LM317, то же последовательного типа но не на фиксированное напряжение, а на диапазон 1,7…37В.

Рисунок 12
Рисунок 12

Так же выпускаются в разных корпусах, и может применяться как для стабилизации тока, так и для стабилизации напряжения, рис 12.

4.4 Стабилизаторы серии AMS1117-** серия стабилизаторов с рядом фиксированных напряжений и вариант (adj) – с регулируемым выходным напряжением, рис. 13:

Рисунок 13
Рисунок 13

Кроме того, эта серия имеет низкую величину допустимой разницы между входным и выходным напряжением (low drop) равной 1В.

Есть ещё стабилизаторы параллельного типа, это главным образом TL431(КР142ЕН19), о которой было подробно рассказано вот в этой статье:

Вот собственно и всё что хотелось рассказать о линейных стабилизаторах напряжения. В следующей лекции мы приступим к изучению импульсных стабилизаторов.

Приходите, будет интересно!