Добавить в корзинуПозвонить
Найти в Дзене
NPN-PNP

TL431=КР142ЕН19 бессмертная классика схемотехники, но все ли кто с ней сталкивался знают как она работает?

Материал был подготовлен для практической работы студентов, целью которой было освоить работу в различных САПР создания схем устройств и печатных плат по этим схемам. По результату студенты должны были выполнить саму схему в соответствии с ЕСКД и произвести расчёты номиналов схемы. Номиналы и типы элементов для каждого студента были уникальны, и рассчитывались исходя из порядкового номера по списку: Технически КР142ЕН19 и её импортный прототип TL431, называется программируемым шунтирующим регулятором, простыми словами это может быть определено как регулируемый стабилитрон. Давайте рассмотрим его спецификацию и указания по применению. На рис.1а представлено УГО КР142ЕН19 по ГОСТ, но в большинстве схем как на просторах интернета так и в печати, эта микросхема представлена в виде УГО как на рис.1б. Внутреннее устройство КР142ЕН19 показано на рис.1в, а типовая схема включения на рис.1б. Рассмотрим подробней, как работает эта микросхема, на основе её внутреннего устройства, рис.1в. Итак, ми
Оглавление

Введение - для чего это описание...

Материал был подготовлен для практической работы студентов, целью которой было освоить работу в различных САПР создания схем устройств и печатных плат по этим схемам. По результату студенты должны были выполнить саму схему в соответствии с ЕСКД и произвести расчёты номиналов схемы. Номиналы и типы элементов для каждого студента были уникальны, и рассчитывались исходя из порядкового номера по списку:

Принцип работы компенсационный стабилизатор напряжения на ИМС КР142ЕН19 (TL431)

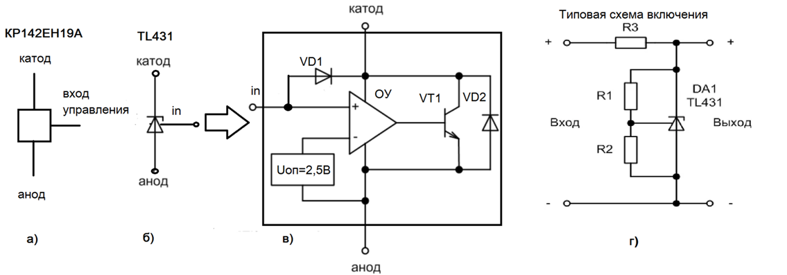
Технически КР142ЕН19 и её импортный прототип TL431, называется программируемым шунтирующим регулятором, простыми словами это может быть определено как регулируемый стабилитрон. Давайте рассмотрим его спецификацию и указания по применению. На рис.1а представлено УГО КР142ЕН19 по ГОСТ, но в большинстве схем как на просторах интернета так и в печати, эта микросхема представлена в виде УГО как на рис.1б.

Внутреннее устройство КР142ЕН19 показано на рис.1в, а типовая схема включения на рис.1б. Рассмотрим подробней, как работает эта микросхема, на основе её внутреннего устройства, рис.1в.

Рисунок 1 - Компенсационный стабилизатор напряжения на ИМС КР142ЕН19 (TL431)
Рисунок 1 - Компенсационный стабилизатор напряжения на ИМС КР142ЕН19 (TL431)

Итак, микросхема содержит в себе операционный усилитель (ОУ) к инвертирующему входу которого подключен внутренний источник опорного напряжения величиной Uоп = 2,5В. Прямой вход подключен к выводу управления и является входом обратной связи по напряжению. Минусовое питание подключено к выводу называемому анодом, и подключаемому в качестве отрицательного питания микросхемы. Плюсовое питание ОУ подключено к выводу называемому катодом, и являющимся как бы выходом микросхемы. К этому же выводу, через инвертирующий усилительный каскад с открытым коллектором, на транзисторе VT1, подключен выход ОУ.

Для понимания работы схемы, надо немного вспомнить и принять как данное несколько аспектов работы операционных усилителей:
1. ОУ имеет два входа - прямой и инвертирующий
2. ОУ усиливает не напряжение на входах, а разницу между напряжениями на прямом и инвертирующем входах
3. Коэффициент усиления ОУ стремится к бесконечности (реально может быть равен 100000. Что означает следующее: если напряжение на прямом входе ОУ хотя бы на чуть чуть больше чем на инверсном, то выходное напряжение будет почти равно напряжению питания, а если на прямом чуть чуть напряжение меньше чем на инверсном, тогда выходное напряжение будет почти равно нулевому.

Таким образом, если на входе (In) напряжение меньше Uоп , ( UIn < Uоп), на выходе ОУ напряжение равно 0, транзистор VT1 закрыт и ток втекающий в катод ничтожно мал.

Как только UIn минимально превысит Uоп , с учётом того что коэффициент усиления ОУ стремящегося к бесконечности, на выходе ОУ напряжение стремительно растёт, что приводит к открытию транзистора VT1, и как следствие, росту тока катода микросхемы.

Теперь обратимся к типовой схеме включения рис.1г, на ней управляющий вход подключен к выходу стабилизатора через делитель выходного напряжения R1, R2. Если к примеру сопротивление этих резисторов будет равным R1=R2=1кОм, то получается делитель на 2. И напряжение на управляющем входе будет в двое меньшим, чем выходное напряжение. Таким образом чтобы напряжение, на управляющем входе, достигло величины опорного (2,5В), на выходе (Uвых) должно быть ровно 5В. И как только, оно превысит этот уровень, открывается транзистор внутри микросхемы, растёт ток катода, что приводит к увеличению тока через резистор R3, которое приводит к увеличению падения напряжения на нём, и уменьшению напряжения на катоде микросхемы, с пропорциональным уменьшением напряжения на входе. Происходит это до тех пор, пока напряжение на входе не сравняется с опорным, в результате чего происходит стабилизация напряжения напряжения на катоде микросхемы.

То же самое произойдёт если на входе стабилизатора, рис.1в, увеличится входное напряжение Uвх , которое вызовет пропорциональный рост выходного напряжения. Что по цепочке делителя приведёт к пропорциональному росту Uin , превышение напряжения Uin над Uоп усилится ОУ и приведёт к открытию VT1, что приведёт к росту тока через R3 и уменьшению до заданного уровня выходного напряжения. Т.е. в схеме присутствует постоянная отрицательная обратная связь по напряжению, которая гасит влияние внешних возмущений на выходное напряжение.

Фактически работа микросхемы напоминает работу обычного стабилитрона, только напряжение стабилизации задаётся (программируется) внешним делителем напряжения. Собственно по этому, в зарубежной документации, ИМС стабилизатор TL431 в схемах обозначается как стабилитрон с выводом управления.

Некоторые параметры и расчёт резисторов...

При этом стоит учитывать, что ток катода микросхемы (выходной ток) не должен превышать 100мА (максимальный ток коллектора встроенного транзистора), и для устойчивой работы должен быть не менее 1мА. Исходя из чего величина балластного резистора R3 должна обеспечивать при минимальном расчётном входном напряжении Uвхmin ток не менее чем Iвых+1мА. Так, к примеру, если выходное напряжение задано на уровне Uвых=3,3В а выходной ток, Iвых не более 20 мА, при минимальном входном напряжении Uвхmin=8В, максимальном входном напряжении Uвхmax=15В, максимальная величина R3 определяется:

-3

Ближайший номинал из стандартного ряда – 220 Ом. Мощность минимальная, выделяемая на этом резисторе PR3по закону Ома составит:

-4

Максимальная же мощность будет зависеть от максимального входного напряжения Uвхmax т.к. при этом будет максимальное падение напряжение на этом резисторе:

-5

Естественно, что устанавливается резистор из расчета на максимальную мощность, что в нашем случае составляет 0,622 Вт и соответствует стандартной мощности в 1 Вт.

Выходное напряжение этой и последующих схем, определяет делитель напряжения на резисторах R1,R2 и определяется как:

-6

Если выходное напряжение известно, но при этом требуется определить величину сопротивления резистора верхнего плеча делителя – R1, тогда следует воспользоваться следующей формулой:

-7

Как увеличить мощность стабилизатора

Однако в типовой схеме включения выходной ток а значит и мощность стабилизатора, достаточно малы. Для их увеличения применяют транзисторные усилители по различным схемам. Одна из них представлена на рис.2. В неё добавлен всего один элемент – транзистор VT1, включенный по схеме эмиттерного повторителя (схема с общим коллектором), которая обладает большим коэффициентом усиления по току, примерно равным параметру h21э транзистора VT1.

-8

Для лучшего понимания работы этой схемы, представим для начала, что DA1 отсутствует. В этом случае, ток базы ограниченный резистором R1, будет открывать его, и через транзистор на выход будет поступать напряжение практически равное входному. Допустим что на входе у нас Uвх = 15В, тогда напряжение на выходе будет примерно 14,3В.

Напряжение на выходе делителя, определяется номиналом резисторов R2 и R3. Допустим, как и ранее, R2=R3=1кОм, коэффициент деления 1:2, тогда на выходе делителя напряжение составит 7,3В.

Следует отметить, что VT1 будет полностью открыт до тех пор пока ток в нагрузке не превысит величину тока базы транзистора, ограниченного сопротивлением резистора R1, помноженного на h21э этого транзистора.

Теперь давайте мысленно подключим в схему наш стабилизатор DA1. На его входе (выход делителя напряжения) окажется напряжение 7,3В, что много больше Uоп, в результате нарастает ток через катод, что приводит падению напряжения на R1 и уменьшению потенциала на базе VT1. При этом напряжение на его эмиттере, которое меньше базового на величину падения на открытом переходе б-э транзистора VT1, так же уменьшается, до величины 5В, при котором выходное напряжение делителя станет равным 2,5В, т.е. опорному напряжению.

Эта схема обеспечивает выходной ток и мощность в h21э раз больше, чем предыдущая. Однако и этого часто не достаточно, особенно в виду того, что мощные транзисторы зачастую обладают низким h21э. Значительно более внушительными характеристиками обладает схема, в которой применён силовой транзистор включенный по схеме составного, рис.3.

-9

На схеме добавились: элементы R2 – ограничивает ток базы составного транзистора; R3 – шунтирует обратный ток коллектора VT1, который может влиять на режим работы VT2; С1 – повышающий устойчивость работы стабилизатора на высоких частотах. В такой схеме ток нагрузки может составлять десятки ампер, и определяется параметрами транзистора VT2, при необходимости их можно включить несколько параллельно.

Важная особенность, которую нужно учитывать при разработке схем на TL431!

В 2023г было у меня немного свободного времени между лекциями, и стал баловаться со схемами стабилизаторов напряжения. И идея была таковой - выше приведённые схемы имеют очень большую величину прямого падения напряжения, равную не менее двух падений напряжения на переходах база-эмиттер выходного транзистора состоящего из двух и соответственно 3- падений на тройном транзисторе.
И к примеру если надо собрать стабилизатор 9В от бортовой сети автомобиля, то запаса напряжения может не хватить, особенно при работе на не заведённом двигателе.

И в голове созрела вот такая схема:

В общем как часто бывает она не заработала, а причиной тому стало то что транзистор Q2 открывается при напряжении на базе более 0,5...0,7В, а это напряжение является напряжением катода TL431, от которого запитываются её внутренние цепи, и в целом при штатном режиме её работы оно недолжно опускаться ниже 3...4 В, иначе внутренний источник опорного напряжения просто не сможет его стабилизировать на уровне 2,5В.

В общем на выходе TL431 при её работе, напряжение не должно опускаться ниже 3...4В, иначе она просто не работает.

Кстати, в сети я таки сумел найти подобную схему, но она работает в импульсном режиме:

Импульсный стабилизатор на TL431
Импульсный стабилизатор на TL431