Найти в Дзене
Кошкин город

Как из улицы для машин сделать улицу для всех?

Хватит ли места на Чумичова? Проект вызвал достаточно серьезное бурление в городе и страсти не утихают. Продолжаем разбираться в нем. Один очень известный и уважаемый человек по просьбе белгородского ЦОДД сделал разбор проекта ул. Чумичова. Привожу его текст без сокращений. Какие вопросы освещены? С некоторыми вещами я полностью согласен, с некоторыми не совсем. но в целом - есть над чем подумать. А кто этот известный и уважаемый человек - узнаете после прочтения. (от автора)
несколько дней назад ко мне обратились коллеги из ЦОДД г. Белгорода с просьбой провести независимую экспертизу проекта капремонта ул. Николая Чумичова и опубликовать результат у себя в канале. С удовольствием сделаю это. ул. Чумичова сейчас не вполне типична для российских городов. Среднеэтажная застройка, включая историческую, широкие тротуары, и аж три полосы озеленения, в т.ч. зелёный разделитель между встречными проезжими частями, каждая из которых шириной 5,5м, относительно небольшой трафик - не более 800
Оглавление

Хватит ли места на Чумичова?

Проект вызвал достаточно серьезное бурление в городе и страсти не утихают. Продолжаем разбираться в нем. Один очень известный и уважаемый человек по просьбе белгородского ЦОДД сделал разбор проекта ул. Чумичова. Привожу его текст без сокращений.

Какие вопросы освещены?

  • - нужно ли делать по две полосы в каждую сторону?
  • - нужно ли пускать по улице общественный транспорт
  • - нужно ли переделывать круг в перекресток?
  • - что делать с велодорожкой?
  • - как обезопасить делать заезды во дворы?

С некоторыми вещами я полностью согласен, с некоторыми не совсем. но в целом - есть над чем подумать. А кто этот известный и уважаемый человек - узнаете после прочтения.

Ул. Чумичова в Белгороде

(от автора)
несколько дней назад ко мне обратились коллеги из ЦОДД г. Белгорода с просьбой провести независимую экспертизу проекта капремонта ул. Николая Чумичова и опубликовать результат у себя в канале. С удовольствием сделаю это.

Существующее положение

ул. Чумичова сейчас не вполне типична для российских городов. Среднеэтажная застройка, включая историческую, широкие тротуары, и аж три полосы озеленения, в т.ч. зелёный разделитель между встречными проезжими частями, каждая из которых шириной 5,5м, относительно небольшой трафик - не более 800 машин в час каждом направлении. Это довольно приятная улица с хорошей городской средой, и желание горожан сохранить высокое качество этой среды вполне понятно. Проектом предполагается расширение каждой проезжей части на 1,3м

-2

Главное: общественный транспорт

плотно застроенная часть Белгорода вытянута с юга на север. На юге расположен большой жилой массив Харьковская Гора, на севере от неё, отделённый рекой и железной дорогой - центр и более северные районы, тянущиеся вдоль просп. Богдана Хмельницкого и ул. Садовой вплоть до аэропорта.

Главная проблема общественного транспорта Белгорода - с юга на север есть только один коридор ОТ (та самая Щорса. Из-за этого пользоваться автобусами в восточной части Харгоры довольно неудобно

-3

В нашей работе по маршрутной сети, которую мы делали для Белгорода в 2019-2021 годах, мы предлагали создать второй магистральный коридор несколько восточнее. Он правда шёл несколько по-другому тогда, по ул. Попова. Считалось, что участок просп. Ватутина между ул. Костюкова и ул. Победы непреодолим для автобусов. Впрочем, уже в ходе нашей работы это мнение менялось, поэтому у нас есть разные версии схем маршрутной сети

-4

Сейчас на этом участке автобусы запустили, но к сожалению только два очень редких маршрута.

В любом случае, очевидно, что в Белгороде есть огромная потребность во втором магистральном коридоре с несколькими частыми маршрутами север-юг восточнее существующего. При этом улица Чумичова подходит для этого лучше, чем наша изначальная идея: маршруты получаются прямее, охват центральной части города лучше, пересадка на коридор Преображенской-Славы удобнее

-5

В рамках проекта создаётся инфраструктура для движения автобусов, что безусловно очень хорошо. Даже если маршрутная сеть не поменяется в этом году, это важный задел, который в ближайшем будущем позволит существенно улучшить качество работы маршрутной сети во всём городе. Белгород давно нуждается в обновлении маршрутной сети, может быть, не таком кардинальном, как предлагали мы когда-то, может, надо сделать что-то более похожее на то, что сделал соседний Курск - но пересмотр маршрутной сети назрел давно, и это факт.

Что в проекте ещё хорошего

в проекте появляется велоинфраструктура, повышается пропуская способность и безопасность перекрёстков, убирается странный участок парковки на разделителе

-6

переразмечается прилегающий участок Гражданского проспекта с 2+2 на 3+1 (по аналогии с перекрёстком того же Гражданского с Волчанской), разделитель продлевается в зону переходов, таким образом создаются островки безопасности. Хороший решений довольно много, но есть и недостатки

Что бы я сделал по-другому

проект достаточно широко обсуждается в соцсетях, основное опасение горожан - сужение полосы озеленения приведёт к гибели деревьев, расширение проезжих частей приведёт к росту скоростей движения и росту аварийности. Я думаю, что это опасение абсолютно резонное, и так и будет. К счастью, это можно легко исправить:

- действительно, 5,5м это странная ширина проезжей части. Для одной полосы много, для двух - мало. Две легковушки помещаются, а скажем легковушка и автобус - уже нет. Но, конечно, для запуска движения автобусов не нужно расширять каждую проезжую часть на 1,3 м по всей длине

-7

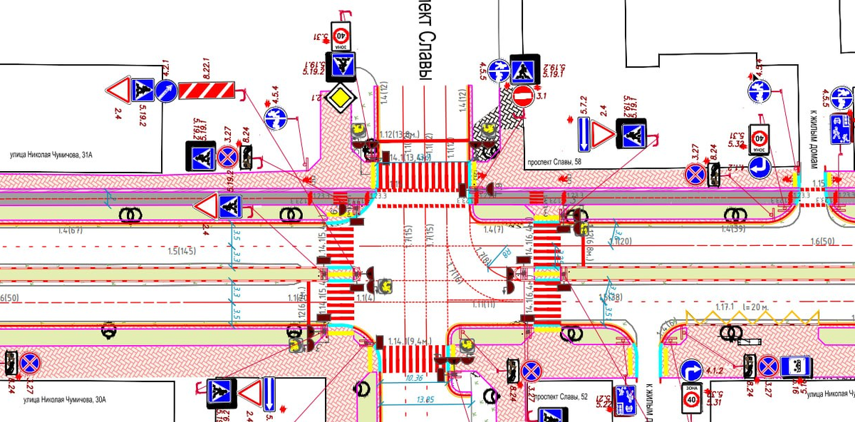
- показал, как можно делать, на картинке выше. Тут возможны варианты, показал их оба на одной картинке по разные стороны от перекрёстка. В зоне остановки автобуса надо обеспечить 6,0м (больше - не нужно), в зоне перед перекрёстком - 6,5м (две полосы по 3,25) на участке длиной 40-50м. Этого будет вполне достаточно. На остальной длине улицы ширину разделителя я бы сохранил как есть, или даже увеличил. На линейных участках вполне достаточно одной полосы, потоки там не более 800 машин в час в одну сторону. На линейных участках это почти в два раза меньше пропускной способности одной полосы. Т.е. одной полосы - с запасом. Что и подтверждается тем, как движение там происходит сейчас. Проблемы есть только перед перекрёстками - вот перед перекрёстками и надо уширить чуть-чуть, для создания отдельных левоповоротных полос

- при расположении остановки сразу после перекрёстка разделитель на расстоянии ~40м перед перекрёстком сужается, и деревья там вероятно уже не выживут. Но если остановку отнести подальше (в Белгороде очень частая сетка улиц, поэтому так можно) - то получится сохранить и ширину разделителя тоже, просто он получится чуть смещённым в зоне перекрёстка

- в любом случае, разделитель надо продлить в зону пеш. переходов тоже, создав таким образом островки безопасности. Но это уже учтено в проекте

- излишнюю ширину на перегонах можно отдать либо под парковки (2,25+3,25 как раз влезает), либо под вело. То как вело сделано в текущей версии проекта - частично за счёт тротуара, частично за счёт озеленения - тоже может привести к проблемам

- на участке перед. ул. Победы (в центр) одну из полос стоит сделать только прямо, другую - только налево. Поток налево значительный, и левую полосу для движения прямо всё равно нельзя. А с потоком прямо справится и одна полоса

-8

- реконструкцию круга в рег. перекрёсток я бы тоже не делал. Это явно увеличит транзитный поток через Чумичова, а ведь функционально это местная улица. Транзитников лучше оставить на более крупной Волчанской/Белгородского полка.

-9

Вместе с тем, повысить БДД и пропускную способность круга можно простым канализированием трафика, которое можно сделать сначала в разметке, посмотреть как едет, и если ок - то на следующий год сделать в борту (картинка 4). У каждого потока (с Победы на Ватутина, с Чумичова на Ватутина, с Чумичова на Победы) появляется своя прикрытая полоса, и все манёвры получаются более удобными и безопасными, при этом круг будет работать с запасом пропускной способности

-10

Думаю, можно помоделировать этот вариант и посмотреть, что получится.


И последнее ( от автора)

на заездах во дворы сейчас тротуар каждый раз опускается в уровень проезжей части. Это и сейчас не очень удобно, а после появления там вело будет выглядеть ещё более странно, особенно с учётом того, что проектом предусмотрено увеличение радиусов на заездах во дворы, что увеличит скорость поворачивающих машин и как следствие снизит безопасность

-11

.

Я бы предложил, при наличии технической возможности, заезды во дворы сделать так же, как они сделаны на Щорса. Эксплуатация Щорса уже показала, что совершенно необязательно для этого реконструировать ливнёвку подо всей улицей, можно сделать и без этого.

-12

Немного личного.

Пока писал эти посты, невольно нахлынули воспоминания о тех славных деньках, когда мы плотно работали над белгородской транспортной реформой. Белгород, конечно, навсегда в моём сердце. Хочется передать привет всем моим белгородским знакомым, удачи вам и сил!


Автор текста - Дмитрий Грубый.
Заместитель руководителя Службы управления наземным транспортом ГКУ "Организатор перевозок", МосГорТранс

Информация взята из его канала "
Грубо Говоря"