Найти в Дзене
Игорь Бедеров

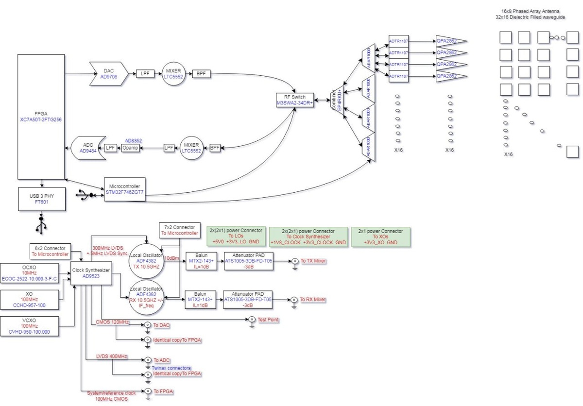
📍 На GitHub выложили проект AERIS-10 — полностью открытой радиолокационной станции с фазированной решеткой и дальностью обнаружения до 20

км. Автор сделал рабочий радар S-диапазона (10.5 ГГц) на базе AMD Artix-7 FPGA. 📎 https://github.com/NawfalMotii79/PLFM_RADAR 📱 Telegram | 🌐 ВК | 📲 MAX

📍 На GitHub выложили проект AERIS-10 — полностью открытой радиолокационной станции с фазированной решеткой и дальностью обнаружения до 20 км. Автор сделал рабочий радар S-диапазона (10.5 ГГц) на базе AMD Artix-7 FPGA.

📎 https://github.com/NawfalMotii79/PLFM_RADAR

📱 Telegram | 🌐 ВК | 📲 MAX

-2