Добавить в корзинуПозвонить
Найти в Дзене
ГидроПрепод

Гидроканал ЦАГИ

День добрый! Дорогие мои, Я собрал воедино все имеющиеся у меня архивные фотографии и чертежи, связанные с работой этого красивого и уникального сооружения и теперь готов поделиться ими с Вами. Для чего же нужен гидроканал в аэродинамическом институте? Всё просто, в ряде задач, особенно связанных с гидроавиацией/гидросамолетами необходимы модельные испытания взаимодействия фюзеляжа с водой, особенно, когда дело касается взлета и посадки на воду. Гидравлическое сопротивление летающих лодок это одна из краеугольных частей успеха той или иной конструкции. При таких испытаниях, модель закрепляется на движущейся тележке с динамометром и движется по поверхности воды. Измерения позволяют получить нужные данные и выявить недостатки конструкции. Такие испытательные стенды были во всех крупных научных центрах, в СССР гидроканал построен 30 апреля 1930 года и с тех пор работает для проведения исследований. Подборка чертежей и фотографий разделена по основным этапам и охватывает как проект, так и
Оглавление

День добрый! Дорогие мои, Я собрал воедино все имеющиеся у меня архивные фотографии и чертежи, связанные с работой этого красивого и уникального сооружения и теперь готов поделиться ими с Вами. Для чего же нужен гидроканал в аэродинамическом институте? Всё просто, в ряде задач, особенно связанных с гидроавиацией/гидросамолетами необходимы модельные испытания взаимодействия фюзеляжа с водой, особенно, когда дело касается взлета и посадки на воду. Гидравлическое сопротивление летающих лодок это одна из краеугольных частей успеха той или иной конструкции. При таких испытаниях, модель закрепляется на движущейся тележке с динамометром и движется по поверхности воды. Измерения позволяют получить нужные данные и выявить недостатки конструкции. Такие испытательные стенды были во всех крупных научных центрах, в СССР гидроканал построен 30 апреля 1930 года и с тех пор работает для проведения исследований. Подборка чертежей и фотографий разделена по основным этапам и охватывает как проект, так и строительство и работу лаборатории.

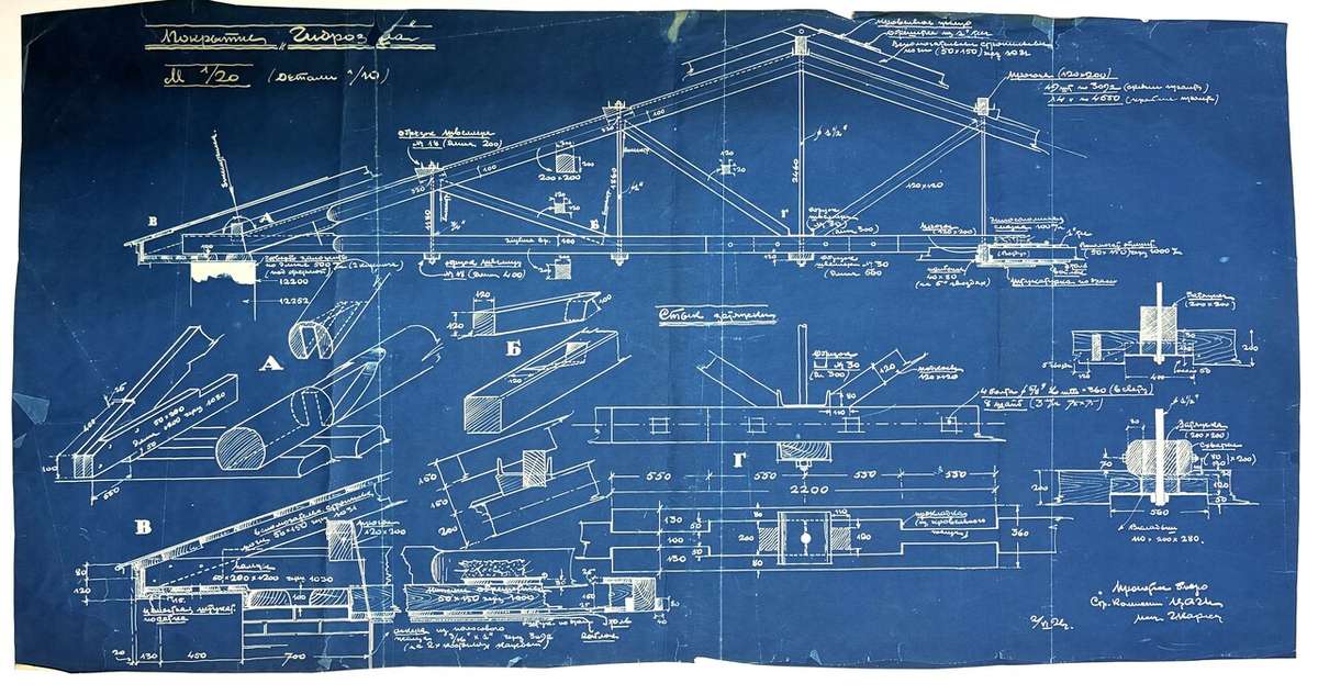
Часть 1. Проект и чертежи.

В госархиве сохранились как минимум 4 чертежа здания, из которых три чертежа-синьки конструктивных решений кровли канала:

-2
-3

Последний - схематический разрез канала.

-4

Часть 2. Строительство канала.

1. Две фотографии работ при укладке основания канала в котловане.

-5
-6

Магазин ГидроПрепода: vk.com/market-216258278?scr...
Все мои ресурсы в одной ссылке:
taplink.cc/hydrprepod

2. Строительство деревянного свода и кровли над протяженной частью канала. Внизу видна уложенный арматурный каркас для последующей заливки стенок канала.

-7

3. Строительство основного кирпичного корпуса для гидроканала с основным оборудованием и мастерскими.

-8

Часть 3. Внутри лабораторного комплекса.

1. Вид на движущуюся тележку со стороны площадки для установки моделей.

-9

2. Тележка над площадкой обслуживания.

-10

3. Вид на движущуюся тележку со стороны площадки для установки моделей.

-11

4. Внешний вид движущейся тележки в ранние годы работы гидроканала. Интересный факт - её конструктором был Андрей Николаевич Туполев.

-12

5. Оператор за пультом управления.

-13

6. Динаметрист за проверкой измерительного оборудования.

-14

7. Тележка с установленным навесом.

-15

8. В 1960-х годах была завершена первая реконструкция канала, это логично, так как деревянные своды не могут жить вечно. Вся надземная часть была заменена, оборудование улучшено и канал принял новый облик.

-16

9. Справа новый операторский пост, под тележкой видно закрепленную для испытаний модель гидросамолета.

-17

Магазин ГидроПрепода: vk.com/market-216258278?scr...
Все мои ресурсы в одной ссылке:
taplink.cc/hydrprepod