Добавить в корзинуПозвонить
Найти в Дзене

Атомный гибрид: российский инженер предложил концепцию ракетной подлодки с органическим циклом Ренкина

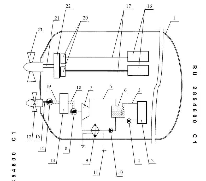
Российский инженер Николай Кириллов представил концептуальную схему ракетной подводной лодки с комбинированной энергетической установкой, сочетающей дизельный маршевый привод и вспомогательную атомную систему малой мощности. Проект направлен на повышение энергоэффективности, ресурса силовой установки и управляемости как в надводном, так и в подводном режимах. Патент зарегистрирован в базе ФИПС. Согласно описанию, маршевый режим обеспечивает гребной вал с винтом фиксированного шага, соединённый через редуктор и муфты с дизельными двигателями. Такая компоновка позволяет удерживать двигатели в оптимальных режимах нагрузки и снижать износ. Для экономичного подводного хода предусмотрен отдельный вал с электродвигателем и винтом регулируемого шага, питаемым от аккумуляторных батарей. Ключевым элементом проекта выступает двухконтурная вспомогательная атомная установка с водоохлаждаемым реактором низкого давления, работающая по органическому циклу Ренкина. Она обеспечивает постоянную генерацию

Российский инженер Николай Кириллов представил концептуальную схему ракетной подводной лодки с комбинированной энергетической установкой, сочетающей дизельный маршевый привод и вспомогательную атомную систему малой мощности. Проект направлен на повышение энергоэффективности, ресурса силовой установки и управляемости как в надводном, так и в подводном режимах. Патент зарегистрирован в базе ФИПС.

Согласно описанию, маршевый режим обеспечивает гребной вал с винтом фиксированного шага, соединённый через редуктор и муфты с дизельными двигателями. Такая компоновка позволяет удерживать двигатели в оптимальных режимах нагрузки и снижать износ. Для экономичного подводного хода предусмотрен отдельный вал с электродвигателем и винтом регулируемого шага, питаемым от аккумуляторных батарей.

Источник изображения ФИПС
Источник изображения ФИПС

Ключевым элементом проекта выступает двухконтурная вспомогательная атомная установка с водоохлаждаемым реактором низкого давления, работающая по органическому циклу Ренкина. Она обеспечивает постоянную генерацию электроэнергии, подзарядку аккумуляторов и снижение нагрузки на дизельные агрегаты. Предполагается, что такая архитектура повысит надёжность и точность регулирования скорости, а также снизит экологические риски за счёт изоляции радиоактивного контура.

Комбинирование механического и электрического приводов, по замыслу автора, позволит гибко распределять мощность между контурами, сокращать расход топлива и увеличивать автономность подводной лодки без существенного усложнения эксплуатации.

Источник: https://www1.ru/news/2026/02/19/raketnuiu-podvodnuiu-lodku-s-gibridnoi-energoustanovkoi-i-ciklom-ren...

Больше интересного – на медиапортале https://www.cta.ru/