Добавить в корзинуПозвонить
Найти в Дзене
www1.ru

Ракетную подводную лодку с гибридной энергоустановкой и циклом Ренкина изобрёл инженер из России

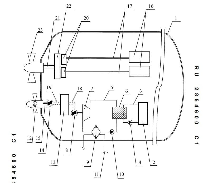
Инженер Николай Кириллов представил собственную схему новой ракетной подводной лодки с комбинированной энергетической установкой. Разработка нацелена на повышение эффективности хода, ресурса двигателей и управляемости лодки как на поверхности, так и под водой. Решение объединяет дизельный маршевый привод и вспомогательную атомную систему малой мощности, патент уже зарегистрировали в базе данных ФИПС. Разработка нацелена на повышение эффективности хода, ресурса двигателей и управляемости лодки как на поверхности, так и под водой. Согласно задумке, маршевый режим обеспечивает гребной вал с винтом фиксированного шага, связанный через редуктор и муфты с дизельными двигателями. Это позволяет держать моторы в оптимальном режиме и снижать износ. Для экономичного подводного хода используется отдельный вал с электродвигателем и винтом регулируемого шага, питаемым от аккумуляторов. Ключевой элемент — двухконтурная вспомогательная атомная установка с водоохлаждаемым реактором низкого давления и о
Оглавление

Задумка повысит ресурс и управляемость двигателей

Инженер Николай Кириллов представил собственную схему новой ракетной подводной лодки с комбинированной энергетической установкой. Разработка нацелена на повышение эффективности хода, ресурса двигателей и управляемости лодки как на поверхности, так и под водой.

Решение объединяет дизельный маршевый привод и вспомогательную атомную систему малой мощности, патент уже зарегистрировали в базе данных ФИПС.

Разработка нацелена на повышение эффективности хода, ресурса двигателей и управляемости лодки как на поверхности, так и под водой.

Согласно задумке, маршевый режим обеспечивает гребной вал с винтом фиксированного шага, связанный через редуктор и муфты с дизельными двигателями. Это позволяет держать моторы в оптимальном режиме и снижать износ. Для экономичного подводного хода используется отдельный вал с электродвигателем и винтом регулируемого шага, питаемым от аккумуляторов.

-2

Ключевой элемент — двухконтурная вспомогательная атомная установка с водоохлаждаемым реактором низкого давления и органическим циклом Ренкина. Она постоянно вырабатывает электроэнергию, подзаряжает батареи и снижает нагрузку на дизели. Такая схема повышает надёжность, улучшает регулирование скорости и уменьшает экологические риски за счёт изоляции радиоактивного контура.

Комбинация механического и электрического приводов позволяет гибко распределять мощность, сокращать расход топлива и повышать автономность подводной лодки без усложнения эксплуатации.

Читать ещё материалы по теме: