Найти в Дзене
Дмитрий Компанец

Трансгенерация Мельниченко

Дмитрий моё почтение и уважение, а можете пожалуйста повторить схему с конденсаторами Андрея Мельниченко и объяснить её более подробно для нас начинающих электриков? Такой комментарий заинтересовал меня и я не смог на него не откликнуться.
Схемы называемые "супертрансформатор Андрея Мельниченко", который даёт на выходе больше мощности, чем на входе я встречал уже давно и немного почитывал статьи и посматривал ролики. Судя по всему, изобретатель - Андрей Мельниченко, в фазный провод, включает параллельно два конденсатора и на выходе получает дополнительную мощность, которую фиксирует камера. Давай рассмотрим парочку схем и постараемся понять главное. Везде и всегда мы должны помнить о том, что: Энергия не берется из ниоткуда и не исчезает в никуда, а только переходит из одного состояния в другое. (Так нам твердят Законы Физики) Это не приговор, это то, что мы с вами постараемся отыскать в генераторах, трансформаторах и конденсаторах дающих нам прибавку в энергии. Публикации роликов и ст
Оглавление
Дмитрий моё почтение и уважение, а можете пожалуйста повторить схему с конденсаторами Андрея Мельниченко и объяснить её более подробно для нас начинающих электриков?

Такой комментарий заинтересовал меня и я не смог на него не откликнуться.
Схемы называемые "
супертрансформатор Андрея Мельниченко", который даёт на выходе больше мощности, чем на входе я встречал уже давно и немного почитывал статьи и посматривал ролики.

-2

Судя по всему, изобретатель - Андрей Мельниченко, в фазный провод, включает параллельно два конденсатора и на выходе получает дополнительную мощность, которую фиксирует камера.

-3

Давай рассмотрим парочку схем и постараемся понять главное. Везде и всегда мы должны помнить о том, что:

Энергия не берется из ниоткуда и не исчезает в никуда, а только переходит из одного состояния в другое. (Так нам твердят Законы Физики)

Это не приговор, это то, что мы с вами постараемся отыскать в генераторах, трансформаторах и конденсаторах дающих нам прибавку в энергии.

Публикации роликов и статей сопровождаются почти научными пояснениями и схемами нарисованными и описанными от руки.

-4

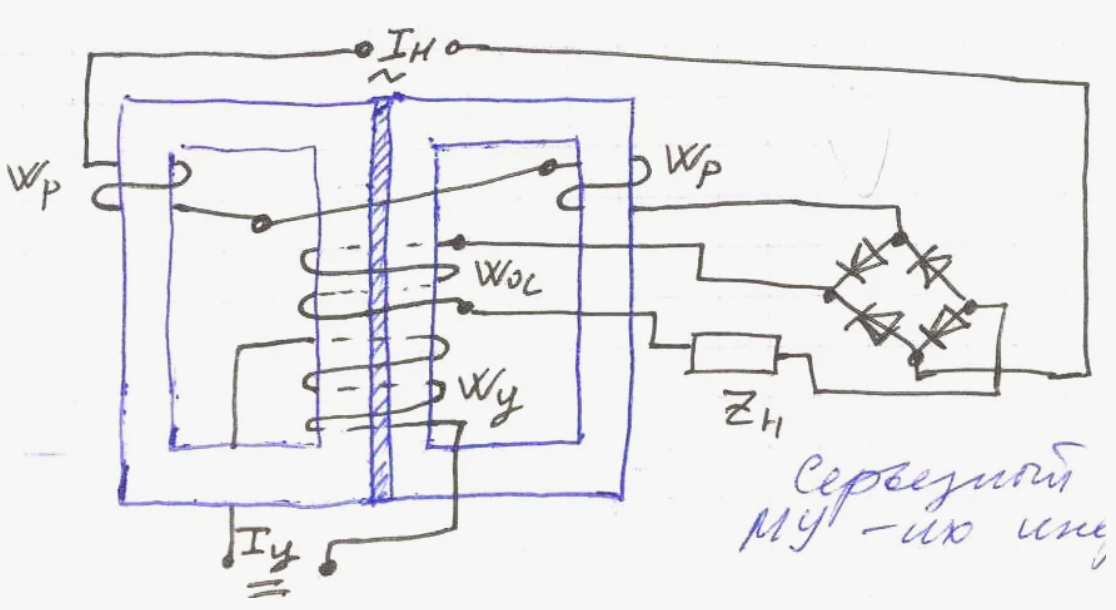
"очень простая схема" подключения конденсатора к генератору, из-за чего последний начинает "в резонансе" вырабатывать "минимум в 3 раза" больше мощности. Автор утверждает, что "она настолько простая, что её за 5 минут может повторить любой специалист по электротехнике".

А что? Тут реально все просто и есть даже священное для многих слово "РЕЗОНАНС". Трансгенерация Мельниченко основана на ослаблении магнитного потока трансформатора, посредством установки зазора между двумя частями разрезанного трансформатора и подключением конденсаторов рассчитанной заранее емкости.

-5

Схемы трансгенераторов выглядят именно так как нарисовано на этой схеме. А обещания их эффективности превышают сотни процентов.

Технологию Мельниченко Андрея Анатольевича. Макет выполнен в виде обратноходового преобразователя, сердечником может служить и феррит, и трансформаторная сталь. Ноу-хау состоит в том, что первичная обмотка разделена от сердечника диэлектрическим зазором, который позволяет генерировать дополнительное магнитное поле в сердечнике. Дополнительное магнитное поле не влияет на потребление всей системы. Т.е. первичка может быть нагружена любой нагрузкой, но подключение нагрузки на вторичной обмотке не увеличивает потребление.
Происходит свободная генерация магнитного поля в сердечнике. Мощность этого магнитного поля снимается вторичной обмоткой. Схема работает только как обратноходовый преобразователь. Количество витков подбирается на каждый сердечник (явление до конца не изучено, поэтому нету формул), скважность 1-10% (тоже подбирается).

Итак: Околонаучным языком нам рассказали, что:
1) Диэлектрический Зазор дает дополнительное магнитное поле в сердечнике!
Дополнительное магнитное поле не влияет на потребление всей системы!

Перевожу на язык русской физики - Щель в трансформаторе (дыра/разрыв) дает нам дополнительное магнитное поле полученное из ниоткуда - система не стала потреблять больше.

НУЖНО БОЛЬШЕ МАГНИТНОЙ ЭНЕРГИИ - ДЕЛАЙТЕ ЩЕЛИ И ЗАЗОРЫ !!!

2) Происходит свободная генерация магнитного поля в сердечнике.
свободная генерация магнитного поля этo типичная Free Energy

-6

Дальше рассуждать и искать истину не имеет смысла - нас разводят!

Это очередной "вечный двигатель" со спрятанными батарейками и попытка словить хайп на малограмотных зрителях и читателях.

Можно сколь угодно долго рассуждать самым научным языком о вещах которые просто не работают по простым физическим законам которые мы с вами (я надеюсь) учили в школе.

Поковыряв еще немного мусор "Всемирной" сети , я откопал еще одно изобретение этого Автора - Магнитная батарейка (вечная).

-7

Открыто явления возникновения электростатического потенциала в магнитном потоке [1]. Авторы: Балабай В.И., Иванько Ю.В. ,Шаповаленко В.В. Данное явление иллюстрирует материальность магнитного потока, внесение в который ячеисто-пористой структуры (диэлектрика) приводит к его турбулизации и проявляются в виде электростатического потенциала.         Наглядная физическая иллюстрация "магнитодинамического электростатического эффекта" приведена на рис. 1, 2, 3. На рис.1 показан один из вариантов практической реализации данного явления. В межполюсное пространство токопроводящих магнитов (М) 1 помещены две изоляционные прокладки 2 и металлическая фольга 3. Токопроводящие магниты 1 и металлическая фольга 3 выполняют роль электродов А, В и С. Между электродами АВ и СВ фиксируется постоянная разность электростатических потенциалов ?АВ и ?СВ, которая возникает с момента создания данной структуры (магнит-изолятор-металл-изолятор-магнит).        

Тот же эффект наблюдается и в системе магнит-металл-магнит-изолятор-магнит.

-8

Так как схема очень проста - вы сможете дома проверить её вечность и работоспособность, но, предупреждаю - читать и писать и снимать - это одно дело, а вот создать нечто реально интересное и полезное - это искусство.

А за искусство всегда сжигали на костре!

Напомню вам гравюры Просвещенной Европы

гравюры Просвещенной Европы
гравюры Просвещенной Европы

Был там и еще один сжигатель книг в которых была неугодная простая правда

-10