Добавить в корзинуПозвонить
Найти в Дзене
Меандр Радиолюбитель

Синтезатор частоты с ретро-шкалой. Обновление ПО.

Всем доброго! Наконец-то я добрался до радио! Перед вами очередная глобальная модификация синтезатора с ретро-шкалой. По железу это то же «поделие», что и раньше, отличается только прошивкой — по сути, это обычный «выкат» обновления ПО для тех синтезаторов, которые уже разъехались по стране. Их сейчас около пары десятков — от Кубани до Дальнего Востока. (Нет-нет, у того, о ком вы все сразу подумали, прочитав про «Дальний», моего синтезатора нет. Ему он, как корове седло: вроде и круто, но пользоваться не сможет.) Что нового в прошивке? Теперь есть два режима работы: Классический супергетеродинный — как и было раньше. Режим прямого преобразования (DC). В супергетеродинном режиме на выходе CLK2 — основная частота, сдвинутая вверх относительно принимаемой (то есть обычный ГПД), а на CLK0 и CLK1 — опорная частота. В режиме «DC» на CLK2 — частота ГПД, ровно то, что отображено на дисплее, (её удобно использовать как задающую для передатчика), на CLK0 и CLK1 — сигналы той же частоты, но с ф

Всем доброго! Наконец-то я добрался до радио!

Перед вами очередная глобальная модификация синтезатора с ретро-шкалой. По железу это то же «поделие», что и раньше, отличается только прошивкой — по сути, это обычный «выкат» обновления ПО для тех синтезаторов, которые уже разъехались по стране. Их сейчас около пары десятков — от Кубани до Дальнего Востока. (Нет-нет, у того, о ком вы все сразу подумали, прочитав про «Дальний», моего синтезатора нет. Ему он, как корове седло: вроде и круто, но пользоваться не сможет.)

Что нового в прошивке? Теперь есть два режима работы:

  1. Классический супергетеродинный — как и было раньше.
  2. Режим прямого преобразования (DC).

В супергетеродинном режиме на выходе CLK2 — основная частота, сдвинутая вверх относительно принимаемой (то есть обычный ГПД), а на CLK0 и CLK1 — опорная частота.

В режиме «DC» на CLK2 — частота ГПД, ровно то, что отображено на дисплее, (её удобно использовать как задающую для передатчика), на CLK0 и CLK1 — сигналы той же частоты, но с фазовым сдвигом 90°. Нужно, чтобы квадратурный детектор в приемнике прямого преобразования (или SDR) аккуратно подавлял ненужную боковую полосу.

-2

Переключаться между режимами можно «на лету» — долгим нажатием кнопки MOD, перепрошивка не требуется. Синтезатор ещё запоминает все настройки на момент выключения (ну, почти всегда — иногда бывают «осечки», он же не айфон).
Нужно сказать, что он "запоминает" каждые три секунды, что увеличивает износ EEPROM. В конце статьи две версии, описанная и более "экономичная".

Ниже фото осциллограммы сигналов в квадратурном режиме.

-3

Форма у сигналов такая из-за колхозного питания и не менее колхозных щупов осциллографа. Смещение фазы работает начиная с 3 МГц и выше. А вот ниже 3 МГц — увы, сигналы в фазе. Это известная «болячка» микросхемы Si5351, которую сотни энтузиастов по всему миру так и не победили. В популярном SDR-трансивере uSDX, кстати, там, ниже 3 МГц, синтезатор вообще отказывается работать. Так что я тут не одинок в своих страданиях.

В дальнейшем планирую добавить нормальное меню настроек, пока же все изменения — только через перепрошивку.

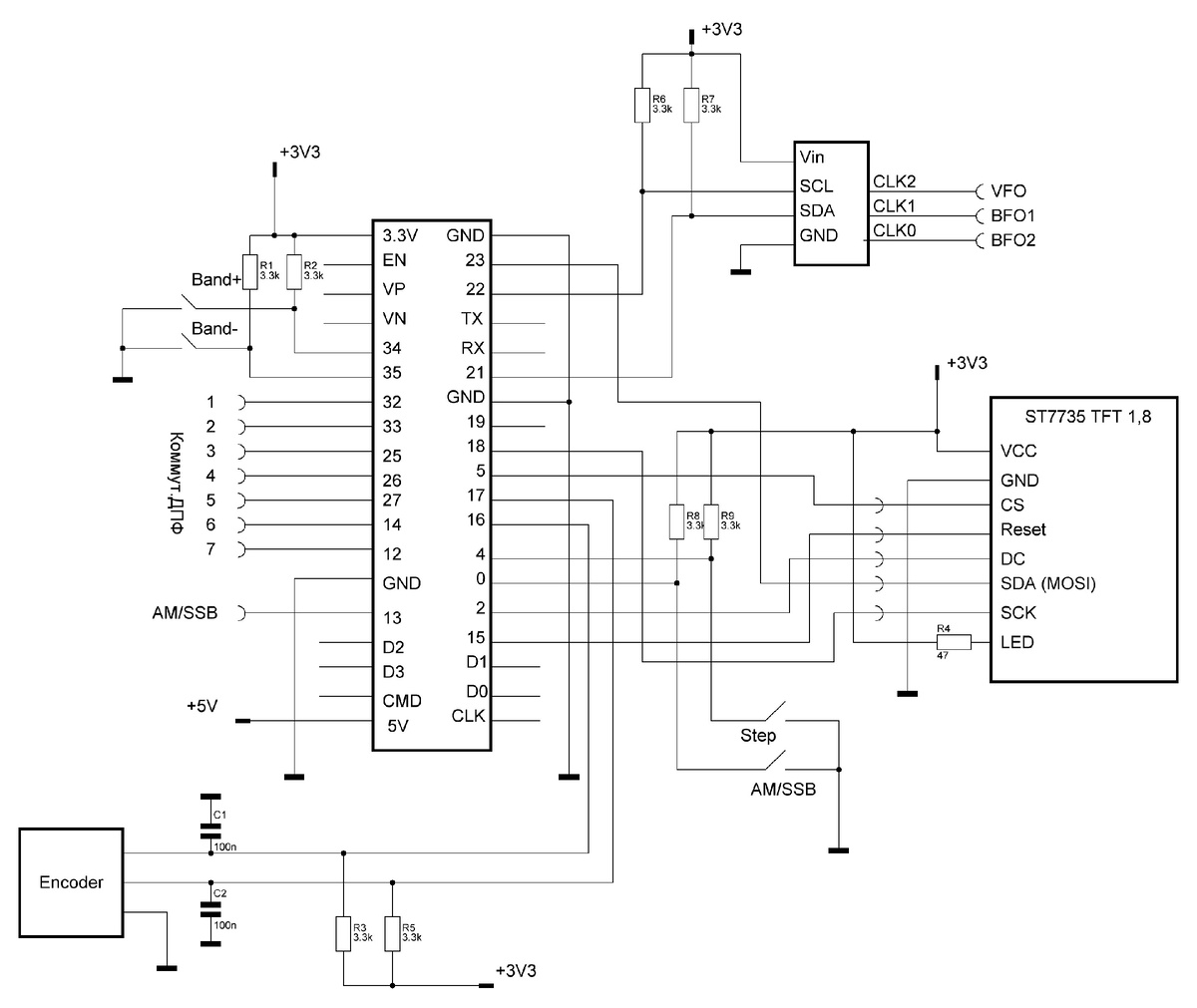
Скачать схему, печатную плату и прошивку можно здесь. А тут лежит более экономичная в плане износа EEPROM прошивка.

Подробнее о базовой версии синтезатора и его характеристиках.

Всем спасибо за внимание! Жду вас в комментариях: спрашивайте, советуйте, критикуйте — всё пригодится.