Добавить в корзинуПозвонить
Найти в Дзене
Меандр Радиолюбитель

Синтезатор частоты с ретро-шкалой. Финал.

Всем доброго!
Данная статья последняя из этой серии, серии синтезатора с ретро шкалой.
В последней редакции прошивки над которой трудились два человека, Валерий Галицкий и Автор канала Просто Радиолюбитель реализовано:
1. Адаптивный шаг настройки. Если крутить валкодер медленно, то частота меняется десятками герц, если ускориться, получим сотни и так далее вплоть до десятков и сотен килогерц. Поначалу непривычно, но пару вечеров за трансивером и привыкаешь, При прослушивании "Свободных операторов" (чуть не написал "Вольных сталкеров"), очень даже удобно, все дело в том, что АМ станции однополосным приемником можно комфортно слушать исключительно по "нулям" их несущей, а большинство "свободных" вещают аппаратами с задающими генераторами мягко говоря не блещущими стабильностью и точностью частоты. Имея шаг в 10Гц, не составляет труда "подойти" к такой станции четко на её частоту. 2. Реверс шкалы. Об этой штуке просили читатели тут на Дзене и зрители на Ютюбе. Валерий подсказал какие ст

Всем доброго!
Данная статья последняя из этой серии,
серии синтезатора с ретро шкалой.
В последней редакции прошивки над которой трудились два человека, Валерий Галицкий и Автор канала
Просто Радиолюбитель реализовано:

1. Адаптивный шаг настройки. Если крутить валкодер медленно, то частота меняется десятками герц, если ускориться, получим сотни и так далее вплоть до десятков и сотен килогерц. Поначалу непривычно, но пару вечеров за трансивером и привыкаешь, При прослушивании "Свободных операторов" (чуть не написал "Вольных сталкеров"), очень даже удобно, все дело в том, что АМ станции однополосным приемником можно комфортно слушать исключительно по "нулям" их несущей, а большинство "свободных" вещают аппаратами с задающими генераторами мягко говоря не блещущими стабильностью и точностью частоты. Имея шаг в 10Гц, не составляет труда "подойти" к такой станции четко на её частоту.

2. Реверс шкалы. Об этой штуке просили читатели тут на Дзене и зрители на Ютюбе. Валерий подсказал какие строки поправить и теперь шкала работает так как в старинных аппаратах работала обычная, механическая дисковая шкала. Если крутить ручку настройки по часовой стрелке, частота будет расти как и положено, а вот диск шкалы вращается против часовой стрелки. Я посмотрел в интернетах много видео с такими шкалами и в самом деле, во всех самодельных и заводских аппаратах сделано именно так.

3. Смена боковых полос SSB. Если раньше, в старой версии прошивки, смена боковой полосы производилась переносом частоты ГПД относительно принимаемой частоты либо вверх либо вниз, что ограничивало применение фильтров основной селекции в тракте ПЧ низкочастотными фильтрами. То теперь независимо от того какую из боковых мы слушаем, частота ГПД всегда выше частоты принимаемого сигнала на величину ПЧ. Теперь переключение ВБП/НБП производится корректировкой частоты опорного генератора.
Спасибо
Просто Радиолюбителю!
4. Управление коммутатором аттенюатора. В последней прошивке с адаптивным шагом отпала надобность в кнопке переключения шага настройки. Валерий задействовал эту кнопку под включение/выключение аттенюатора. Напряжение управления коммутатором (либо ключ с релюшкой, либо драйвер для диодного коммутатора) выводится на 19ый пин отладочной платы МК. 3,3В постоянного напряжения.

Теперь о том, что в этом синтезаторе есть вообще.
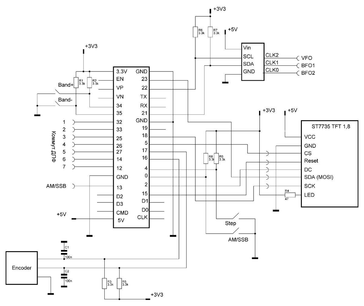
1. Автоматическое переключение диапазонных полосовых фильтров. На схеме указано какие пины выдают управляющее коммутатором напряжение.

2. Управляющее напряжение для коммутатора детектора АМ. При включении режима АМ на соответствующем пине МК появляется 3,3В которые и управляют коммутатором детекторов. В принципе не сложно коммутировать и фильтр ПЧ, отдельный для АМ режима. Есть у меня ФЭМ с полосой в 6кГц, самое то, для послушать Соловьева или Михеева на средних волнах, а истории о китайской свадьбе на Всемирном радио Китая где-то чуть повыше "Сороковки" вечером, прям вообще зазвучат новыми красками! Есть задумка, вкарячить такой фильтр в новую версию "Аматора".
Еще есть пока-что не всегда корректно отрабатывающая память предыдущего состояния, но это пока на стадии тестирования. Синтезатор запоминает диапазон и частоту на которых он был выключен и при включении запускается там же, но пока бывают осечки.

3. Опорный гетеродин. Поначалу эта функция мне не понравилась из-за того, что супергетеродин с таким синтезатором имел очень много пораженных точек, я много чего пробовал, но точки оставались. Уже хотел полностью его отключить и юзать внешний кварцевый генератор. Однако - попробовав профильтровать сигнал опорника эллиптическим фильтром, превратив меандр в синус и ограничив его уровень, я обнаружил, что поражёнки почти полностью исчезли и попадаются очень редко и с очень малыми уровнями. То есть теперь на них можно смело закрыть глаза! Ну а наградой за этот компромисс стала возможность легким движением руки менять боковые полосы когда вздумается и без сложных механических коммутаций!

-2

Схема не претерпела никаких изменений, кроме того, что теперь кнопка "Step" включает/выключает аттенюатор и того, что на 19 пин можно вешать драйвер коммутатора аттенюатора.
Прошивка
лежит тут. Как настроить "прошиватор" написано тут.

Печатки в предыдущих частях:
Часть 2.
Часть 1.
Предыстория.

Ниже короткое кино с демонстрацией работы этого синта в составе "
Аматора SA612 ФЭМ".

Синтезатор перекрывает весь КВ участок, от 500кГц, до 30МГц, прекрасно подойдет к любому супергетеродину с одним преобразованием или гетеродинному приемнику прямого преобразования с с частотой ГПД равной частоте принимаемого сигнала. в прошивке есть возможность отключить сдвиг частоты на величину ПЧ, так же можно отключить опорный генератор. Если писать об этих манипуляциях в статье, то получится простыня, а я этим синтезатором итак наверное уже утомил читателя. Если кому нужны эти инструкции спрашивайте в комментариях. Ну и на этом с этим синтезатором всё, если будут доработки или глобальные изменения, буду оформлять их постами со ссылкой на файл прошивки или с описанием, чего подправить в этой.
Всем спасибо и до скорого! 73!!! Пока-пока.