Найти в Дзене
oleg gorshkov

CD4504, Как подружить ТТЛ микросхемы с КМОП

Иногда в радиолюбительской практике приходится использовать микросхемы разных серий – КМОП и ТТЛ. Прямое подключение выхода ТТЛ (TTL) микросхемы к входу КМОП (CMOS) микросхемы может привести к неправильной работе или ненадежному срабатыванию из-за несовместимости логических уровней напряжения. Так при питании 5 вольт для ТТЛ Выход лог. "1" (VOH min) может составлять от 2,4 В, Вход лог. "1" (VIH min) от 2,0 В; Для КМОП Выход лог. "1" (VOH min) от 4,9 В, Вход лог. "1" (VIH min) от 3,5 В. При подключении выхода КМОП на вход ТТЛ разногласий по уровням нету, правда могут возникнуть по току, если КМОП первого поколения, сейчас такие крайне редко встречаются, это 40я серия с буквой А (или без буквы), она же К176, ко второму поколению относятся 40я серия с буквой В на конце, она же К561. У второй выходной ток больше. При подключении выхода ТТЛ на вход КМОП может возникнуть конфликт уровней. Конечно, это теория, в реале характеристики микросхем гораздо лучше, и в большинстве случаев будет раб

Иногда в радиолюбительской практике приходится использовать микросхемы разных серий – КМОП и ТТЛ. Прямое подключение выхода ТТЛ (TTL) микросхемы к входу КМОП (CMOS) микросхемы может привести к неправильной работе или ненадежному срабатыванию из-за несовместимости логических уровней напряжения. Так при питании 5 вольт для ТТЛ Выход лог. "1" (VOH min) может составлять от 2,4 В, Вход лог. "1" (VIH min) от 2,0 В; Для КМОП Выход лог. "1" (VOH min) от 4,9 В, Вход лог. "1" (VIH min) от 3,5 В.

При подключении выхода КМОП на вход ТТЛ разногласий по уровням нету, правда могут возникнуть по току, если КМОП первого поколения, сейчас такие крайне редко встречаются, это 40я серия с буквой А (или без буквы), она же К176, ко второму поколению относятся 40я серия с буквой В на конце, она же К561. У второй выходной ток больше.

При подключении выхода ТТЛ на вход КМОП может возникнуть конфликт уровней. Конечно, это теория, в реале характеристики микросхем гораздо лучше, и в большинстве случаев будет работать и напрямую, при условии одинакового питания микросхем.

Можно, конечно, постараться использовать все микросхемы в КМОП исполнении, тем более что практически вся 74я серия имеет такой вариант. Например 7400 – ТТЛ, 74HC00 – КМОП. Но бывает, что нужный аналог не всегда целесообразно искать, особенно если имеются под рукой запасы советских микросхем.

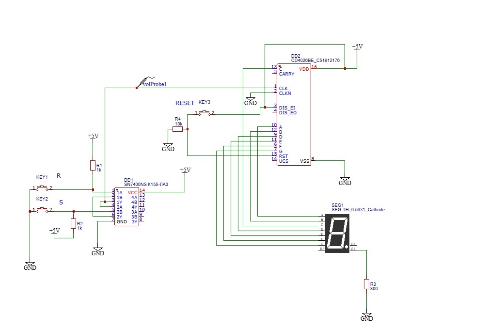
Проведём небольшой эксперимент, на ТТЛ микросхеме легендарной К155-ЛА3 (аналог 7400) соберём RS триггер, и подключим его к тактовому входу КМОП микросхемы CD4026. CD4026 – это десятичный счётчик со встроенным дешифратором для подключения семисегментных светодиодных индикаторов.

схема 1
схема 1
подопытные
подопытные

Судя по маркировке К155-ЛА3 выпущена в декабре 1991г.

При нажатие на кнопку S, на выводе 3 микросхемы DD1 устанавливается нуль, при нажатии на R единица. Этот сигнал подаётся на счётный вход DD2, при каждом появление единицы значение на индикаторе растёт. Как ни странно работает! Подключаем мультиметр, проводим замеры на выводе микросхемы К155-ЛА3.

нуль
нуль
единица
единица

Результаты измерений: при нуле примерно 0,1В; при единице примерно 3,7В. Короче – повезло, микросхема слишком хорошая, будет работать и так. Но может и не повезти. Кроме того, если кто-то из студентов подобное сочетание применит в учебном проекте, например в курсовом, то не примут. Положено согласовывать. Применим микросхему CD4504.

Микросхема CD4504B представляет собой шестиканальный КМОП-преобразователь (HEX Voltage Level Shifter) логических уровней, предназначенный для сопряжения сигналов с разными уровнями напряжения, например, между ТТЛ (TTL) и КМОП (CMOS) логикой или между разными уровнями КМОП.

цоколёвка
цоколёвка

Особенности

  • Преобразование уровней: Микросхема преобразует входные сигналы уровня VCC в выходные сигналы уровня VDD.
  • Гибкость: Поддерживает как повышающее (например, 3.3 В в 5 В), так и понижающее (например, 5 В в 3.3 В) преобразование уровней.
  • Совместимость с ТТЛ и КМОП: Входной порог переключения может быть настроен для совместимости либо с ТТЛ, либо с КМОП логикой с помощью специального входа SELECT.
  • Независимость последовательности питания: Отличительная особенность заключается в независимости от последовательности включения напряжений питания (VCC может превышать VDD, а входные сигналы могут превышать оба напряжения).
  • Широкий диапазон питания: Может работать с напряжениями VCC и VDD в диапазоне от 5 В до 15 В (некоторые версии до 20 В).

Выбор режимов осуществляется пином SELECT.

Если SELECT подключен к VCC - Режим ТТЛ-КМОП (TTL-to-CMOS).

Если SELECT подключен к GNG - Режим КМОП-КМОП (CMOS-to-CMOS) – для согласования КМОП микросхем с разным питанием.

VCC – питание входных (ТТЛ) микросхем

VDD – питание выходных (КМОП) микросхем

Приобрёл данные микросхемы в SOIC корпусе, на "ОЗОН" 223 рубля за 5 штук (доставка из Китая), спаял переходник в DIP.

монтаж на безпаячной макетной плате
монтаж на безпаячной макетной плате

Схема в нашем случае будет выглядеть следующим образом

схема 2
схема 2

Повторяем замеры

нуль
нуль

единица
единица

Результаты, конечно, красивее так: 0,01В/4,95В.

Теперь усложним задачу, КМОП микросхема CD4026 будет питаться от 9 вольт. Изменяем схему, на VDD CD4026 и CD4504 подаём 9 вольт, SELECT при этом остаётся на VCC.

схема 3
схема 3
нуль
нуль
единица
единица

Результаты 0,0В/8,9В, вполне приемлемы.

В общем микросхема в хозяйстве пригодится. Тем более её также можно использовать для согласования КМОП – КМОП (SELECT подключен к GNG), например подключить к микроконтроллеру с питанием 3,3В КМОП микросхему с питанием 5В, или наоборот. Этот режим я в данной статье подробно рассматривать не буду, но если у подписчиков появится интерес, напишу отдельную статью.

Продолжение