Найти в Дзене
Аз АТОМ

Как сэкономить место в трубопроводной системе? Знакомьтесь: регулятор PACS-25

Представьте регулятор давления, который не только идеально выполняет свою работу, но и помогает инженерам создавать более компактные и эффективные системы. Именно такой продукт мы производим. Речь пойдет об осевом регуляторе давления PACS 25. Если просто, его задача — автоматически поддерживать нужное давление воды в трубе. Причем он справляется с этим даже когда вода не течет, находясь в режиме ожидания и сохраняя полную герметичность. Полное описание регулятора Почему выбирают регулятор давления жидкости PACS 25? 1. Компактность и каскадное регулирование. Благодаря малым габаритам, два регулятора могут быть объединены в одну двухступенчатую систему регулирования в рамках стандартной строительной длины, требуемой для аналогов. 2. Высокая пропускная способность. Конструкция позволяет использовать регулятор на шаг меньшего типоразмера (например, DN 50 вместо DN 65), что обеспечивает экономию без потери эффективности. 3. Надежная герметичность. Соответствует классам герметичности «IV, V

Представьте регулятор давления, который не только идеально выполняет свою работу, но и помогает инженерам создавать более компактные и эффективные системы. Именно такой продукт мы производим.

Речь пойдет об осевом регуляторе давления PACS 25. Если просто, его задача — автоматически поддерживать нужное давление воды в трубе. Причем он справляется с этим даже когда вода не течет, находясь в режиме ожидания и сохраняя полную герметичность. Полное описание регулятора

Почему выбирают регулятор давления жидкости PACS 25?

1. Компактность и каскадное регулирование. Благодаря малым габаритам, два регулятора могут быть объединены в одну двухступенчатую систему регулирования в рамках стандартной строительной длины, требуемой для аналогов.

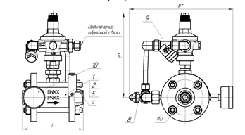
Габаритные размеры регуляторов давления со строительной дли-ной по ГОСТ 16587-71 (DN25-DN150)
Габаритные размеры регуляторов давления со строительной дли-ной по ГОСТ 16587-71 (DN25-DN150)

2. Высокая пропускная способность. Конструкция позволяет использовать регулятор на шаг меньшего типоразмера (например, DN 50 вместо DN 65), что обеспечивает экономию без потери эффективности.

3. Надежная герметичность. Соответствует классам герметичности «IV, V» по ГОСТ 9544-2015. Регулятор гарантирует полное перекрытие потока в закрытом состоянии и плавный запуск без дополнительных настроек.

Он предназначен для воды, выдерживает давление до 25 кгс/см² и температуры от +5 до +80 °C. А его фланцевое соединение знакомо и удобно каждому монтажнику.

Итог: Экономия пространства, снижение затрат и долговечность — не просто слова, а инженерные особенности PACS 25.

Хотите, чтобы мы рассчитали применение Пакс-25 для вашего объекта?Отправьте опросный лист и получите расчёт в течение одного рабочего дня.

Регуляторы давления PACS 25— АЗ АТОМ

видео описание регулятора давления https://dzen.ru/shorts/691b1ac8cb706418d5667568

#регулятордавления #Пакс25 #инженерныесистемы #монтаж #ЖКХ #проектирование #оборудование