Чертеж для самодельного изготовления . Интересная альтернатива предложенная из диалога : Втулка от внутрянки колеса, которая длинная.Просто обрезать в размер. Сам так делал.
Чертеж для самодельного изготовления . Интересная альтернатива предложенная из диалога : Втулка от внутрянки колеса, которая длинная.Просто обрезать в размер. Сам так делал.
...Читать далее
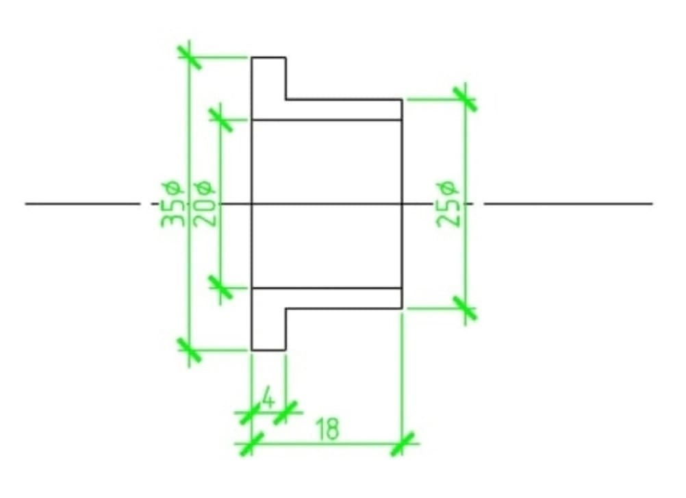
Чертеж для самодельного изготовления .
Интересная альтернатива предложенная из диалога :
Втулка от внутрянки колеса, которая длинная.Просто обрезать в размер. Сам так делал.