Добавить в корзинуПозвонить
Найти в Дзене

Орион-128. "Шагатель" с индикацией.

Всех приветствую! Ориону в 2025 году - 36 лет. Казалось бы, кому нужны эти древние восьмибитные прародители современных вычислительных машин? На что они в современных реалиях способны? Фото не отфотошопить, музыку не послушать, фильм не посмотреть, в интернет не сходить. Для чего они нужны? А ответ прост: это юность, это хобби, это в какой-то мере другой мир. Молодёжь сейчас таким не занимается. А вот люди, преимущественно возрастом 50+, причастные к электронике, очень даже не против "тряхнуть стариной" и заново собрать этот компьютер, вспомнить молодость и снова ощутить то чувство при виде на экране "Орион-128" с мигающим курсором. На текущий момент существует большое множество печатных плат с различными дополнениями и изменениями, и, к сожалению, не лишённых ошибок при их проектировании. И, как следствие, после сборки при первом включении компьютер не работает так, как надо, либо вообще не запускается. И приходится прибегать к различным методам отладки. Одним из таких методов являетс

Всех приветствую!

Ориону в 2025 году - 36 лет.

Казалось бы, кому нужны эти древние восьмибитные прародители современных вычислительных машин? На что они в современных реалиях способны? Фото не отфотошопить, музыку не послушать, фильм не посмотреть, в интернет не сходить. Для чего они нужны? А ответ прост: это юность, это хобби, это в какой-то мере другой мир. Молодёжь сейчас таким не занимается. А вот люди, преимущественно возрастом 50+, причастные к электронике, очень даже не против "тряхнуть стариной" и заново собрать этот компьютер, вспомнить молодость и снова ощутить то чувство при виде на экране "Орион-128" с мигающим курсором.

На текущий момент существует большое множество печатных плат с различными дополнениями и изменениями, и, к сожалению, не лишённых ошибок при их проектировании. И, как следствие, после сборки при первом включении компьютер не работает так, как надо, либо вообще не запускается. И приходится прибегать к различным методам отладки. Одним из таких методов является пошаговое выполнение управляющей программы МОНИТОР.

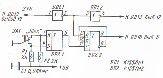
Для этого в ж. Радио №5 1990 года была опубликована инструкция для наладки компьютера и была предложена схема для пошагового выполнения программы МОНИТОР. В народе это устройство прозвали шагателем. Вот его схема:

Схема пошаговой отладки компьютера "Орион-128"
Схема пошаговой отладки компьютера "Орион-128"

Как, наверное, и у большинства тогда собиравших, мой компьютер сразу не заработал и я собирал этот узел и "шагал по программе", отслеживая пробником уровни сигналов на шинах адреса и данных. Неисправность была найдена и результатом был запустившийся компьютер.

И вот даже сейчас бывают случаи, когда такая новодельная плата не стартует. Не стартует по разным причинам. Плюс не у всех хватает квалификации и опыта настроить такую схему.

И приходится собирать шагатель. Но даже после сборки шагателя настройка компьютера сильно не упрощается, ведь нужно видеть, что делается на шинах адреса и данных и смотреть пробником уровни на линиях и "складывать" в голове всю эту информацию в единую "колбасу". Это занимает и время и силы. Да и неудобно.

А что если к шагателю приспособить визуализацию? Сразу видно, что происходит на шинах.

Предлагаю доработать шагатель таким образом, чтобы частично его внедрить в основную плату компьютера, тем более что необходимые свободные элементы на нём уже есть - это инверторы микросхемы DD59 К155ЛН1. При этом мы получим на системном разъёме дополнительный нужный для других устройств сигнал /SYNC.

Для этого необходимо выполнить такую доработку компьютера:

Доработка на плате Ориона-512 ревизии 512.3
Доработка на плате Ориона-512 ревизии 512.3

А сам шагатель будет теперь выглядеть таким образом:

-3

При подключённом шагателе компьютер будет работать пошагово, а при отключённом в обычном режиме. Не правда ли, удобно?

На некоторых версиях плат, например 'Орион-128 rev512.3', уже сделана частичная доработка для шагателя (выполнено соединение с первым инвертором шагателя на свободном элементе микросхемы DD59) и поэтому место разреза может отличаться от места разреза на авторском варианте платы. Здесь нужно разбираться на конкретном экземпляре платы, но думается, что сложностей с этим не возникнет. Так выглядит место разреза на авторской плате:

-4

А так выглядит место разреза на моей новодельной плате rev 512.3 с контактной площадкой для подключения шагателя. Возможно, на других версиях плат это выглядит иначе.

-5

Две новодельные платы Ориона образца 2013 года, которые приобретал я, не имели никаких ошибок и оба компьютера заработали сразу.
На них вывод 19 процессора DD19 соединён с выводом 1 микросхемы DD59 и после выполнения разреза вывод 12 DD13 платы Ориона нужно соединить с выводом 12 микросхемы DD59, а выводы 2 (соединён с контактом B7 системного разъёма X2) и 13 DD59 соединить вместе.

Схему в формате PDF можно скачать по ссылке https://disk.yandex.ru/i/sBGXx596xrkx9g

До новых встреч!