Добавить в корзинуПозвонить
Найти в Дзене

Сравнение современного метода расчёта электрических схем на постоянном токе с нелинейными сопротивлениями с расчётом по методу Ньтона

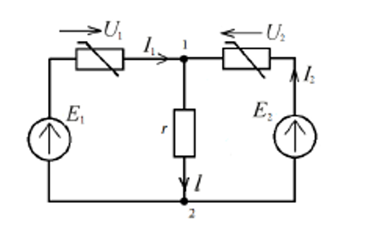
Дугинов Л.А. l.duginov@mail.ru Ключевые слова: Пример расчёта, метод расчёта, электрическая схема, постоянный ток, нелинейные сопротивления, линеаризация системы нелинейных уравнений, программа Mathcad. Современные методы расчёта нелинейных электрических цепей (НЭЦ) Существует три группы методов расчёта НЭЦ: 1) графические методы, осуществляемые геометрическими построениями на основе заданных характеристик; 2) графоаналитические методы, основанные на том, что характеристика нелинейного элемента выражается приближённо аналитической функцией или аппроксимированной ломаной линией; 3) численные методы, основанные на приближённых способах решения алгебраических и дифференциальных уравнений (например, с помощью пока-зательных или трансцендентных функций). Для сравнения двух методов используем два расчёта одной и той же электрической схемы на постоянном токе (см.рис.1): Ниже приводится электрическая схема с двумя нелинейными сопротивлениями, а также исходные данные, необходимые для расчёта

Дугинов Л.А. l.duginov@mail.ru

Ключевые слова: Пример расчёта, метод расчёта, электрическая схема, постоянный ток, нелинейные сопротивления, линеаризация системы нелинейных уравнений, программа Mathcad.

Введение

Современные методы расчёта нелинейных электрических цепей (НЭЦ)

Существует три группы методов расчёта НЭЦ:

1) графические методы, осуществляемые геометрическими построениями на основе заданных характеристик;

2) графоаналитические методы, основанные на том, что характеристика нелинейного элемента выражается приближённо аналитической функцией или аппроксимированной ломаной линией;

3) численные методы, основанные на приближённых способах решения алгебраических и дифференциальных уравнений (например, с помощью пока-зательных или трансцендентных функций).

Для сравнения двух методов используем два расчёта одной и той же электрической схемы на постоянном токе (см.рис.1):

  1. Первый расчёт электрической схемы, в котором использовался метод линеаризации нелинейных сопротивлений на базе программы Mathcad с использованием табличного метода задания ВАХ характеристик 2-х нелинейных сопротивлений. После выполнения процесса линеаризации электрический расчёт заданной схемы выполнялся как для линейных сопротивлений известным методом контурных расходов.
  2. Второй расчёт (современный - на базе метода Ньютона), взятый из Интернета, и помещённый в Приложение к данной статье.

Ниже приводится электрическая схема с двумя нелинейными сопротивлениями, а также исходные данные, необходимые для расчёта (см.рис.1). Данная схема взята из учебно-методического пособия для ВУЗов (см.л.5).

Рис.1 Схема нелинейной электрической цепи на постоянном токе, взятой из учебн.-метод. пособия (см.Приложение)

Для схемы (см. рис.1) характеристики нелинейных элементов аппроксимированы следующими зависимостями:

-2

Сопротивление линейного резистора r=10 Ом;

ЭДС источников: Е1=11 В, Е2=12 В.

Требуется определить все токи I1, I2, I и напряжения U1 и U2.

Схема, показанная на рис.1 была дополнена так, как приведено на Рис.2. Показаны направления обхода 2-х контуров по методу контурных токов. Пронумерованы все линейные сопротивления, включая RL1 и RL2, величину которых определяют табличным методом из ВАХ из соответствующих нелинейных сопротивлений (Z1 и Z2). Сопротивление R3=10 Ом тоже является линейным, но оно задаётся не табличным методом, а как обычное омическое сопротивление.

Рис.2 Новая схема установки линейных сопротивлений (после преобразования рис.1).

-3

Исходные данные для схемы рис.2:

U1=20*I1 + 1000*I^3 В U2=30*I1 + 2000*I^3 В R3=10 Ом

E1=11 В E2=12 В

ВАХ нелинейного сопротивления Z1 строится по формуле: U1 = 20 + 1000*I1^3

ВАХ нелинейного сопротивления Z2 строится по формуле: U2 = 30 + 2000*I1^3

Рис. 3 ВАХ нелинейных сопротивлений Z1 и Z2 ( для Z1-красный цвет)

-4

Ниже приводится полная распечатка электрического расчёта схемы рис.2 на программе Mathcad. В расчёте используется метод усреднения 2-х линейных сопротивлений RL1 и RL2. Это необходимо для обеспечения сходимости процесса итерационного расчёта, а так же для резкого сокращения числа итераций.

-5

-6

Выводы

  1. Сравнивая два метода расчёта, видно сразу, что метод основанный на базе табличного метода предельно простой в отличии от современного метода Ньютона, требующего определённого уровня знаний высшей математики.
  2. Сходимость табличного метода, основанного на работе в программе Mathcad, практически не зависит от начальной величины токов, заданных для первой итерации (в отличие от метода расчёта, приведённого в Приложении).
  3. Табличный метод, основанный на работе в программе Mathcad быстро сходится уже на 3-4-ой итерации, но требует процесса усреднения 2-х линейных сопротивлений RL1 и RL2, в отличии от метода автора изложенного в л.3-5.
  4. Возникает сразу вопрос: имеет ли практический смысл учить студентов гораздо более сложной методике расчёта нелинейной электрической цепи на постоянном токе, только для того чтобы блеснуть знаниями высшей математики. Для этого надо решать "полевые" задачи электротехники, там без этого не обойтись. В жизни, например, выезжая из Москвы в Питер, вы пользуетесь Ленинградским вокзалом, хотя в принципе можно уехать с Казанского вокзала, Земля то круглая, доберётесь как нибудь, рано или поздно!

Литература

  1. Мызников А.М. Решение больших систем нелинейных уравнений применительно к задачам расчета гидравлических, тепловых и электрических сетей // Математические структуры и моделирование. Омск: Омский гос. ун-т., 2003, вып. 11, с. 15-19.
  2. Логинов К.В. Модели и алгоритмы расчетов режимов работы сложных гидравлических сетей. Диссертация на соискание ученой степени кандидата технических наук. Омск, 2004,137с.
  3. Дугинов Л.А., Розовский М.Х. Простой метод расчёта для сложных гидравлических систем., ТПА,-2020. -№2 (107).-50c
  4. Аврух В.Ю., Дугинов Л.А. Теплогидравлические процессы в турбо- и гидрогенераторах -М.: «Энергоатомиздат»,1991, стр. 50-55
  5. Дугинов Л.А. Сравнение двух современных методов расчёта электрических схем на постоянном токе с нелинейными сопротивлениями. Статья опубликована на Сайте dzen.ru "про Гидравлику и Электрику " 11 декабря 2024.

___________________________________________________________________________________

ПРИЛОЖЕНИЕ

Ниже (для сравнения 2-х методов расчёта) приводится копия части учебно-методического пособия для ВУЗов, в котором излагается современный метод расчёта нелинейной электрической цепи на постоянном токе:

-7

Расчётная схема нелинейной электрической цепи на постоянном токе.

-8
-9
-10
-11
-12
-13

_____________________________________________________________________________

9

Реклама•18+

-14

kinopoisk.ru

-15

Где была первая столица русского государства и как...

-16

Молодой офицер возглавляет внешнюю разведку СССР в...

-17

Лесник находит изнасилованную девушку и решает...

-18

Кому была выгодна смерть известного телеведущего?

-19

Их брак начинает рушиться из-за взаимных претензий...

-20

Невостребованный актер возвращается на родину и...

-21

Где была первая столица русского государства и как...

-22

Молодой офицер возглавляет внешнюю разведку СССР в...

-23

Лесник находит изнасилованную девушку и решает...

-24

Кому была выгодна смерть известного телеведущего?