Добавить в корзинуПозвонить
Найти в Дзене

Новый метод решения электросхем постоянного тока со сложными логарифмическими ВАХ

Дугинов Л.А. l.duginov@mail.ru До сих пор автором этой статьи публиковались новые методы решения электрических схем с нелинейными сопротивлениями, падения напряжения DU1 на которых определялись следующими формулами: 1) DU1=Z1* I1^n1 (1) где: Z1- нелинейное сопротивление, величина Z1 не зависит от тока I1 (константа). I1- ток через Z1; n1- показатель степени нелинейности, величина степени 1<п1<=15. Процесс линеаризации уравнения (1) сводился к определению линейного сопротивления RL1 с помощью которого выполнялся весь итерационный процесс расчёта электрической схемы по формуле: RL1=Z1^(1/n1) * DU1^(1-1/n1 ) (2) где: DU1 - падение напряжения на сопротивлении RL1. 2) DU2=Z2* I2^n2 (3) где: Z2- нелинейное сопротивление, величина Z2 и показатель степени n2 зависят от тока I2 ( Z2=f(I2), n2=f(I2)), т.е. падение напряжения DU2 не может быть выражено в степенном виде с постоянными коэффициентами. В таких случаях для простых схем применяется графический способ
Оглавление

Дугинов Л.А. l.duginov@mail.ru

Введение

До сих пор автором этой статьи публиковались новые методы решения электрических схем с нелинейными сопротивлениями, падения напряжения DU1 на которых определялись следующими формулами:

1) DU1=Z1* I1^n1 (1)

где: Z1- нелинейное сопротивление, величина Z1 не зависит от тока I1 (константа). I1- ток через Z1; n1- показатель степени нелинейности, величина степени 1<п1<=15. Процесс линеаризации уравнения (1) сводился к определению линейного сопротивления RL1 с помощью которого выполнялся весь итерационный процесс расчёта электрической схемы по формуле:

RL1=Z1^(1/n1) * DU1^(1-1/n1 ) (2)

где: DU1 - падение напряжения на сопротивлении RL1.

2) DU2=Z2* I2^n2 (3)

где: Z2- нелинейное сопротивление, величина Z2 и показатель степени n2 зависят от тока I2 ( Z2=f(I2), n2=f(I2)), т.е. падение напряжения DU2 не может быть выражено в степенном виде с постоянными коэффициентами. В таких случаях для простых схем применяется графический способ решения, а для сложных схем - табличный метод - DU2=f(I2) задания зависимости падения напряжения DU2 от тока I2. В этом случае процесс линеаризации уравнения (3) сводится к определению линейного сопротивления RL2 с помощью программы Mathcad, в которой с помощью специальной функции, определяется величина RL2 по формуле:

RL2= DU2x/I2x, где: I2x-текущая расчётная величина тока I2, DU2x-текущее значение падение напряжения DU2, определяемое программой Mathcad с помощью специальной функции.

В данной статье падение напряжения на нелинейном сопротивлении определяется по формуле:

3) DU3=Z3*Log (I3^n3) (4)

где: Z3- нелинейное сопротивление, величина Z3 не зависит от тока I3 (константа). I3- ток через Z3; n3- показатель степени нелинейности, величина степени 1<п3<=10. Процесс линеаризации уравнения (3) сводится к определению линейного сопротивления RL3, с помощью которого выполнялся весь итерационный процесс расчёта электрической схемы по формуле:

где: DU3 - падение напряжения на сопротивлении RL3.

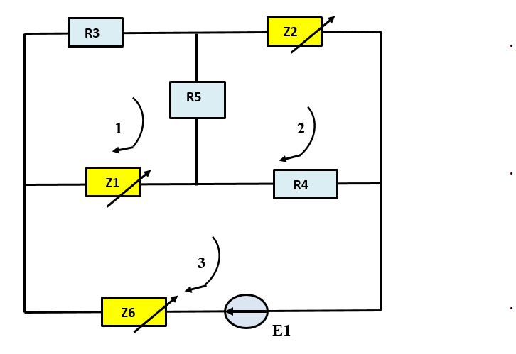
Далее, на небольшой схеме рис.1, в которую включены 3 разных нелинейных сопротивления с подробным описанием этих элементов..

Рис.1 Схема с 3-мя нелинейными сопротивлениями Z1,Z2 и Z6

-2

Падение напряжения DU1,DU2 и DU6 на нелинейных сопротивлениях Z1,Z2 и Z6 определяются формулами:

DU1=Z1*Log (I1^5), DU2=Z1*I^2, DU6=Z6*I^3

ВАХ нелинейных сопротивлений Z1,Z2 и Z6 показаны на рис.1 и рис.2.

Итерационные формулы линеаризации нелинейных сопротивлений Z1, Z2 и Z6 (с кратким выводом их) показаны в Приложении.

-3
-4
-5

Распечатка эл. расчёта схемы рис.1, выполнена программой Mathcad по новым по итерационным формулам линеаризации нелинейных сопротивлений (см. Приложение). Расчёт выполняется по методу контурных токов ( как для линейной схемы).

-6

Таблица 1 Результаты эл. расчёта токов I1-I6 схемы рис.1 (по 13-ти итерациям)

-7

Таблица 2 Результаты эл. расчёта падений напряжений DU1-DU6 схемы рис.1 (по 15-ти итерациям)

-8

ВЫВОДЫ

  1. Включение в схему нового нелинейного элемента (Z1) с логарифмической ВАХ не явилось серьёзным препятствием для решения данной задачи и привело к новой формуле расчёта линейных сопротивлений (RL1), показанной в ПРИЛОЖЕНИИ - формула (10).
  2. Сочетание программы Mathcad c его мощным математическим аппаратом и новой методики обеспечивает надёжный итерационный процесс расчёта электрических схем любой сложности. Расчёт схемы рис.1 стабильно сходится в пределах 8-10 итераций.
  3. Точность расчёта сложных электрических схем по данной методике гораздо выше точности графических, графо-аналитических и многих просто аналитических методик.
  4. Данная методика рекомендуется для практического использования студентам, преподавателям, а также инженерам-электрикам.

СПИСОК ЛИТЕРАТУРЫ

  1. Дугинов Л.А. Сравнение двух современных методов расчёта электрических схем на постоянном токе с нелинейными сопротивлениями. Сайт dzen.ru «Про Гидравлику и Электрику». 11.12. 2024 г
  2. Дугинов Л.А. Простая методика расчёта сложных магнитных цепей на постоянном токе в матричной форме (в среде Mathcad). Статья опубликована на Сайте dzen.ru " Про гидравлику...", 16 мая 2024 г.
  3. Дугинов Л.А., Розовский М.Х. Простой метод расчёта для сложных гидравлических систем., ТПА,-2020. -№2 (107).-50c
  4. Бронштейн И. Н. и Семендяев К.А. Справочник по математике для инженеров и студентов ВТУЗОВ. Госиздат физико-математической литературы. Москва, 1959.

----------------------------------------------------------------------------------

ПРИЛОЖЕНИЕ (нумерация формул в Приложении - автономная)

Краткий вывод итерационных формул линейных сопротивлений RL2 и RL6

-9

Формула (4) получается из (3) при показателе степени n=2

Краткий вывод итерационной формулы линейного сопротивления RL1

-10