Добавить в корзинуПозвонить
Найти в Дзене
Terrabyte

Телеграфный трансивер на 14 МГц, часть 1: синтезатор частоты

Друзья, привет! Потихоньку систематизировал весь материал, касающийся конструкции моего первого телеграфного КВ-трансивера. Начинаю публиковать. Материала много, поэтому разобью его на несколько публикаций. На мой взгляд, трансивер удался! Я каждый день слушаю диапазон 20 метров с его помощью. Иногда включаю его в режиме маяка и отслеживаю регионы, в которых его слышат. А вскоре и сам планирую на нем выйти в эфир... Несмотря на то, что трансивер телеграфный, он позволяет слушать и SSB-станции. Вообще, о его испытаниях я подробно рассказал в заметке "Полевые испытания самодельного телеграфного QRP-трансивера на 14 МГц". Теперь рассказ об особенностях конструкции. В трансивере были использованы схемотехнические решения, которые хорошо себя зарекомендовали в различных радиолюбительских конструкциях. Вот как выглядит схема в целом. Основные функции управления возложены на мой любимый микроконтроллер семейства Ардуино - версию Pro Micro, которую можно программировать непосредственно через U
Оглавление

Друзья, привет!

Потихоньку систематизировал весь материал, касающийся конструкции моего первого телеграфного КВ-трансивера. Начинаю публиковать. Материала много, поэтому разобью его на несколько публикаций.

На мой взгляд, трансивер удался! Я каждый день слушаю диапазон 20 метров с его помощью. Иногда включаю его в режиме маяка и отслеживаю регионы, в которых его слышат. А вскоре и сам планирую на нем выйти в эфир... Несмотря на то, что трансивер телеграфный, он позволяет слушать и SSB-станции. Вообще, о его испытаниях я подробно рассказал в заметке "Полевые испытания самодельного телеграфного QRP-трансивера на 14 МГц". Теперь рассказ об особенностях конструкции.

Схема синтезатора частоты

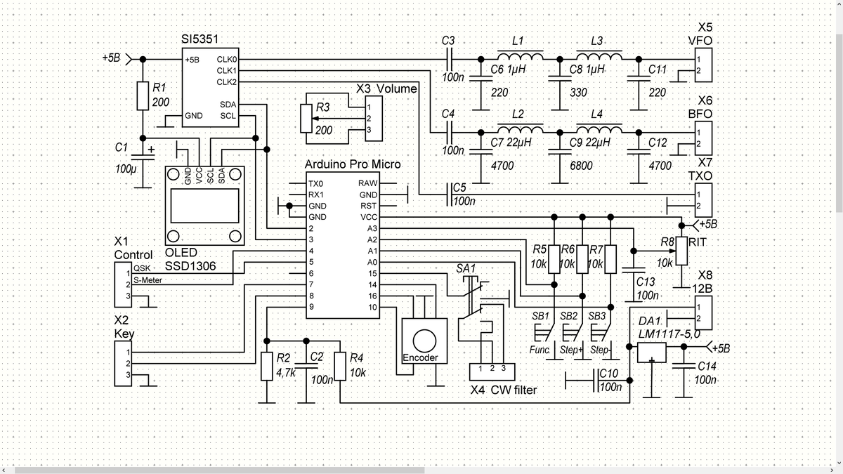
В трансивере были использованы схемотехнические решения, которые хорошо себя зарекомендовали в различных радиолюбительских конструкциях. Вот как выглядит схема в целом.

Принципиальная схема синтезатора телеграфного трансивера
Принципиальная схема синтезатора телеграфного трансивера

Основные функции управления возложены на мой любимый микроконтроллер семейства Ардуино - версию Pro Micro, которую можно программировать непосредственно через USB-порт. Задействованы почти все имеющиеся в наличии порты ввода-вывода.

Приемник трансивера собран по супергетеродинной схеме с одной промежуточной частотой и электромеханическим фильтром (ЭМФ). Все частоты, необходимые для работы трансивера, формируются при помощи готового модуля синтезатора на основе чипа SI5351. Задействованы все 3 канала.

Канал CLK0 используется как генератор плавного диапазона (VFO). сформированный сигнал проходит через ФНЧ на основе элементов L1, L3, C6, C8, C11 с частотой среза около 15 МГц. Фильтр позволяет значительно снизить уровень гармоник и, соответственно, максимально подавить каналы побочного приема.

При помощи канала синтезатора CLK1 происходит формирование опорного сигнала для переноса спектра с промежуточной частоты в область звуковых колебаний. Это фиксированная частота, величина которой зависит от используемого ЭМФ. Я использовал ЭМФ типа ФЭМ2-045-500-3,1С. Он имеет частотную характеристику симметричную относительно средней частоты 500 кГц. Поэтому частота опорного генератора, снимаемая с CLK1 составляет 498400 Гц. Для уменьшения побочных продуктов преобразования сигнал с синтезатора SI5351 также пропускается через фильтр L2, L4, C7, C9, C12.

Третий канал SI5351 (CLK2) использован для формирования частоты излучения передатчика. Частоты каналов связаны между собой следующим соотношением:

Fclk0 = Fclk2 - Fclk1 - Frit,

где Frit - частота расстройки (по сути частота, которую мы будем слышать при точной настройке передатчика на ту же волну, что и корреспондент).

Вся индикация выводится на небольшой OLED-дисплей с диагональю 0,96 дюйма на контроллере SSD1306. Дисплей, как и синтезатор связаны с микроконтроллером при помощи последовательной шины IIC (I2C). Питание на дисплей подается через фильтрующую цепь R1, C1. Она позволяет устранить проникновение помех по цепи питания.

Управление настройкой трансивера осуществляется при помощи энкодера. Расширить функциональность управления и удобство настроек должны позволить дополнительные кнопки SB1... SB3. Их базовый функционал - изменение шага настройки (Step+ и Step-), а также запуск режима маяка (Func), в котором в эфир передается заранее зашитое в микроконтроллер телеграфное сообщение. Кнопки подтянуты к плюсу питания резисторами, поскольку на соответствующих портах микроконтроллера такой возможности (подтяжки нет) - порты полностью аналоговые.

Девятый пин микроконтроллера через делитель R2, R4 получает сигнал об уровне заряда батареи.

Сдвоенный переключатель SA1 отвечает за включение телеграфного фильтра. Одна его секция (нижняя) отвечает за сам фильтр, а вторая - за индикацию состояния фильтра на дисплее.

Переменный резистор R8 предназначен для изменения частоты расстройки в диапазоне от 400 до 1200 Гц. На самом деле этот функционал оказался не столь уж и нужным. Тем более, частота телеграфного фильтра не перестраивается. Возможно в будущем я использую этот орган регулировки как-то по-другому.

Регулятор громкости R3 просто размещен на плате синтезатора. Подключается он к плате аналоговой части трансивера.

Питание все электронные модули получают от литий-ионного аккумулятора, максимальным напряжением 12,6 Вольта. Чтобы довести это напряжение до рабочей величины 5 Вольт используется понижающий стабилизатор LM1117-5,0.

Скетч прошивки микроконтроллера будет вложен в архив в конце публикации.

Конструкция синтезатора

Синтезатор выполнен на одной печатной плате размерами 95х40 миллиметров.

Чертеж печатной платы синтезатора
Чертеж печатной платы синтезатора

Плата выполнена из 2-стороннего стеклотекстолита толщиной 1,5 мм. Дорожки вырезаны только с одной стороны. С другой стороны фольга оставлена. Имеется несколько перемычек. Плата предназначена для монтажа на лицевую панель устройства. Ка обычно вырезал дорожки на домашнем фрезерном станочке.

Печатная плата, лицевая сторона
Печатная плата, лицевая сторона

Рисунок печатной платы претерпел некоторые изменения в ходе настройки. В архиве будет уже исправленный вариант.

Печатная плата, обратная сторона
Печатная плата, обратная сторона

С обратной стороны отверстия раззенкованы во избежание нежелательных контактов выводов деталей с землей. После вырезания плата покрывалась слоем сплава Розе.

Печатная плата покрытая сплавом Розе
Печатная плата покрытая сплавом Розе

Сборка синтезатора проводится в следующей последовательности. Прежде всего устанавливаются сокеты для установки процессора и модуля синтезатора SI5351.

Панельки под плату процессора
Панельки под плату процессора

Вначале я не стал было ставить разъем для синтезатора, но потом, решил, что лучше поставить. Бывают проблем с этими платами и лучше иметь возможность быстрой замены.

Далее устанавливаются все детали и перемычки, расположенные под дисплейным модулем. Чтобы потом не пришлось его отгибать для их установки.

Установка деталей под модуль дисплея.
Установка деталей под модуль дисплея.

Вместо резистора на 200 Ом я сперва установил дроссель на 100 мкГн, но уровень фильтрации помех в этом случае был хуже. Лучше поставить резистор на 200 Ом. Кроме того нужно не забыть установить и резисторы R5...R7. На моей плате их нет. Добавлял потом навесным монтажем.

Устанавливаются остальные перемычки.

Перемычки с обратной стороны платы
Перемычки с обратной стороны платы

Дальше я установил все гребенки контактов для соединения синтезатора с аналоговой частью трансивера.

Установлены контактные колодки
Установлены контактные колодки

Черная колодка - питание, зеленые - сигналы синтезатора, желтые - управление.

Далее, монтируются детали фильтров высокочастотных сигналов.

Смонтированы фильтры
Смонтированы фильтры

Несколько конденсаторов в DIP-исполнении у меня не оказалось. Установил SMD с другой стороны.

Теперь можно установить все регулировочные элементы. Переменные резисторы, энкодер, кнопки и включатель CW-фильтра. В качестве последнего я использовал кнопочный переключатель 8х8 вот такой конструкции:

Включатель телеграфного фильтра
Включатель телеграфного фильтра

Вид с установленными регуляторами получился вот такой.

Установлены элементы управления
Установлены элементы управления

Высота кнопок - 11...13 мм. Резистор RIT запаян в плату, а регулятор громкости привинчен. Однотипные резисторы достать мне не удалось. Делал плату под то, что смог добыть. За энкодером виден стабилизатор напряжения. Его тоже уже можно смонтировать. Вот так смонтированные резисторы выглядят сзади:

Вид на резисторы сзади
Вид на резисторы сзади

Модуль синтезатора, который я приобрел обладал той же проблемой нестабильной частоты, что и в прошлый раз. Поэтому заменил кварц на выпаянный с донорской материнской платы.

Модуль синтезатора SI5351 с замененным кварцем
Модуль синтезатора SI5351 с замененным кварцем

Теперь можно установить модуль на плату. Подчеркну еще раз, что лучше под него установить панельку для быстрой замены. Также можно установить и модуль Arduino Pro Micro.

Установлены модуль синтезатора и Arduino
Установлены модуль синтезатора и Arduino

Теперь можно монтировать модуль дисплея. Для этого на плату впаиваются жестких провода. Я использовал латунный провод диаметром 0,8 мм.

Контакты для модуля OLED-дисплея
Контакты для модуля OLED-дисплея

Штатная гребенка контактов из дисплея выпаивается. ПОсле этого дисплей надевается на запаянные контакты так, чтобы высота от поверхности платы до поверхности дисплея составляла примерно 10 мм.

Установленный дисплей
Установленный дисплей

На этом все. можно заливать прошивку. Правильно собранная схема в дополнительной наладке не нуждается. А вот аналоговая плата трансивера потребует определенной настройки. Для этого, а также для проведения различных экспериментов я собрал макетную конструкцию. На куске оргалита я закрепил обе платы, напечатанную переднюю панель и аккумулятор.

Макетная плата
Макетная плата
Макетная плата с другой стороны
Макетная плата с другой стороны

Аккумулятор из 3-х элементов 18650 я приобрел в сетевом магазине. С ним экспериментировал, его, в дальнейшем, установил и в готовую конструкцию.

На этом описание синтезатора можно считать законченным. Пару слов о информации, выводимой на дисплей.

Дисплей трансивера
Дисплей трансивера

Сверху, крупным шрифтом отображается текущая частота передачи. Внизу, в левой колонке сверху вниз: шаг перестройки, величина расстройки, статус телеграфного фильтра (включен-выключен). В правой колонке: ПРоцент заряда аккумулятора, режим работы передатчика (ручная передача - TRX, маяк - BKN), уровень сигнала (S-метр). Пока не стал делать никакие пиктограммки. Может быть потом...

Архив с чертежами платы, схемой, моделью лицевой панели и скетчем доступен для скачивания:

sintezyer.zip — Яндекс Диск

Я же приступаю к подготовке материалов по аналоговой части трансивера.

Спасибо, что читаете-смотрите Terrabyte! Подписывайтесь, если вам интересна радиолюбительская тематика, микроконтроллеры, мини-ПК, необычные компьютерные решения и инновационные разработки! Спасибо всем, кто поддерживает меня своими советами, комментариями и лайками!

Группа ВК: https://vk.com/terrabyte

Канал на VK-Video: https://vk.com/video/@terrabyte/all

Полезные радио-самоделки: