Добавить в корзинуПозвонить
Найти в Дзене
RADIO INFO

Как добавить диапазон FM в радиоприемник VEF-202 без планки и с минимальным вмешательством в схему.

Добрый день дорогие друзья. Сегодня мы с Вами опять вернемся к нашему разговору о переделки старых советских радиоприемников на диапазон FM, начатый не так давно на моем канале в публикации: «Планки FM без секретов, на микросхемах SI4825A10, KT0936MB9 и BK1198 с генератором микросхеме CD4001». Если Вы еще не читали эту статью, то настоятельно рекомендую ознакомиться с этой статьей и комментариями к ней. В этой статье рассматривались варианты схем планок на микросхемах SI4825A10, KT0936MB9 и BK1198 с генератором микросхеме CD4001, управляемые от штатного КПЕ радиоприемника. В комментариях к статье поднимались недоставки этого способа переделки на FM и частности говорилось о якобы ухода частоты из за нестабильности генератора, о помехах для АМ приема от генератора, вот только где им взяться если он работает только на когда включён. Темой сегодняшней статьи будет еще один из вариантов переделки на диапазон FM радиоприемника VEF-202 и все о чем мы будем говорить, будет приемлемо для р

Добрый день дорогие друзья.

Сегодня мы с Вами опять вернемся к нашему разговору о переделки старых советских радиоприемников на диапазон FM, начатый не так давно на моем канале в публикации: «Планки FM без секретов, на микросхемах SI4825A10, KT0936MB9 и BK1198 с генератором микросхеме CD4001». Если Вы еще не читали эту статью, то настоятельно рекомендую ознакомиться с этой статьей и комментариями к ней. В этой статье рассматривались варианты схем планок на микросхемах SI4825A10, KT0936MB9 и BK1198 с генератором микросхеме CD4001, управляемые от штатного КПЕ радиоприемника. В комментариях к статье поднимались недоставки этого способа переделки на FM и частности говорилось о якобы ухода частоты из за нестабильности генератора, о помехах для АМ приема от генератора, вот только где им взяться если он работает только на когда включён. Темой сегодняшней статьи будет еще один из вариантов переделки на диапазон FM радиоприемника VEF-202 и все о чем мы будем говорить, будет приемлемо для радиоприемников VEF-12, VEF201 и VEF206, да и в общем для всех остальных включая даже ламповые.

Радиоприемник VEF-202

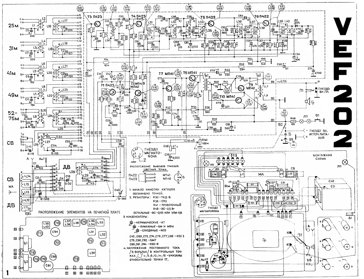
Схема радиоприемника VEF-202 в хорошем качестве

Нажмите на схему чтобы увеличить
Нажмите на схему чтобы увеличить

В основе FM радиомодуля для радиоприемника VEF-202 можно использовать, как и в предыдущем способе с планкой, любые микросхемы, как цифровые DSP Si4825-A10, KT0936MB9, BK1198, также и аналоговые TDA7021 TEA5710, главное чтобы настройка по диапазону в них осуществлялась управляемым напряжением. Управляемое напряжение мы будем брать от преобразователя частота – напряжения, а вот частоту мы возьмем от генератора гетеродина диапазоне ДВ, который перестраивается в пределах 550-950кГц. Такой способ переделки еще никто не применял, но я о нем уже давно думаю, и планирую также применить для радиолы Урал-111, об этом я писал на моем канале в публикации: «Добавление FM диапазона в советские ламповые радиоприемники с минимальным вмешательством в их конструкцию».

Блок схема переделки диапазон FM радиоприемника VEF-202 с использованием преобразователя напряжение - частота на микросхеме К155АГ1 (Зарубежный аналог: SN74121 Texas Insruments, Inc.)

-3

Преобразователь синусоидального сигнала в прямоугольный подключать будем к выводу гетеродинной катушки L28 диапазона ДВ к 5 точке основной платы радиоприемника VEF-202

-4

Схема преобразователя синусоидального сигнала в прямоугольный.

-5

Чтобы не нагружать слабый сигнал гетеродина, для первого каскада применен полевой транзистор Т1 КП303Г (можно применять КП303Е, КП307, MPF102 и J310). При нормальном смещении переход затвор-исток Т1 смещен в обратном направлении, поэтому нагрузка на землю — это просто R1 — резистор сопротивлением 1,5 МОм. Т1 обеспечивает усиление напряжения в 10 раз и, благодаря выбранному смещению затвора, отсекает половину входной синусоиды (форма сигнала B). Для второго каскада в качестве Т2 я выбран самый простой NPN-транзистор КТ315Б (можно применять КТ312, КТ3102, 2N3904, С945). Т2 обеспечивает дополнительное усиление 20 и смещен для обрезки верхней части входной полусинусоиды (форма сигнала C).

Схема преобразователя частота -напряжение

-6

В преобразователе частота - напряжение предполагается использовать две микросхемы. К155ЛА6 (можно использовать, что угодно имеющее аналогичную функцию) для получения прямоугольного сигнала с ровными фронтами и К155АГ1 преобразования частота –напряжение. Построечными резисторами устанавливаются пределы выходного напряжения от 0 до 1,1В для модуля FM микросхеме SI4825A10, но как я и говорил выше модуль FM может быть на любой микросхеме KT0936MB9, BK1198, также и аналоговые TDA7021 TEA5710

Схема хорошо зарекомендовавшего себя в моих конструкциях модуля FM микросхеме SI4825A10

-7

Подключение модуля FM предполагается с помощью микропереключателя или герконов устанавливаемых на барабане переключения диапазонов в положении ДВ ко входу регулятора и громкости, и также в этом положении должно подключаться питания нашей конструкции, и отключаться на всех остальных диапазонах.

К недостатку того, что я описал выше, является достаточно большой ток потребления микросхем К155ЛА6 и и К155АГ1, и выходом из этой ситуации может быть применение преобразователя частота - напряжение на микросхеме LM331.

-8

LM331 использует температурную компенсацию в опорном диапазоне частот для обеспечения точности в диапазоне рабочих температур. Прецизионная схема имеет низкие ток потребления, не снижая при этом быстродействия, необходимого на частоте до 100 кГц.

  • Максимальная линейность 0,01%.
  • Питание 5 В
  • Низкое потребление 15 мВт при 5 В
  • Широкий диапазон частот 1 Гц – 100 кГц

Назначение выводов микросхемы LM331.

-9

Принципиальная схема преобразователя частота - напряжение на микросхеме LM331.

-10

Но с этой микросхемой тоже не все благополучно, она работает только до 100 кГц, а у нас максимальная частота с гетеродина в диапазоне ДВ будет 950кГц. Здесь по моему мнение решением проблемы может быть установка делителя частоты на 16, между преобразователем синусоидального сигнала в прямоугольный и преобразователем. частота - напряжение на микросхеме LM331. В качестве делителя можно будет использовать счетчики или триггеры. У меня есть в наличии б/у микросхеме LM331 (откуда я ее снял уже не помню), есть триггеры и счетчики 561 серии, я их снял с электросчётчика ЦЭ6807В, об этом на моем канале есть публикация: «Что интересного для радиолюбителей можно найти внутри счетчика ЦЭ6807В» и я попробую собрать схему и испытать ее с радиоприёмником VEF-202. Об этом варианте переделки я уже расскажу в следующей статье.

На этом у нас сегодня все.
Рекомендую посмотреть
Подборку публикаций моего канала, где Вы найдете статьи по рассмотренной выше теме, и множество других материалов, которые могут быть Вам интересны и полезны.

Ставьте лайки, комментируйте, подписывайтесь и заходите на мой канал, есть много интересной и нужной информации для радиолюбителей